Размеры холодильника: стандартного, двухдверного, встраиваемого

Кухни с двухдверным холодильником: на что обратить внимание при покупке?

Размеры холодильника: стандартного, двухдверного, встраиваемого

Современную кухню трудно представить без стандартного набора бытовой техники. Широкий ассортимент продукции, предлагаемой в магазинах, позволяет выбрать для себя не только отдельностоящие варианты, но и встраиваемые, с большим количеством функций и в разнообразном дизайне.

Одну из ведущих ролей на кухне среди бытовых приборов играет холодильник. Он может быть как привычным двухкамерным, так и иметь одну или три камеры. Особенно интересны двухдверные модели, еще их называют холодильники side-by-side.

Они имеют нестандартные габариты, большой объем и стильный дизайн.

Холодильники side-by-side в виду своих крупных размеров занимают больше места, поэтому их следует приобретать только в просторные квартиры и загородные дома. Такой вариант точно не годится для хрущевки.

У данной модели холодильная и морозильная камеры расположены рядом (бок о бок). Приборы такого типа обычно имеют один компрессор и позволяют регулировать температурный режим в двух отсеках независимо друг от друга.

Это очень удобно, так как возможно подобрать температуру, оптимальную для свежих и замороженных продуктов.

Особенности двухдверных моделей

Встраиваемые и отдельностоящие холодильники side-by-side имеют множество полезных в быту функций, среди которых можно выделить:

  • Низкие энергозатраты. Двухстворчатые модели, несмотря на внушительные размеры способны экономить значительную часть электроэнергии за счет ее рационального использования. Холодильники подразделяются на несколько классов в зависимости от их мощности, которые обозначаются буквами. Самым экономным считается класс А+.
  • Инверторные компрессоры. Ведущие мировые бренды оснащают свою технику компрессорами с инверторным управлением. Технология заключается в плавном изменении мощности компрессора. За счет этого холодильнику не грозят резкие скачки температуры, они имеют пониженный уровень шума и экономят электроэнергию. К тому же производители снабжают свои агрегаты дополнительной защитой, так как подобные компрессоры чувствительны к перепадам напряжения. Благодаря этому срок службы холодильников довольно высокий.
  • Рациональное разделение внутреннего пространства. Камеры двухдверного холодильника удобно зонированы, в зависимости от температурного режима. Это позволяет хранить продукты, самостоятельно регулируя высоту полок. В моделях side-by-side обычно имеется и нулевой отсек для более длительного хранения, без потери полезных свойств и вкусовых качеств еды.
  • Температурная регулировка. Большинство двухстворчатых моделей позволяют отдельно выставлять и регулировать температурный режим в разных камерах. Благодаря данной функции можно значительно снизить затраты электроэнергии.

Кроме того, встраиваемые двухдверные холодильники обладают рядом других полезных в быту качеств, например, электронным управлением и самодиагностикой неисправностей.

Модели снабжаются запахопоглотителями, устраняющими посторонние «ароматы» внутри камер, а также имеют инфракрасные лампы для улучшения сохранности продуктов.

Встроенный бар и дозатор для выдачи льда позволяют получить прохладительные напитки, не открывая дверцу холодильника.

Выбирая встраиваемый или отдельностоящий холодильник с двумя створками, следует обратить внимание не только на его положительные качества, но и на некоторые нюансы, связанные с нестандартными габаритами и функциями. Например, такие холодильники нельзя устанавливать на полы с подогревом из-за расположения теплообменника. Лучше предусмотреть для них небольшой подиум.

Внушительные размеры моделей side-by-side могут вызвать массу неудобств при транспортировке, к тому же они пройдут не в каждый дверной проем.

Поэтому владельцам небольших квартир лучше сразу отказаться от идеи с двухдверным холодильником. Функция генератора льда потребует дополнительного подключения к водопроводу.

Также может смутить более высокая цена, по сравнению с обычными холодильниками.

Габариты

Просторные кухни без труда смогут вместить холодильники side-by-side, однако даже в этом случае следует обратить внимание на размеры холодильников. В ширину модели обычно достигают от 800 до 1250 мм, высота варьируется от 1700 до 2150 мм, а глубина – 720 мм.

Имеются и агрегаты с нестандартными размерами, например, меньшей или большей глубиной. Холодильники, выпускаемые для стран Европы, обычно соответствуют определенным стандартам. Это не только удобно, но и позволяет создать гармоничный облик кухонного гарнитура.

Существуют модели, имеющие две или четыре двери. Самыми удобными являются именно двухстворчатые холодильники. Для небольшой семьи оптимальным вариантом будет двухдверное изделие с высотой не более 1700 мм. Если в квартире проживает больше пяти-шести человек, то стоит задуматься о модели покрупнее.

Не меньшей популярностью среди покупателей пользуются встраиваемые двухдверные холодильники. Это не удивительно, ведь они обладают рядом преимуществ перед отдельностоящими вариантами.

За счет улучшенной теплоизоляции они более экономичны, а также совершенны в плане программного обеспечения.

Встраиваемые модели удачно вписываются в шкаф-колонну, создавая органичный дизайн кухонного гарнитура в едином стиле.

Популярные марки

В огромном выборе встраиваемой и отдельностоящей бытовой техники можно растеряться, поэтому прежде чем отправиться за покупкой холодильника side-by-side, следует определиться с подходящей моделью, производителем, необходимыми функциями и характеристиками, а также подобрать дизайн.

LG GW-B207FVQA

В настоящее время эта модель является наиболее приемлемой и доступной по цене среди холодильников типа side-by-side, представленных на российском рынке.

Она имеет множество полезных программ и функций, например, систему No Frost, которая избавляет от необходимости в периодической разморозке.

Холодильник имеет размеры 1760х900х730 мм (высота, ширина, глубина), объем холодильной камеры – 349 литров, а морозильной – 178 литров.

В холодильном отсеке присутствуют полки из закаленного стекла с пластиковыми накладками по краям, которые не дают жидкости стекать вниз.

Полки можно регулировать самостоятельно, выбирая наиболее приемлемую и удобную высоту. Еще одна полка-крышка предназначена для хранения свежих овощей и фруктов.

Ее конструкция позволяет поддерживать оптимальную температуру и влажность внутри, что не дает продуктам портиться и дольше сохраняет их свежими.

Дверцы холодильника имеют резиновый уплотнитель с антибактериальным покрытием. К тому же, при транспортировке их легко можно снять. В этом случае не придется волноваться, что агрегат не пройдет в дверной проем.

Управление холодильником LG GW-B207FVQA электронное, с помощью сенсорного дисплея. На нем отображаются все работающие программы, в том числе и такие функции как «Защита от детей» и «Быстрая заморозка» и т.д. Также холодильник снабжен сигнализацией, которая сработает, если дверцы долго открыты. Модель имеет один компрессор и относится к А классу энергопотребления.

Samsung RS20NR

Модель холодильника Samsung RS20NR изготавливается в двух цветах: белом и серебристом, с габаритными размерами 1728х855х672 мм. Она стоит порядка 35 тысяч рублей, чуть дороже предыдущей модели LG. Объем холодильной камеры равен 316 литров.

Внутри имеются высокопрочные стеклянные полки с пластиковыми окантовками, предотвращающими стекание жидкости. Они могут регулироваться по высоте, в зависимости от удобства. Кроме них, имеется металлическая полка-решетка для бутылок.

Нижняя часть холодильного отсека оснащена боксами для хранения свежих овощей и фруктов.

Холодильник имеет систему No Frost, которая избавляет от необходимости в размораживании.

Холодильный и морозильный отсеки снабжены двумя независимыми друг от друга вентиляторами, с помощью которых осуществляется равномерное распределение температуры по всем уровням. Морозильная камера идет объемом в 194 литра.

Она также имеет несколько стеклянных полок с возможностью самостоятельно регулировать их высоту, и два бокса в нижней части. Здесь имеется генератор льда и функция «Быстрое замораживание».

Среди моделей холодильников side-by-side именно LG и Samsung наиболее приемлемы по цене на российском рынке. При этом они имеют достаточно продолжительный срок службы, гарантию, обладают большим списком достоинств, функциональны и удобны в использовании.

Подходить к вопросу выбора холодильника двухдверного нужно основательно, взвесив все возможные нюансы, изучив отзывы о наиболее популярных моделях и производителях. Качественная встраиваемая или отдельностоящая техника будет не только функциональным предметом кухни, но и ярким акцентом интерьера.

Размеры холодильника: габариты стандартного встроенного и двухдверного бытового, высота, ширина, вес, глубина двухкамерного и самого узкого

Размеры холодильника: стандартного, двухдверного, встраиваемого

Какой размер холодильника считается стандартным?

Данная статья поможет вам разобраться в общих характеристиках такого, на первый взгляд, несложного устройства и принять правильное решение при его замене.

  • Стандарт и нестандарт
  • Количество камер

Размер является очень важной деталью при покупке холодильника. Прежде всего, необходимо опираться на площадь, которую вы готовы выделить под данное холодильное устройство.

Самым удобным в размещении является мини, причем как для дач, квартир, так и для офисов. Их цена в разы дешевле стандартных. Минус — небольшая вместимость. Так, фирма Бирюса предлагает модель R108CA с общим объемом 115 литров, что, по сравнению со стандартными объемами, невелико.

Холодильник однокамерный Бирюса R108CA

Это важно знать: маленьким считается холодильник, высота которого не превышает метра.

Также чтобы сэкономить место на кухне, подойдут узкие холодильники. Их ширина колеблется от 40 — 55 см. Высота до 2 — метров. Глубина — в зависимости от производителя. Фирма Индезит выпускает узкие холодильники с глубиной 55 см и такой же шириной, а ЗИЛ предлагает модели с шириной 56 см и глубиной около 61 см.

В условиях малогабаритной кухни узкий холодильник станет настоящим спасением

Однако, существуют некоторые параметры стандартного холодильника:

    • ширина 60 см;
    • глубина 60 см;
    • высота от 85 до 200 см;
    • объем может колебаться от 30 до 800 л.

Интересно, что такие размеры приняты во многих странах Европы. Но, если вы отдаете предпочтение компаниям Samsung или LG, то будьте готовы к тому, что ширина может достигать 100 см.

Большие холодильники или нестандартные подойдут только для людей высокого роста, так как зачастую их высота достигает 2-х метров и даже может превышать ее.

Для удобства пользования предпочтительно, чтобы высота холодильника примерно совпадала с ростом владельца

Если вы нуждаетесь в вместительном холодильнике и позволяет площадь кухни, коридора, как вариант, вам подойдут двухдверные. Такая конструкция создана для того, чтобы обеспечить оптимально низкую нагрузку на детали. Если вместо двух была бы одна дверь, то чтобы ее открыть, потребовалось больше места, и ее вес во много раз превышал стандартный.

Если же вы собираетесь покупать кухонный гарнитур и не хотите, чтобы холодильник стоял отдельно, то вам подойдут встраиваемые модели. При таком варианте его легко можно пристроить в специальный шкаф или под столешницу.

Возможно, Вам будет интересно узнать, почему течет холодильник.

Про оптимальный температурный режим в холодильнике, Вы можете прочитать здесь.

А в этой статье можно узнать, как отмыть мультиварку от жира.

Количество камер

Кроме всего прочего, бытовые холодильники делятся на:

  • Многокамерные.
  • Однокамерные.
  • Классические.
  • С системой «No Frost». No Frost — особенность холодильника, при которой не образуется слоя льда. Дословно переводится, как «без инея».
  • Каждая из данной категории имеет свои плюсы и минусы:

    • многокамерные холодильники препятствуют потери холода в других отсеках и не нуждаются в частой разморозке, но при этом температура в них зачастую превышает +6 градусов;
    • однокамерные холодильники отличаются относительно недорогой ценой, температура хранения колеблется от нуля до 10 градусов. Главным минусом является отсутствие морозильной камеры;
    • классические же холодильники, наоборот, оснащены камерой хранения замороженных продуктов и при этом имеют простую конструкцию и доступную цену. Минус — потребность в частом размораживании. Но это может быть и плюсом, поскольку частая обработка холодильника позволит избежать скопления в нем неприятных запахов и микробов;
    • система No Frost позволяет распределять холод равномерно, но это преимущество значительно повышает цену. Так, холодильник фирмы BOSCH с капельной системой размораживания с объемом 317 л обойдется около 30 тысяч рублей. Такой же холодильник с системой No Frost и объемом 287 л будет стоить около 33 тысяч рублей. Причем, при поломке хотя бы одной детали, есть вероятность выхода из строя всей системы.

    Встраиваемый двухкамерный холодильник с системой no frost

    Конечно, выбор холодильников в настоящее время огромный. Все-таки мы бы порекомендовали вам ориентироваться, в первую очередь, не на размеры, а на возможности его, надежность, поскольку чаще всего холодильник покупается не на одно десятилетие.

    Смотрите видео-рекомендации эксперта по выбору холодильника:

    Двухдверный холодильник

    Размеры холодильника: стандартного, двухдверного, встраиваемого

    Ни одну современную кухню просто невозможно представить себе без холодильника, выбор которого не всегда прост.

    Для маленькой семьи может подойти небольшой однокамерный, для семи побольше – двухкамерный. И, конечно же, если позволяют размеры кухни, холодильник этот будет двухдверным, большим и вместительным.

    Именно о том, какие бывают бытовые двухдверные холодильники, и пойдет речь в нашей статье.

    Двухдверные холодильники «side by side»

    Когда мы говорим о двухдверном холодильнике, мы имеем в виду холодильник, изготовленный по принципу «side by side» (бок о бок) – с распашными дверями и камерами, расположенными рядом, бок о бок.

    Холодильники этого типа обычно однокомпрессорные и имеют независимую регулировку температуры в камерах, что позволяет создать оптимальные условия для хранения всех видов продуктов: и свежих, и замороженных.

    Холодильники эти нельзя отнести к бюджетной продукции, они достаточно дорогие, но при этом имеют множество нужных, полезных или просто необычных функций:

    • самодиагностика неисправностей;
    • встроенные бары, позволяющие приготовить коктейли не открывая дверь холодильника;
    • электронное управление;
    • возможность подключения к всемирной сети интернет;
    • дозаторы для выдачи льда и охлажденной воды без открывания двери;
    • запахопоглотители, устраняющие все посторонние запахи;
    • инфракрасные лампы, улучшающие сохранность свежих продуктов;
    • ограничители открытых дверей, оберегающие стоящую рядом с холодильником мебель от возможных повреждений.

    Холодильник двухдверный: размеры

    Размеры двухдверных холодильников колеблются в широких пределах и зависят от модификации:

    • ширина двухдверного холодильника составляет обычно от 80 до 125 см;
    • высота двухдверного холодильника составляет от 170 до 215 см;
    • глубина двух дверного холодильника составляет от 63 до 91 см.

    Те модели двухдверных холодильников, которые производятся для европейских стран, отличаются более мелкой глубиной – всего лишь 60 см. Сделано это для того, чтобы холодильник мог гармонично вписаться в стандартный кухонный гарнитур, не выступая из общей линии мебели.

    Холодильник двухдверный встроенный

    Все большую популярность у покупателей приобретают встраиваемые модели бытовой техники. И двухдверный холодильник не является исключением из правил. Встраиваемые двухдверные холодильники «side by side» обладают рядом преимуществ: они более совершенны в отношении программного обеспечения и по техническому уровню.

    Кроме этого они гораздо более экономичны, чем отдельностоящие собратья, ведь у них улучшенная теплоизоляция.

    Еще одним плюсом встраиваемых двухдверных холодильников является и то, что теплообменник у них расположен не на задней стенке, а внизу и оснащен специальным пылеотталкивающим устройством, избавляющим хозяйку от необходимости чистить эту труднодоступную часть агрегата.

    Холодильник двухдверный: особенности выбора

    При выборе двухдверного холодильника необходимо учесть следующие нюансы:

    • из-за особенностей расположения теплообменника холодильники «side by side» нельзя размещать на полах с подогревом, т.к. это существенно снижает срок их службы;
    • из-за внушительных габаритов двухдверные холодильники пройдут не во всякий дверной проем, хотя если разница в размерах проема и глубины холодильника невелика, можно просто снять двери холодильника при транспортировке;
    • уделять внимание тому, есть ли в холодильнике система No Frost не нужно – ей оборудованы все модели холодильников «side by side»;
    • наличие в холодильнике функции генератора льда потребует дополнительного подключения к водопроводу, а, следовательно, и дополнительных затрат.

    Все, что вы хотели знать о встраиваемых холодильниках!

    Размеры холодильника: стандартного, двухдверного, встраиваемого

    Просматривая красивые картинки и фотографии кухонных интерьеров, многие удивляются тому, что на кухне не видно холодильника.

    Все есть: плита, вытяжка, даже кофе-машина, а холодильника не видно.

    Дело в том, что холодильник “спрятался” в шкаф, и называется такой холодильник встраиваемый.

    Вот об этих холодильниках и поговорим.

    Обсудим, что же это значит – “встраиваемый холодильник”. Чем он отличается от обычного?

    Как правильно выбрать встраиваемый холодильник? Каковы его размеры?

    И о многом другом поговорим в нашей статье.

    Встроенный (встраиваемый) холодильник в интерьере кухни

    Достоинства и недостатки встраиваемого холодильника

    Чаще всего купить встроенный холодильник хотят те, кто тщательно прорабатывает дизайн интерьера своей кухни.

    Многим не нравится то, что отдельно стоящий холодильник очень сложно интегрировать в кухонный гарнитур.

    В таком случае выручит холодильник, встроенный непосредственно в шкаф, что позволяет создать на кухне гармоничный интерьер.

    Встраиваемый холодильник

    Достоинства и недостатки встраиваемого холодильника

    • Встраиваемые холодильники гораздо экономичнее, так как имеют дополнительную теплоизоляцию своих стен;
    • Они практически не слышны, потому что внешние панели дополнительно создают защиту от шума;
    • Как уже говорилось выше, основное преимущество – их «незаметность».

    Кухонный гарнитур со вcтраиваемой техникой

    Недостатков у встраиваемых холодильников, собственно, два:

    • Любой встраиваемый холодильник по своему объему меньше, чем его аналог-соло. Но из-за этого маленького минуса его удобство не страдает.
    • Как правило, встраиваемый холодильник всегда дороже своего аналога – соло.

    Итак, в каких случаях стоит купить встраиваемый холодильник, а когда лучше выбрать обычный, отдельно стоящий?

    Встраиваемый холодильник вам подойдет, если:

    • Вы не можете определиться с дизайном холодильника-соло: не подходит цвет, не вписывается в общий стиль интерьера кухни и т.д.;
    • Вы непременно хотите, чтобы холодильник был абсолютно не заметен, вам категорически не нравится “белый шкаф” (даже если он не очень-то и белый, а, скажем, стального цвета);
    • Вы готовы смириться с мЕньшим объемом холодильной и морозильной камер, лишь бы не нарушалась гармония в дизайне кухни.

    Не стоит брать встроенный холодильник, если:

    • Вы много готовите, и холодильник нужен большой;
    • Вам не особо важен дизайн, главное – функциональность техники;
    • Вы крайне необходимы такие “прибамбасы”, как зона свежести, электронное управление, вынесенное на лицевую часть дверцы, возможность приготовления газированных напитков и т.п.;
    • Вы не готовы платить немалые деньги за усовершенствованную теплоизоляцию, вам важнее сэкономить.

    Если вы остановите свой выбор на встраиваемом холодильнике, читайте дальше!

    Варианты размерного ряда встроенных холодильников

    «Многоуважаемый». Именно так в одной из чеховских пьес называли старый и заслуженный шкаф.

    Но холодильник – это тоже шкаф, предназначением которого является хранение продуктов.

    Чтобы оценить любую технику или мебель, говорят об их эргономичности.

    То есть оценивают с точки зрения удобства пользования.

    Специалисты в области эргономики считают, что холодильник не должен быть выше двух метров.

    Оптимальная высота – полтора метра.

    Если встраиваемый холодильник меньшего размера, его лучше приподнять и расположить под ним компактный шкаф для овощей или хозяйственных предметов. 

    Небольшим, всего около 1,7 м высотой, холодильником было бы удобнее пользоваться, если бы он стоял на подставке.

    Некоторые хозяйки выбирают совсем маленькие холодильники, которые “прячутся” под столешницей, имеют высоту до 85 см.

    Из-за отсутствия морозильника приходится ставить и его. Пример такого расположения – на фото ниже.

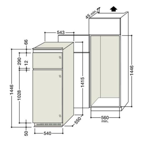
    Размеры встраиваемого холодильника

    Габариты холодильника, его высота и ширина, определяются по внутренним параметрам, которые имеет ниша, куда он будет помещен.

    Если встраиваемый холодильник устанавливается под столешницей, специальный шкаф для него не делается, так как холодильник устанавливается прямо на пол между двумя шкафами и створка крепится на дверцу холодильника.

    Его высота – 820 мм, ширина – 600, а глубина равна размеру мебели – 550-570 мм.

    Для холодильника, встраиваемого в шкаф, важны размеры этого шкафа, они указаны в паспорте холодильника.

    Обычно он имеет следующие размеры: ширина – 600, глубина – 550 мм.

    Высота может быть разной, в зависимости от модели холодильника.

    Фасады для кухонной мебели.Наша статья поможет вам разобраться в том, какие фасады для кухонной мебели практичнее.

    Из каких материалов лучше всего делать кухонный фартук, а также чем отличается МДФ от ХДФ вы можете прочесть тут.

    Вот пример чертежа шкафа и размеры встраиваемого холодильника, взятые из паспорта одного из встраиваемых холодильников:

    Установка встраиваемого холодильника

    При установке бытовой техники, главное – обеспечить электрическую безопасность.

    Встраиваемые холодильники требуют к себе особого внимания и специальных знаний.

    Все нагревающиеся узлы (компрессор или конденсатор) должны вентилироваться.

    Поэтому при изготовлении шкафа под холодильник требуется строго соблюдать рекомендации изготовителя, указанные в паспорте прибора.

    Причем у разных моделей холодильников эти схемы могут отличаться.

    Так что обезопасьте себя от возможных проблем, проконтролируйте соответствие доставленного вам шкафа требованиям, указанным в паспорте холодильника.

    Установка встраиваемого холодильника

    Установку встроенной техники на кухне следует доверять только квалифицированным мастерам.

    Ведь любая неточность может обернуться большими неприятностями и отказом в гарантийном обслуживании.

    Посмотрите видео, в котором автор показывает, какие ошибки могут быть допущены при установке встроенного холодильника и как их избежать:

    Дизайн встроенного холодильника

    Встраиваемые холодильники имеют в магазине весьма скромный внешний вид.

    Они не сверкают белым лаковым покрытием или приглушенным блеском стальных поверхностей.

    Окончательный вид шкаф-холодильник приобретает после того, как на невзрачную дверь надевается внешняя декоративная панель.

    А уж эта панель может быть любого цвета, дизайна и стиля.

    Встроенный холодильник с выкатными морозильными камерами

    Дизайн кухонного гарнитура со встраиваемым холодильником

    Кухонную мебель каждый приобретают, руководствуясь собственным вкусом, собственным представлением о красоте и удобстве.

    И, конечно, финансовыми возможностями.

    Холодильник, встроенный в шкаф и выполненный в том же цвете и материале, как и весь кухонный гарнитур, станет прекрасным его дополнением.

    Цена таких холодильников немного выше, но эта разница в полной мере компенсируется дополнительным удобством и высокой эргономичностью техники.

    Мы подобрали для вас фотографии дизайна кухни со встроенным холодильником. Вдохновляйтесь!

    Дизайн встроенной техники в бежевом цвете

    Контрастный дизайн для встроенной техники

    Черно – белый вариант для встроенного холодильника

    Встроенный холодильник в составе темного гарнитура

    Классическая кухня со встроенным холодильником

    Роскошная кухня с встраиваемым холодильником

    Встраиваемый холодильник на небольшой белой кухне

    Какие стандартные размеры у холодильников

    Размеры холодильника: стандартного, двухдверного, встраиваемого

    Холодильник является одним из важнейших бытовых приборов, используемых ежедневно. Его размеры непосредственно связаны с вместительностью, продуктивностью, функциональностью и экономичностью всего агрегата. Определять их следует, ориентируясь на площадь кухни, количество пользователей и свои покупные возможности.

    Содержание статьи

    • Деление холодильников по размерам
    • Размеры современных холодильников

    Стандартные размеры холодильников для России варьируются в диапазоне 85-210 сантиметров (высота), 45-65 сантиметров (ширина) и 50-70 сантиметров (глубина). По высоте они подразделяются на малые (50-135 сантиметров), средние (140-185 сантиметров) и высокие (от 190 до 210 сантиметров). Ширина холодильника, в свою очередь, бывает американского, европейского или азиатского типа.

    Так, к азиатским холодильникам относятся агрегаты, средние по высоте и ширине, к американским – широкие и высокие холодильники, а к европейским – узкие и высокие модели.

    Тип глубины холодильников делится на стандартный (60 сантиметров), габаритный (до 110 сантиметров) и неглубокий (42-50 сантиметров).

    Объем или вместимость холодильника определяют количество продуктов, которое одновременно можно разместить внутри холодильных камер.

    Стандартные объемы холодильников составляют от 250 до 350 литров, при этом объем морозильной камеры – 50-140 литров, а объем холодильной камеры – 150-210 литров.

    Наиболее распространенными агрегатами являются невысокие однокамерные холодильники с маленькой морозильной камерой и следующими размерами: высота: 50-120 сантиметров, ширина 50-60 сантиметров, глубина 50-60 сантиметров и объем 120-220 литров.

    Такие холодильники идеально подходят для нескольких пользователей – они очень удобны за счет своего небольшого веса и скромных габаритов.Двухкамерные холодильники, рассчитанные на большую семью, обладают большей вместительностью, полноценной морозильной и холодильной камерой, а также одним или двумя компрессорами.

    Они имеют большую функциональность и оснащены независимыми линиями обдувки для каждого отсека. Их стандартные размеры составляют 130-210 сантиметров высоты, 50-70 сантиметров ширины, 55-65 сантиметров глубины и 260-380 литров объема.

    Единственными недостатками современных холодильников является их большой вес и сравнительная громоздкость.

    Все большую популярность сегодня набирают холодильники Side By Side. Из-за своих размеров они подходят только для кухонь-студий или кухонь с довольно большой площадью.

    Такие холодильники являются двухдверными: их холодильная камера расположена справа, а морозильная – слева. Холодильники Side By Side оснащены полным функциональным набором – зоной свежести, функцией No Frost, ледогенератором и даже встроенным телевизором. Стандартные размеры данных агрегатов составляют 170-190 сантиметров высоты, 100 сантиметров ширины, 60-80 сантиметров глубины и 350-800 литров объема.

    Распечатать

    Какие стандартные размеры у холодильников

    Каких размеров бывают холодильники

    Размеры холодильника: стандартного, двухдверного, встраиваемого

    remontoni.guru > Бытовая техника > Каких размеров бывают холодильники

    Без холодильника нельзя представить современную кухню. Самыми распространенными являются двухкамерные приборы.

    В своем быту человек использует холодильник буквально каждый день, поэтому при покупке нового агрегата нужно учитывать, сколько места он будет занимать на вашей кухне, потому что от этого напрямую зависит его вместительность и удобство в использовании.

    Ассортимент бытовой техники на рынке сейчас очень широк, поэтому давайте разберемся, какие виды холодильников существуют и как выбрать для себя идеальный вариант.

    Самый первый параметр, на который обращают внимание при покупке – это размер холодильника. Это относится не только к отдельно стоящей технике, но и к технике, которую встраивают в кухонный гарнитур.

    Какие бывают холодильники

    Есть несколько категорий морозильной техники. Размеры морозильных камер можно определить по нескольким параметрам: высота, ширина, глубина и объем. От них зависит вес агрегата. Вес современных холодильников варьируется в пределах от 20 до 160 килограмм.

    По высоте можно выделить три группы техники:

    • высокие холодильники — их высота составляет от 2 до 2,5 метра;
    • средние — высотой от 1,5 до 2 метров;
    • маленькие — от 1 до 1,5 метра.

    Также есть встраиваемая техника и отдельно стоящая. Выбирать нужно исходя из планировки кухни, и если вы хотите встроить технику в кухонный гарнитур, то обратить на ее размеры особое внимание.

    Стандартные размеры холодильника

    В Азии и Европе приняты разные стандарты для холодильных камер. Европейские холодильники узкие и высокие, достигаю 2 метров. Азиатские модели имеют средние размеры. В России стандарты приведены к европейским, поэтому большинство стандартных холодильников имеют такие параметры:

    • вместительность от 250 до 300 литров;
    • высота 80-200 см;
    • ширина 50-70 см;
    • глубина в среднем 60 см.

    При покупке нужно учитывать не только параметры техники, но и рост членов семьи. Всем должно быть удобно дотягиваться до верхних полок.

    Также часто производители указывают два параметра вместимости стандартного холодильного агрегата: общий объем и объем продуктов, который помещается в камеру. Решающим при выборе должен быть второй параметр.

    Размер однокамерных холодильников

    Морозильные камеры в такой технике небольшие и расположены сверху, поэтому габариты агрегата самые скромные. Они подходят для тех людей, которые не закупают сразу большое количество продуктов. На рынке техники сейчас представлены совсем маленькие камеры, в которых нет морозильного отсека, они малогабаритны, но и много продуктов там уместить не получится.

    Встраиваемый однокамерный агрегат найти сложнее, чем двухкамерный.

    Итак, размеры однокамерных холодильников варьируются в таких пределах:

    • высота от полуметра до полутора метров;
    • средняя ширина – полметра;
    • объем – от 100 до 200 литров.

    Такие холодильники легко доставить и установить, и они вполне могут удовлетворить каждодневные потребности в хранении продуктов.

    Размеры двухкамерных холодильников

    Такие агрегаты на сегодняшний день самые популярные. В них есть полки для хранения различных продуктов, на разных уровнях установлена разная температура. Также сверху или снизу установлена больших размеров морозильная камера.

    Производители ежегодно добавляют новые функции, и сейчас можно выбрать холодильную технику по любым потребностям.

    Радует и разнообразие дизайнов и цветов, благодаря этому можно подобрать двухдверную бытовую технику для любого ремонта и стиля кухни, а также встраивать холодильник прямо в кухонный гарнитур.

    Размеры двухдверных агрегатов имеют большой диапазон (такие же для встраиваемых):

    • минимальная высота — 1,3 метра, а максимальная может достигать 2,2 метра;
    • глубина — 0,5-0,6 метра;
    • ширина от полуметра до 0,7 м;
    • объем — 250-350 литров.

    Размеры многокамерных агрегатов

    Для хранения разных типов продуктов этот вид техники подходит больше всего. В нем несколько больших отделов, в каждом из которых можно настроить свой температурный режим. В отдельных отсеках можно хранить замороженное мясо и рыбу, овощи и фрукты, молочные продукты. Еда сохраняется свежей в таком холодильнике гораздо дольше.

    Из-за того, что в многокамерном бытовом агрегате более двух отсеков, габариты холодильников таковы:

    • высота в пределах 200 см;
    • ширина от 0,5 до 1,2 метра;
    • глубина до метра;
    • объем может достигать 650 литров и более.

    Производители такой холодильной техники как встраиваемой, так и отдельно стоящей, включают в большинство моделей функции вакуумного хранения, No Frost, а также разделение на разные зоны свежести.

    Холодильные агрегаты Side-by-side

    Такой тип техники выбирают обладатели больших кухонь, потому что он имеет внушительные размеры. Но несмотря на них, такие агрегаты очень экономичны, удобны и потребляют мало электроэнергии. Перед покупкой холодильника Side-by-side нужно измерить высоту потолков в комнате.

    Side-by-side имеют следующие габариты:

    • Высота от 170 до 200 см;
    • ширина в пределах 100 см;
    • глубина от полуметра до 85 см;
    • объем до 800 литров с морозильным отсеком до 300 литров.

    Холодильная камера и морозильная камера в Side-by-side располагаются вертикально, отсеки для разных типов продуктов разделены полками. В них можно настроить индивидуальный температурный режим для хранения фруктов, овощей, молока и мяса. Side-by-side включают в еще и винный шкаф, в котором настраивается подходящая для алкогольных напитков температура.

    Можно подключить этот агрегат к системе удаленного управления бытовой техникой через телефон с помощью специальной программы.

    Важно помнить, что, кроме габаритов техники, нужно обращать внимание на материал, из которого изготовлен корпус и полки агрегата, а также гарантии от производителя. Перед покупкой обязательно измерьте место,в которое планируете поставить холодильник, а также высоту потолков.

    Двухстворчатые холодильники для дома

    Размеры холодильника: стандартного, двухдверного, встраиваемого

    Сегодня все большую популярность приобретают двухдверные холодильники. Они занимают больше пространства, поэтому их лучше устанавливать в крупногабаритных квартирах или частных домах.

    Холодильный и морозильный отделы в таких моделях расположены рядом. Основное преимущество – вместительность. Если у вас когда-нибудь возникала мысль о покупке отдельной морозильной камеры, или вы складываете продукты сверху кастрюль, задумайтесь об этом варианте.

    Основные характеристики

    Side-by-side отличается внушительными объемами. Размеры морозильной камеры варьируются в районе 200 л; холодильной – 346 л. Полезное пространство может увеличиваться в зависимости от модели.

    В данном видео, на примере двухстворчатого холодильника марки Samsung RSA1 Side-by-Side, вам расскажут о всех особенностях данного вида техники.

    Так, Samsung RH60H90207F может предложить владельцам целых 398 л. для хранения продуктов. Габариты двухстворчатых холодильников соответствующие. Ширина в среднем 91 см., высота от 177 до 180 см.

    , глубина около 72 см. Существуют модели с нестандартными размерами, например, с меньшей глубиной. Последние удобнее будет расположить в квартире.

    Во время покупки обязательно уточните, как будет происходить процесс доставки!

    Дело в том, что большинство холодильников side-by-side не проходят в стандартный дверной проем в упаковке: ее необходимо снять, на что не всегда идут доставщики из-за опасения повредить дорогую технику. Если вы выбрали модель с глубиной больше 72 см., потребуется снятие наличников с дверей или ручек с холодильника. Системы охлаждения можно встретить двух видов: комбинированные или «No Frost».

    Яркий пример двухстворчатой модели холодильника

    Первый вариант встречается реже и предполагает наличие двух компрессоров. Преимущества такого охлаждения не очевидны, а цена в разы выше. Второй вариант преобладает. К примеру, Samsung в своей технике использует только сухое охлаждение.

    Оно более эффективно, так как предполагает постоянную циркуляцию холодного воздуха. «No Frost», естественно, не требует размораживания. Весь конденсат попадает в специальные испарители. Несколько слов о сухой заморозке: она позволяет забыть о слипании продуктов. Заморозка происходит быстрее, хранятся продукты лучше.

    • Инверторная технология в управлении компрессором. Конечно, можно встретить side-by-side с обычными компрессорами. Однако передовые производители, такие, как Samsung, полностью перешли на эту технологию. Суть ее заключается в плавном изменении мощности компрессора. Как результат: нет резких колебаний температуры, значительно уменьшается энергопотребление и уровень шума. Срок службы таких агрегатов очень высок. Что говорить, если гарантия от производителя дается на десять лет. Инверторный компрессор чувствителен к перепадам напряжения, поэтому ответственные производители снабжают свою технику специальной защитой.
    • Низкое энергопотребление. Рациональное использование электроэнергии актуально во всем мире. Технику разделяют на классы в зависимости от мощности. В случае с холодильниками на этот параметр влияет еще и время сохранения заданной температуры без подачи питания. У двухдверных холодильников марки Samsung класс энергопотребления не ниже А+, что говорит высокой экономности.
    • Удобное зонирование. Как правило, холодильное отделение разделено на несколько температурных зон, предназначенных для хранения разных продуктов. Samsung предлагает еще и так называемую нулевую зону, отдельную камеру, в которой продукты сохраняются дольше и не теряют полезные свойства. Все полки имеют несколько вариантов высоты – можете переставить их как вам удобно. Выполнены они из закаленного стекла. Не бойтесь ставить тяжелые кастрюли. Эти полки выдерживают 25 кг. и очень удобны в уходе.
    • Раздельная регулировка температур. Во всех моделях Samsung можно выставлять подходящую температуру в холодильной и морозильной камерах. Когда в одной из них временно нет продуктов, температуру можно поднять до максимума, экономя электроэнергию. Панель регулировки электронная и чаще всего находится снаружи, на дверце.

    Среди дополнительных функций, которые могут порадовать потребителей, Samsung предлагает быстрое охлаждение и быструю заморозку. Это ограниченное во времени понижение температуры.

    Полезно использовать при замораживании или охлаждении большого количества продуктов, помогает предотвратить их порчу. Большинство двухстворчатых холодильников оборудованы сигнализацией открытой двери и защитой от детей.

    https://www.youtube.com/watch?v=NXQ0QmGK84A

    Некоторые модели оснащены генератором льда и контейнером для охлаждения воды. Они встроены в дверцу. Эти дополнения позволяют получить лед и прохладную воду не открывая холодильник.

    Сколько стоит side by side?

    Самые популярные модели стоят в районе шестидесяти тысяч рублей. Например, LG GC-B 207 GEQV китайской сборки обойдется в 65180 руб. в Москве, Санкт-Петербурге и Волгограде. В Ярославле, Тамбове, Новомосковске, Моршанске, Липецке, Владимире цена самая высокая – 67135 руб. 65 – 66 тысяч рублей будет стоить эта же модель в Калуге, Туле, Коломне, Краснодаре, Нижнем Новгороде, Рязани.

    В Новосибирске цена наиболее демократична – 63990 руб. В этой же ценовой категории холодильники марки Daewoo Electronics. Samsung RSA 1 STWP в Москве и области будет стоить около 60000 руб.

    За эту сумму покупатель получит полную комплектацию, включая лоток для яиц, ящичек для сладостей и камеры с контролем влажности. Все основные функции в модели присутствуют.

    В Кемеровской области, Челябинске, Саратове стоимость выше, 69 950 руб. В остальных регионах России стоимость колеблется в этих пределах.

    Одна из дорогих моделей этого же производителя, RH 60 H 90203 L Food Showcase, отличается увеличенным объемом камер, большей экономностью.

    Некоторые дополнительные функции позволят сохранить температуру даже при частом открывании дверцы. Еще одно преимущество – оригинальное дизайнерское решение. Стоимость — 135990 руб.

    В зависимости от региона цена колеблется незначительно, достигая максимум 140070 руб. Холодильники Liebherr стоят от 82 861 руб. и выше.

    Модель SBS 7212 (SBS 72120) немецкого производства, обладающая одинаковыми с холодильниками Samsung характеристиками, обойдется в некоторых регионах России в 105000 руб.

    Подводя итоги, стоит упомянуть, что производством двухстворчатых холодильников занимаются только солидные производители, так что можно смело ожидать отменного качества.

    Приобретая такую технику, вы получите:

    • достаточно пространства для хранения продуктов для большой семьи;
    • возможность замораживать фрукты, овощи и другие продукты в больших объемах;
    • удобное расположение полок;
    • высокое качество и экономию электроэнергии;
    • стильный внешний вид холодильника.

    Так же советуем посмотреть

    Какие стандартные размеры у холодильников

    Размеры холодильника: стандартного, двухдверного, встраиваемого

    Размеры холодильника — один из главных параметров, влияющих на выбор бытовой техники при покупке. Оптимально выбрать холодильник, который будет хранителем свежести ваших продуктов, не всегда бывает легко.

    Главная задача — соблюсти оптимальное соотношение «необходимо и достаточно» по отношению к величине холодильников. Довольствоваться минимумом можно, но это неудобно.

    Занимать кухню громоздким устройством, которое пустует большую часть времени — тоже.

    У одиночки может быть большая собака, мясо для которой хранит тот же холодильник. У него, в конце концов, может быть привычка ставить на хранение в свой холодильник ящик пива на случай внезапно нагрянувших приятелей.

    Так что все эти привязки габаритов холодильника к количеству проживающих в квартире человек — сущая условность и дело вкуса.

    Размеры холодильников нужно подбирать так, чтобы при открывании дверцы ничего не мешало. Внешние габариты должны оптимально соотноситься с внутренним полезным объемом. Имеет значение соотношение объема морозильного и холодильного отделений.

    Если есть привычка замораживать на зиму грибы, зелень и прочие дары урожая — стоит рассматривать модели с большой морозилкой, или даже купить отдельный морозильный шкаф.

    Размеры стандартных холодильников

    Самые маленькие размеры у холодильников—баров. Их часто можно увидеть в гостиничных номерах, но не только там. Маленький холодильник уместен в гостиной, и его размеры могут отлично вписаться даже в отделение мебельной стенки. Ширина холодильника-малютки составляет 50 см, высота может быть от 50 до 120 см.

    Далее следуют средние низкие модели. Обычно они однодверные, с верхней морозильной камерой. Высота таких холодильников может быть до 1,5 м, глубина и ширина стандартные.

    Высота средних высоких моделей доходит до 180 см. Они могут быть как двухкамерными, так и однокамерными. Морозильная камера располагается снизу или сверху. Именно такие размеры обычно имеют встраиваемые модели.

    Самые огромные холодильные шкафы относятся к категории Side by Side. У них две камеры, расположенных рядом. Морозильное отделение слева, а холодильное справа.

    Размеры их впечатлят даже Гаргантюа: ширина холодильника такого типа может доходить до 1 м и более, при глубине от 60 до 80 см. Конечно, такие гиганты покупают для просторных кухонь, в маленькую кухоньку хрущевки такой чудо-холодильник просто не поместится.

    Таблица стандартных размеров холодильников наиболее распространенных типов приведена ниже.

    Встраиваемая техника

    Если вы заказали кухонную мебель, вероятнее всего компания-производитель предложит вам подобрать встроенный холодильник стандартного размера. Поскольку мебель собирается из стандартных блоков, она рассчитана на определенные габариты встраиваемой бытовой техники.

    С одной стороны, это хорошо, так как вам предложат укомплектовать кухню техникой одной марки, имеющей однотипный дизайн и габариты.

    Зато, вероятнее всего, у вас не будет проблем с сервисным обслуживанием: компании по производству кухонной мебели обычно сотрудничают с крупными производителями бытовой техники, имеющими развитую сеть сервисных центров и хорошую репутацию.

    Встроенный холодильник замечательно вписывается в пространство кухни. Но и у отдельно стоящей модели есть свои плюсы. Например — отсутствие необходимости подбирать технику под размеры мебели.

    Если размеры вашей кухни достаточно велики, вы можете поставить туда хоть огромный шкаф Side by Side, набить его доверху запасами, и забыть о регулярных походах в супермаркет за чем-то, кроме свежих фруктов и молока.

    Правила установки

    • Холодильник должен занять свое место так, чтобы от плиты и батареи отопления его отделяло не менее 50 см.
    • Желательно не ставить его вплотную к мойке. Нехорошо также, если в летнее время на него будет падать много солнца.
    • Нужно также предусмотреть некоторое расстояние от задней стенки до поверхности стены, вплотную ставить нельзя.
    • Нельзя, чтобы открывающаяся дверца перекрывала вход в кухню.

      Это остается актуальным для малогабаритных кухонь в квартирах старой планировки.

    Такие разные габариты холодильников: выбираем технику с умом

    Холодильник – это неотъемлемый атрибут любой современной кухни. Он наилучшим образом сохраняет скоропортящиеся продукты, тем самым отвечая за здоровье семьи.

    Чтобы не стать камнем преткновения в комнате, такая бытовая техника должна быть органично вписана в ее интерьер. Главное внимание при этом обращают на размеры холодильника.

    Низкий, высокий, широкий, узкий: какой он должен быть? Попробуем выяснить.

    Момент покупки холодильника довольно сложный и мучительный, поэтому выбирая такой агрегат, на первое место ставится количество проживающих человек семье и их кулинарные привычки.

    Для небольшой семьи подойдет маленький холодильник с одной камерой, двухкамерные модели окажутся более вместительными. Приобретение излишне емких холодильников обернется неудобством, а громоздкие образцы займут много места.

    Немаловажное значение уделяется правильному соотношению холодильного и морозильного отделения. Этот факт определяется исключительно вкусами и потребностями хозяина.

    Любителям замораживать большое количество ягод и овощей лучше остановиться на холодильниках с вместительной морозилкой. В этом случае можно приобрести отдельно стоящий шкаф.

    Объем и размеры холодильников

    В зависимости от потребностей человека размеры охлаждающего оборудования могут существенно отличаться. Немаловажную роль в этом играют особенности модели и встроенного функционала.

    Главные параметры:

    • высота 50–250 см;
    • ширина 40–190 см;
    • глубина 44–110 см;
    • объем 30–800 л;
    • масса 22–157 кг.

    В зависимости от территориальной предрасположенности холодильники получили следующие наименования:

    • европейский;
    • американский;
    • азиатский.

    Наиболее вытянутые модели относят к агрегатам первого типа, у американского оборудования большая ширина холодильника и высота, азиатские имеют средние размеры. Соответственно, неодинаковыми у них будут показатели глубины. Типовые параметры – 60 см, меньшие – до 50 см и наиболее вместительные габаритные холодильники – 110 см.

    Что означает понятие «объем холодильника»? Это количество вмещаемых в него продуктов. Такие показатели заметно отличаются у разных моделей и составляют 25–750 л. В зависимости от этих значений, оборудование разделяют на экономное, среднее по показателям емкости и объемное.

    Стандартные характеристики

    Небольшие по размерам холодильники устанавливают в гостиницах, офисах, комнатах для приема посетителей. Ширины в 50 см и высоты в 50–120 см достаточно, чтобы установить компактный агрегат в небольшую стенку.

    Среднеразмерные холодильники традиционно имеют одну дверцу и высоту до 1,5 м, остальные показатели у них стандартные. Они могут иметь высоту до 180 см, с камерой внизу или вверху. Холодильники больших размеров станут настоящей находкой для высоких людей.

    Дотянуться до верхней точки в 210 см для них не проблема. Все перечисленные типы холодильников имеют стандартную ширину и глубину – 50–60 см.

    Образцом самых емких холодильников будет оборудование Side by Side. Морозильная камера у них находится с левой стороны, а холодильная часть – с правой.

    Они невероятно широкие (100 см) и глубокие (60-80 см), что позволяет хранить огромные запасы продовольствия.

    Такое оборудование можно поставить только в больших кухнях, причем дизайнерское исполнение подобных приборов поражает своим разнообразием.

    Количество камер

    В зависимости от количества камер различают холодильники однокамерные и двухкамерные. Оборудование первого типа имеет размеры:

    • высота 0,5–1,2 м;
    • ширина 50-60 см;
    • емкость 120–220 л.

    Такой агрегат подойдет для 1 или 2 человек. Компактная морозилка вверху и холодильный отдел внизу вместят нужный объем продуктов. Двухкамерные агрегаты рассчитаны на небольшую семью и имеют 1 или 2 компрессора, вместительный холодильный и морозильный отдел.

    Габариты:

    • высота 1,3–2,1 м;
    • ширина 0, 5–0,7 м;
    • объем 260–380 л.

    Холодильное оборудование с несколькими камерами называется френч дор. Главное отделение у них имеет 2 двери, морозильная часть находится внизу и снабжена выдвижным механизмом.

    Их параметры:

    • высота 1,68-2 м;
    • ширина 60-120 см;
    • глубина 55–90 см;
    • емкость 320–650 л.

    Понравилась статья? Поделиться с друзьями:
    Все о сантехнике
    1 / 11
    2 / 11
    3 / 11
    4 / 11
    5 / 11
    6 / 11
    7 / 11
    8 / 11
    9 / 11
    10 / 11
    11 / 11