Система вентиляции салона

Как работает система отопления и вентиляции автомобиля

Система вентиляции салона

Современные автомобили сконструированы таким образом, что постоянный поток свежего воздуха обдувает салон, поддерживая нужную температуру даже с закрытыми окнами. Поступающий снаружи воздух может нагреваться двигателем, чтобы окна не запотевали.

Стандартная система отопления

Вентиляционная система современных автомобилей обеспечивает постоянный приток свежего воздуха и нагревает его при необходимости.

Поток воздуха

Воздух входит в большое отверстие, расположенное в передней части автомобиля. При движении в этой области создается давление, вталкивающее воздух в воздуховод. Затем воздух попадает в отопитель, который при необходимости нагревает его. Решетка для приема воздуха может располагаться в верхней части капота.

Воздух попадает в салон через отверстия, расположенные на приборной панели и в нижней части кузова. Вентиляторы можно повернуть так, чтобы они направляли потоки воздуха на водителя и пассажира, занимающего переднее сиденье.

В некоторых автомобилях предусмотрены вентиляторы, направляющие воздух на пассажиров, занимающих заднее сиденье.

Обратите внимание

Воздушный поток из отверстий в планке, расположенной в нижней части лобового стекла, препятствует его запотеванию. В более поздних моделях такая функция предусмотрена и для боковых стекол.

Во многих современных автомобилях воздуховоды снабжены клапанами, которые открываются и закрываются по необходимости.

В задней части корпуса предусмотрены выходные отверстия. При движении давление на них снижено, и воздух беспрепятственно выходит наружу.

Отопитель (печка)

В автомобилях с водяной системой охлаждения в корпус отопителя монтируется пучок труб. Получившийся небольшой радиатор принимает от двигателя горячую воду.

Захваченный воздух согревается при прохождении сквозь пучок труб с горячей водой.

В вентиляционной системе также присутствуют электровентиляторы, которые обеспечивают перемещение потоков воздуха, когда автомобиль стоит на месте или движется недостаточно быстро.

Электровентиляторы могут работать в разных режимах в соответствии с потребностями водителя и пассажиров.

Способы терморегуляции

Система отопления с водяными клапанами

В отопителе с водяными клапанами воздух проходит сквозь пучок труб. Температура в пучке определяется количество проходящей сквозь него горячей воды.

Система отопления на основе смешивания воздуха

В системе на основе смешивания воздуха трубы нагреваются до определенной температуры, и теплый воздух смешивается с холодным за счет движения створки.

Температура, до которой нагревается воздух, определяется водяными клапанами или системой смешивания.  Водяные клапаны часто встречаются в старых моделях.

Датчик температуры, расположенный на приборной доске, посылает сигнал крану, который регулирует количество горячей воды, подаваемой в трубы. Эта система медленно реагирует на изменения, поэтому установить точную температуру практически невозможно.

Трубы системы с воздушным отоплением нагреваются постоянно. Датчик температуры изменяет положение створки, которая смешивает уже нагретый воздух с холодным воздухом, захваченным извне.

Зачастую такая система может подавать холодный воздух на вентилятор для обдува лобового стекла, даже если все остальные вентиляторы работают с теплым воздухом.

Створки, контролирующие подачу воздуха в отопитель, можно запустить вручную, переключив рычаг, который находится на приборной панели и соединен со створками тросами.

В дорогих автомобилях можно увидеть электронные элементы управления, которые получают информацию от датчиков, установленных рядом с входными отверстиями.

Автомобили с воздушным охлаждением

В автомобилях с воздушной системой охлаждения двигателя воздух во внутреннем отопителе может согреваться при движении по охлаждающим ребрам рядом с горячим выпускным коллектором.

Благодаря системе смешивания с термочувствительными клапанами воздух доводится до нужной температуры и поддерживает комфортную атмосферу в салоне.

При необходимости воздух дополнительно подогревается с помощью устройства теплообмена, которое получает тепло при сжигании топлива.

Важно

В отличие от водяных систем, в воздушных системах теплообменник позволяет отопителю работать от двигателя. В остальном же способы распределения тепла идентичны.

Улучшаем вентиляцию салона ВАЗ 2110 | Каталог самоделок

Система вентиляции салона

Раннее туманное утро, пасмурная с дождиком погода, изморось с температурой около нуля градусов – и вот запотели или обмерзли стекла в десятке, ухудшилась видимость, ездить стало небезопасно.

Причиной запотевания могут быть:

  • забившийся салонный фильтр, через который перестал в достаточном количестве поступать наружный воздух;
  • плохая работа кондиционера, не справляющегося с осушением подаваемого воздуха;
  • просто наличие избытка влаги в салоне, например, от мокрых тканевых ковриков или обивки.

Но если все эти причины устранены, а обмерзание и запотевание победить не удалось, то можно попробовать доработать не очень удачную в десятом семействе систему вентиляции салона.

Поступает воздух в автомобиль через салонный фильтр из подкапотного пространства, перед нижним краем лобового стекла. А вот удаляется, в десятке, через вытяжку в дверях и естественные зазоры, и щели.

Более распространена и гораздо более эффективна вытяжка через багажник. Для седана, в меньшей мере для хетчбэка и универсала, это значит, что воздух из салона должен попастьв багажник, а уже из него наружу.

При изменении вентиляции «багажник вместо дверей» увеличивается скорость воздухообмена на 10–15%.

Это приводит к понижению температуры внутри автомашины на несколько градусов летом, повышению зимой, уменьшению запотевания стекол.

Для модернизации системы вентиляции нам необходимо будет сделать следующее:

  • Поставить заглушки на дверные вытяжки.
  • Подготовить отверстия в багажнике.
  • Установить в багажнике на вентиляционных выходах клапан.
  • Обеспечить воздухообмен из салона в багажник.
  • Закрываем вентиляционные отверстия в дверях

    В передних дверях снимаем обшивку и изнутри просто герметизируем решетки скотчем. Можно решетки демонтировать, отверстия изнутри проклеить звукоизоляционным материалом, а снаружи покрасить в цвет кузова.

    Для задних дверей можно заклеить изнутри вентиляционную решетку в пластиковой дверной накладке. На фото это сделано с помощью куска нетканого материала и клея.

    Чтобы устранить утечку воздуха из салона через естественные щели и увеличить эффективность вытяжки через багажник, желательно дверные уплотнители улучшить или поставить дополнительные.

    Делаем в багажнике дополнительные вентиляционные отверстия

    Моем машину, снимаем задний бампер, убираем его в сторону в надежное место.

    Выбираем для вырезания любое место под бампером, главное, чтобы оно:

    • с одной стороны открывалось в багажник;
    • с другой между ним и бампером было достаточно места для выхода потока воздуха;
    • по размерам совпадало с имеющимся клапаном.

    Размечаем, прикладывая клапан, сверлим углы, выпиливаем по размеру электролобзиком.

    Острые края обрабатываем мелким напильником, стараясь обеспечить плотную посадку клапана и не допустить попадания стружки и опилок внутрь багажника. Обезжириваем, грунтуем все места с голым металлом, через 2–4 часа дополнительно промазываем мовилем или другим антикором.

    После высыхания устанавливаем клапан, дополнительно можно использовать герметик для устранения зазоров между клапаном и металлом кузова.

    Совет

    Если расстояние между кузовом и бампером мало, то отверстия в самом бампере делать все равно не надо, достаточно убрать несколько ребер жесткости в месте выхода вытяжки.

    На фотографиях показаны возможные варианты мест под вентиляционные отверстия на ВАЗ 2110

    и ВАЗ 2111

     Устанавливаем клапан

    Клапан пропускает воздушный поток только в одну сторону, из салона наружу, и не позволяет выхлопным газам попасть внутрь автомобиля. Клапан выбирайте исходя из ваших возможностей и предпочтений. Можно использовать вытяжные дефлекторы штатные десятого семейства, от «Калины», классики, иномарок.

    На фото примеры клапанов от Мерседеса

    и Калины

    Умельцы могут сделать дефлектор с клапаном самостоятельно. Из пластикового короба-стойки для бумаг изготавливаем корпус, а из  диэлектрических перчаток шторку клапана. На фотографиях видны штатные решетки с прикрепленным самодельным дефлектором.

    Делаем доступ воздуха из салона в багажник

    Размещаем в задней полке решетки вентиляции салона от девятки или любые другие. Их выбор, место установки, количество и размеры определяются вашим дизайнерским вкусом.

    В хетчбэке и универсале можно сделать вентиляционные отверстия на боковых пластиковых накладках багажника. Можно просто аккуратно их прорезать, а можно установить решетку с небольшой глубиной и без клапана. Обратите внимание, большой резиновый коврик багажника не должен закрывать отверстия для вытяжки.

    Простые варианты сделать вентиляцию через багажник.

    Самый простой способ – удалить часть уплотнителя вокруг замка.

    Конечно, тут возможно проникновение пыли и влаги в багажник, особенно, если «прохватить» с ветерком по трассе, но вентиляция улучшится буквально после одной минуты работы острым ножом. Можно сделать вентиляционные отверстия непосредственно в крышке багажника.

    Но тут выше требования к качеству жестяных работ и окраске, ведь дефлекторы видны всем окружающим, а не спрятаны под бампером.

    Обратите внимание

    Для повышения пропускной способности некоторые автомобилисты устанавливают 12-вольтовые компьютерные кулеры.

    Осторожно, в этом варианте опасайтесь сквозняков. 

    Улучшить вентиляцию без больших переделок может помочь доработка штатной вытяжки в дверях. Используя половинку  дефлектора от «Калины» и небольшой лист вибропласта, можно переоборудовать заводские отверстия в передних дверях, и клапан не позволит холодному воздуху проникать с улицы в салон.

    Вентиляция через багажник эффективнее вентиляции через двери.

    После доработки, если все сделано правильно и аккуратно, стекла будут обмерзать и запотевать гораздо реже, летом в машине станет прохладнее, а зимой теплее.

    Но все равно следите, чтобы печка и кондиционер работали исправно, проверяйте качество дверных уплотнителей, вовремя меняйте салонный фильтр. И ваша машина будет надежной и комфортной.

    Эксперимент: система вентиляции салона автомобиля

    Система вентиляции салона

    Недавно мы отметили для себя, что вентиляция в салоне современного автомобиля очень схожа с вентиляцией квартиры, в которой установлен бризер. И решили произвести замеры концентрации СО2 в отечественном автомобиле «Калина» и тем самым определить, достаточно ли подаётся воздуха в салон?

    Информация будет полезна не только автолюбителям, но и владельцам квартир, так что «Прочёл сам — поделись с друзьями!».

    В современном автомобиле воздух, прежде чем попасть в салон, проходит специальную подготовку: очищается салонным фильтром, нагнетается вентилятором с регулировкой скорости, доводится до нужной температуры, вентилирует салон и покидает его через вытяжные отверстия в задней части авто.

    Мы произвели замеры CO2 в салоне нашего рабочего автомобиля «Калина». Чтобы чувствовать себя бодрым, необходимо дышать воздухом, в котором концентрация СО2 не более 1000 ppm. С приоткрытыми окнами у нас были практически уличные показания концентрации углекислого газа: около 400 ppm.

    Далее мы закрыли окна и включили вентиляцию на 1ю скорость. Вполне приемлемые показания, воздуха хватает для двоих взрослых людей, значения СО2 около 800 ppm.

    А затем включили вторую скорость вентилятора. Значения 670 ppm — хороший показатель! В салоне стало ещё свежее.

    Отключили вентилятор. Концентрация углекислого газа через 10 минут уже приблизилась к отметке 1000 ppm и продолжала расти! А более высокие концентрации CO2 вызывают сонливое состояние, потерю бдительности, рассеянность, замедление реакции! Так что не отключайте вентиляцию в авто!

    Важно

    Как жаль, что подобной системой подачи воздуха не оборудованы наши квартиры. В России при строительстве жилья в вопросах вентиляции до сих пор руководствуются нормами и правилами, написанными ещё в прошлом веке. И получаем в итоге картину такую: при закрытых окнах в квартире душно.

    А при открытых окнах вместе с воздухом в квартиру проникает пыль, шум, выхлопы и образуется сквозняк. На вопрос «как быть?» застройщики часто отвечают: периодически проветривать.

    Как думаете, удобно было бы в автомобиле раз в 10 минут приоткрывать/закрывать окно, чтобы получить порцию воздуха? Конечно нет! И в квартирах это делать крайне неудобно, поэтому никто не занимается частым проветриванием.

    И в большинстве случаев воздух в наших квартирах «нехороший» — концентрация CO2 выше 1000 ppm.

    «Хватит это терпеть!» — процитируем известного российского политика. Ведь технологии уже шагнули вперёд и появилась прекрасная возможность каждой семье «проапгрейдить» квартиру — установить современную систему вентиляции.

    Которая прогоняет воздух через систему фильтров, регулирует подачу необходимого количества, поддерживает температуру нагрева и имеет функции автоматизации! P.S. Сделанный ремонт — не помеха.

    Обратившись к нам, можете быть уверены, что монтаж будет проведён чисто и аккуратно.

    Устройство автомобилей

    Система вентиляции салона

    Вентиляция и отопление кузова предназначены для регулирования воздухообмена и температуры воздуха в салоне (кабине) автомобиля. При этом предусматривается система, препятствующая запотеванию и обмерзанию стекол.

    Многие современные автомобили, особенно легковые, оборудуются системами кондиционирования воздуха и системами «климат-контроль», позволяющими водителю и пассажиру чувствовать себя в таком автомобиле комфортно при любых погодных условиях.

    Устройство систем отопления различных типов кузовов и кабин рассмотрим на примере конкретных марок отечественных автомобилей.

    ***

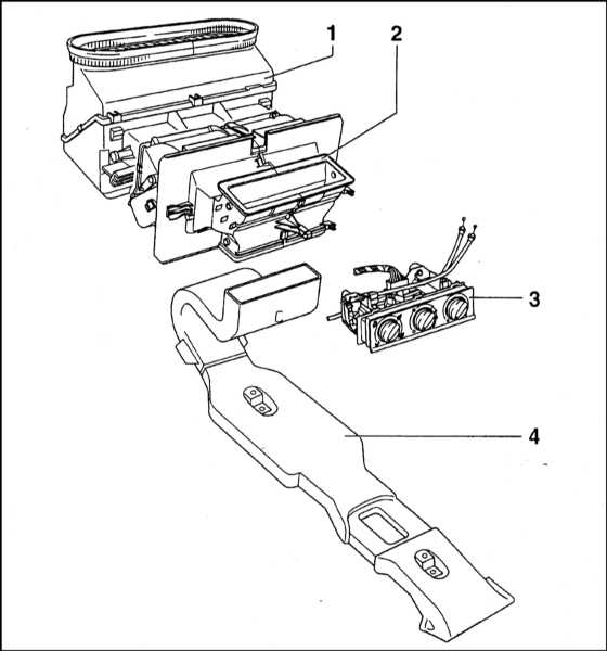
    Отопление кабины автомобиля «КамАЗ»

    Отопление кабины грузового автомобиля марки «КамАЗ» – жидкостное, от системы охлаждения двигателя, с принудительной подачей воздуха. В него входят радиатор 27 отопителя (рис.

    1), вентиляторы, воздухораспределитель 25, кран 30, подводящие патрубки 11, 12, 28 и 29 и привод управления 18.

    Радиатор 27 отопителя размещается в нише панели передка с внешней стороны кабины, а два рабочих колеса 9 вентилятора центробежного типа с воздухораспределителем 25 – на панели передка внутренней стороны и закрыты пластмассовым кожухом 10.

    Совет

    Горячая жидкость поступает из рубашки охлаждения головки блока цилиндров 13 по подводящим патрубкам 11, 12, 29 через кран 30, который расположен на передней панели 32 кабины рядом с радиатором.

    По подводящему патрубку 28 горячая жидкость из системы охлаждения двигателя поступает в нижнюю часть радиатора отопителя, где отдает тепло для обогрева салона и по сливному патрубку из верхней части радиатора направляется во всасывающую полость жидкостного насоса системы охлаждения двигателя.

    Кран отопителя регулирует количество поступающей в радиатор жидкости из системы охлаждения двигателя и приводится в действие гибкой тягой 5 от верхнего рычага 19 на щитке привода 18 под панелью приборов слева от водителя.

    При крайнем левом положении рычага кран полностью перекрыт и жидкость из системы охлаждения в радиатор отопителя не поступает – отопление выключено.

    При перемещении рычага 19 вправо количество подаваемой в радиатор жидкости увеличивается.

    Наружный воздух через решетку облицовочной панели кабины поступает к радиатору отопителя, нагревается и вентилятором через воздухораспределители подается по шлангам 24 к соплам 23 обдува ветрового стекла, к вращающимся дефлекторам 16 на панели приборов и при поднятой заслонке 26 распределителя к ногам водителя и пассажиров. Вращающиеся дефлекторы 16 позволяют направлять воздушный поток на окна дверей, на водителя, пассажиров или дополнительно на ветровое стекло.

    Заслонки воздухораспределителя приводятся в действие гибкими тягами от двух нижних рычагов 20 на щитке привода. Мощность воздушного потока, поступающего через радиатор отопителя в кабину (салон), регулируется переключением частоты вращения электродвигателя вентиляторов.

    ***

    Устройство и принцип действия отопителя салона легкового автомобиля марки «ВАЗ» (рис. 2) аналогичен вышеописанному. Воздух поступает к радиатору отопителя через коробку 8 воздухопритока, а в нее снаружи через продольные отверстия воздухозаборной решетки капота.

    Крышка 3 воздухопритока, управляемая рукояткой 17, позволяет регулировать количество поступающего воздуха. Принудительное нагнетание воздуха обеспечивается вентилятором осевого или центробежного типа. Количество поступающей в радиатор отопителя жидкости регулируется краном 9, который управляется рычагом 18.

    Обратите внимание

    Воздух поступает в салон через верхние поворотные дефлекторы 1 и воздухопроводы 2, 14.
    При воздействии на рычаг 15 закрывается или приоткрывается крышка 10 воздухораспределителя, при этом воздух целиком поступает через дефлекторы 1 (при закрытой крышке) или частично через воздухопровод 14 к ногам водителя и пассажиров (при открытой крышке).

    Принципиальная схема работы отопителя приведена на рисунке ниже.

    При использовании системы отопления следует учитывать, что в современных автомобилях забор воздуха, проходящего через радиатор отопителя, может осуществляться из внешней среды за пределами кузова, или из внутреннего объема кузова.

    В последнем случае прогрев воздуха в салоне (кабине) будет более интенсивным, но при этом возможно запотевание стекол автомобиля, поскольку воздух внутри салона имеет повышенную влажность из-за дыхания находящихся в нем водителя и пассажиров, и конденсат оседает на стеклах, лишая их прозрачности.

    Чтобы избавиться от запотевания стекол следует переключиться на воздухозабор извне салона, или приоткрыть стекла (вентиляционный люк) в кабине или салоне автомобиля.

    ***

    Отопление салона автобусов

    Отопление салона автобусов осуществляется с помощью калориферной системы, в которой теплый воздух поступает от радиатора системы охлаждения двигателя в отопительные каналы кузова и далее в салон и кабину водителя.

    Кроме системы обогрева салона, зависимой от системы отопления двигателя, в современных автобусах применяются автономные (независимые) и конвекторные (встроенные) отопители салонов. Автономные модели бывают жидкостные или (чаще) воздушные.

    Они способны нагревать кабину автомобиля или салон автобуса независимо от работы двигателя. Конвекторный тип обогревателя применяется перед включением двигателя и используется, не запуская его, для предварительного подогрева.

    Воздушный отопитель представляют собой камеру, где сгорает топливо (газ, бензин или дизельное). Отопитель устанавливается внутри салона автобуса или вне его, а для того, чтобы угарный газ, выделяемый в результате работы агрегата, не проникал в салон, его отводят наружу.

    Забор холодного воздуха может осуществляться с улицы или непосредственно из салона.

    Принцип работы отопителя достаточно прост – через нагретую камеру, где сгорает топливо или пластинчатый теплообменник, имеющий повышенную теплоотдачу (по типу радиаторов в доме) проходит нагнетаемый вентилятором воздух.

    При этом теплообменник отдает ему свое тепло и на выходе из отопителя дует горячий воздух.

    Важно

    Современные конструкции обогревателей салонов автобусов создаются с учетом требований комфорта и безопасности, при этом они способны обогревать салон автобуса, даже если откажет двигатель.

    ***

    Вентиляция кабины и салона

    Вентиляция кабины грузового автомобиля «КамАЗ» осуществляется с помощью поворотных форточек, опускных стекол дверей и вентиляционного люка крыши (естественная вентиляция). Вентиляционный люк 5 (рис.

    3) может иметь четыре фиксированных положения, создавая или нагнетающую, или эжекционную вентиляцию. Возможна вентиляция через систему отопления летом при отключенном кране отопителя.

    С помощью вентиляторов отопителя можно создать принудительную вентиляцию в кабине.

    Легковые автомобили имеют естественную приточную и вытяжную вентиляцию салона кузова. Естественная вентиляция происходит при опускании стекол дверей и открывании поворотных форточек в окнах дверей (при наличии).

    Приточная вентиляция осуществляется через воздухозаборник 1 и систему отопления, а вытяжная – через отверстия 3 на боковинах кузова и перфорированную облицовку 2 внутренней поверхности крыши.

    Системы вентиляции кузова современных легковых автомобилей оснащаются фильтрами для очистки поступающего в салон воздуха.

    Вентиляция салона кузова автобуса осуществляется с помощью системы отопления, открывающихся боковых окон, вентиляционных люков 5, расположенных в крыше, и воздухозаборника 4, расположенного под козырьком передней части автобуса.

    ***

    Защита кузова от коррозии

    Главная страница

    Специальности

    Учебные дисциплины

    Олимпиады и тесты

    Hyundai Solaris

    Система вентиляции салона

    Система отопления (кондиционирования) и вентиляции салона, установленная на автомобиле Hyundai Solaris, эффективно действует при закрытых окнах и представляет собой единый комплекс, обеспечивающий максимально комфортные условия в автомобиле независимо от погодных условий и температуры окружающей среды. Температура в салоне регулируется смешиванием холодного и горячего воздуха. Блок охлаждения системы кондиционирования снижает температуру и влажность воздуха, очищает его от пыли. Отопитель повышает температуру воздуха при любых режимах работы системы.

    Система отопления (кондиционирования) и вентиляции салона обеспечивает малоинерционное регулирование температуры воздуха, практически не зависящее от скорости движения автомобиля. Количество поступающего в салон воздуха в основном определяется режимом работы вентилятора, поэтому его нужно включать даже во время движения с высокой скоростью.

    В зависимости от комплектации на автомобиль устанавливают блок управления системой отопления (кондиционирования) и вентиляции с ручным управлением или автоматическую систему управления микроклиматом (климат-контроль).

    Наружный воздух может поступать в салон через окна дверей при опущенных стеклах и воздухозаборник, расположенный перед ветровым стеклом.

    Воздух из воздухозаборника может поступать в салон автомобиля через сопла обдува ветрового стекла, боковые, центральные и нижние сопла.

    Направление потока воздуха вверх-вниз изменяют поворотом рукоятки вверх-вниз.

    Направление потока воздуха влево-вправо изменяют поворотом рукоятки влево-вправо.

    Управление системой отопления (кондиционирования) и вентиляции в ручном режиме осуществляется нажатием и поворотом соответствующих выключателей и регуляторов.

    1. Регулятором 1 (рис. 1) установите желаемую температуру подаваемого в салон воздуха.

    Рис. 1. Блок управления системой отопления (кондиционирования) и вентиляции с ручным режимом управления:

    Совет

    1 – регулятор температуры поступающего в салон воздуха; 2 – переключатель режимов работы электровентилятора; 3 – выключатель системы кондиционирования; 4 – регулятор выбора режима распределения воздушных потоков; 5 – выключатель режима рециркуляции

    2. На автомобилях, оборудованных системой кондиционирования, для охлаждения воздуха, поступающего в салон автомобиля, нажмите на клавишу 3 выключателя системы. Для выключения системы кондиционирования повторно нажмите на клавишу.

    3. Для выбора скорости вращения вентилятора поверните переключатель 2 режимов работы электровентилятора в соответствующее положение.

    4. Для выбора режима распределения воздушных потоков поверните регулятор 4 в одно из пяти положений.

    5. Для обеспечения циркуляции воздуха внутри салона нажмите на клавишу 5 выключателя режима рециркуляции.

    Поступление наружного воздуха в салон прекращается, и вентилятор обеспечивает циркуляцию воздуха внутри салона.

    Этот режим используют для быстрого прогрева салона в холодное время года, а также при повышенной запыленности и загазованности окружающего воздуха. При повторном нажатии на клавишу режим рециркуляции отключается.

    Настройка автоматической системы управления микроклиматом осуществляется простой установкой необходимого значения температуры в салоне. Отоплением и кондиционированием можно управлять и в ручном режиме.

    Обратите внимание

    В таком случае система последовательно переключается в те режимы, которые выбраны в порядке переключения их кнопками.

    Рис. 2. Автоматическая система управления микроклиматом:

    1 – регулятор температуры поступающего в салон воздуха; 2 – клавиша включения режима автоматического управления системой отопления (кондиционирования) и вентиляции салона; 3 – клавиша выключения режима автоматического управления системой отопления (кондиционирования) и вентиляции салона; 4 – дисплей; 5 – регулятор скорости вращениия электровентилятора; 6 – выключатель режима рециркуляции; 7 – выключатель кондиционера; 8 – клавиша выбора режима распределения воздушных потоков; 9 – выключатель обогрева зоны покоя очистителей ветрового стекла

    ПОЛЕЗНЫЕ СОВЕТЫ

    Для более эффективного действия вентиляции и отопления при скорости движения автомобиля менее 50 км/ч и при проезде очень запыленных участков дорог с закрытыми окнами (для создания избыточного давления воздуха в салоне, предотвращающего подсос пыли) рекомендуем включать переключателем вентилятор отопителя на малую или максимальную скорость.

    Для ускоренного устранения запотевания стекла двери задка и освобождения его от наледи и снега включите обогрев стекла.

    Если вы не используете кондиционер продолжительное время, необходимо раз в неделю ненадолго включать его при работающем двигателе для восстановления слоя смазки на деталях компрессора и уплотнениях.

    Вентиляция салона Хендай Солярис: устройство системы вентиляции

    Система вентиляции салона

    Корейские автомобили – это не просто транспортное средство, а уникальная и качественная система, каждый элемент которой выполняет свои функции. Многие отмечают, что она наиболее четко проявляется в Хендай Солярис, ведь машина является образцовым представителем корейского автопрома. Элементов много, но в данной статье будет рассмотрено только устройство вентиляции салона.

    Устройство системы вентиляции автомобиля

    В базовой комплектации такого автомобиля всегда находится система отопления и вентиляции, также за дополнительную плату можно установить кондиционер. Такие элементы создают наиболее приятные и комфортные условия пребывания в салоне машины не зависимо от поры года и погодных условий.

    Само устройство состоит из нескольких элементов: отопителя (радиатор), воздуховодов, вентилятора, а также дефлектора. В зависимости от включенного режима, воздух охлаждается или нагревается. В радиаторе охлаждающая жидкость находится в постоянной циркуляции, и в зависимости от положения заслонки влияет на температуру воздуха.

    После чего при помощи вентиляторов воздух доставляется в салон автомобиля по воздуховодам. Сам вентилятор находится в отдельном корпусе, который имеет плотное соединение с патрубками воздуховода. Стоит отметить, что в корпусе вентилятора имеется заслонки, которые позволяют проводить рециркуляцию воздуха. Также в данной конструкции установлен специальный резистор.

    Благодаря применению такого резистора, появляется возможность регулировать интенсивность подачи воздуха. В данной модели имеется четыре положения скорости потока воздуха, который поступает в салон автомобиля. Для того чтобы ускорить подогрев салона и предотвратить возможность поступления воздуха из вне включается в система рециркуляции воздуха.

    Распределение потоков вентиляционной системы

    Вентиляция салона имеет стандартную для многих корейских автомобилей систему распределения воздухопотоков.

    Наружный воздух поступает через воздухозаборник, а попадает в салон через сопла, которые расположены: вверху для обдува лобового стекла, боковые верхние, боковые нижние, а также центральные.

    Направление воздуха можно регулировать в нескольких направлениях. Во-первых, по сторонам влево-вправо, вниз-вверх. Во-вторых, в зависимости от открытия, закрытия створок выходов.

    Управление заслонками может осуществляться как механически, так и автоматически. В некоторых моделях имеется электропривод распределительных заслонок. Воздух завершает свой путь, выходом через специальные клапаны, который располагаются в боковых отсеках заднего бампера.

    Управление вентиляцией воздуха в салоне авто

    В Хендай Солярис имеется классическая схема воздействия на отопление и вентиляцию воздуха. Управление состоит из нескольких кнопок, а также нескольких регуляторов (крутилок). Снизу на панели расположены три кнопки, которые отвечают за следующее:

  • A/C (крайняя левая) – кнопка, которая отвечает за включение отключение кондиционирование салона. Зеленый индикатор показывает, что система включена. Основная функция – охлаждение воздуха. Стоит отметить, что данное устройство не будет включаться, если температура воздуха ниже -8 градусов;
  • По центру располагается кнопка аварийной сигнализации, которая никак не влияет на вентиляцию салона;
  • Крайняя правая кнопка отвечает за обогрев боковых зеркал и заднего стекла.
  • Чуть выше данных кнопок располагается три регулятора, которые отвечают за температуру воздуха, интенсивности подачи, а также режим обдува. Последняя крутилка может располагаться в одном из пяти положений: обдув лобового стекла, обдув ног и лобового стекла, обдув ног, обдув ног и лица, а также только лица.

    Выбор режима действия вентиляции салона зависит от скорости движения автомобиля. При движении менее 50 километров в час режим обдува должен устанавливаться на минимальном либо максимальном уровне.

    Проблемы, возникающие в ходе эксплуатации вентиляционной системы

    В данной модели транспортного средства выделяют 3 основные проблемы, который возникают при длительной эксплуатации автомобиля: первая из них связана с засорение радиатора, вторая с выходом фильтров вентиляции, а третий с выходом воздуха.

    Решить первую проблему состоятельно не удастся, необходимо специальное оборудование, по прокачке системы радиатора. Делать такую процедуру стоит в теплое время суток. Сначала происходит слив жидкости, после чего при помощи специального устройства происходит прокачка всей системы. Удаляется грязь из устройства. Далее заливается свежая термостатная жидкость и проблема решена.

    Такую процедуру необходимо выполнять, когда салон машины не прогревается. Такая же проблема возникает при засорении фильтров вентиляции. Менять их необходимо у специалистов, стоимость такой услуги не значительная.

    Последняя проблема очень распространена в старых версиях автомобиля. Воздух полностью не выходит через специальные выходы, которые расположены в багажнике авто. Из-за этого окна в салоне начинают запотевать, появляется неприятное чувство повышенной влажности.

    Важно

    Решить эту проблему можно самостоятельно, сделав дополнительные отверстия в специальных местах. Остальные проблемы более редкие, поэтому можно отнести их к исключительным случаям.

    Доработка вентиляции салона ВАЗ 2110

    Система вентиляции салона

    Всем владельцам десяток известна проблема запотеваний стекол в дождливое время года, а так же обмерзание окон в зимнее. Причин таких проблем несколько и одна из них связанна с плохой вентиляцией салона ВАЗ десятого семейства.

    Расмотрим, как можно модернизировать вентиляцию в лучшую сторону.

    Вентиляция салона автомобиля (вытяжка воздуха) может быть построена различными способами (например, через двери или багажник).

    В ходе испытаний было выявлено, что вытяжка сделанная через багажник эффективнее вытяжки через двери автомобиля.

    Переделанная система вентиляции “с дверей на багажник” дает увеличение скорости потока воздуха в салоне на 11%. В летнее время температура в салоне снижается на 1-2С, а зимой поток воздуха увеличивается на 15% и повышается температура на 3С.Так же после вытяжки через багажник заметно меньше потеют или обмерзают окна.

    Вентиляция салона ВАЗ 2110 организованна через передние и задние двери, а на новых ВАЗ 2110-12 вытяжки в дверях уже закрыты, но в багажнике вытяжных решеток тоже нет ! Как же происходит вентиляция салона ? Дело в том, что в русских машинах вентиляция осуществляется через естественные щели и зазоры..

    🙂

    Итак, если у Вас проблемы с запотеванием в дождик и в этом не виноват старый фильтр салона или мокрые коврики, а зимой постоянно замерзают задние стекла.. Тогда стоит попробовать доработать вентиляцию салона на вытяжку через багажник.

    Смысл такой модернизации прост:

  • Закрыть вытяжки в дверях.
  • Сделать отверстия для вытяжки в багажнике
  • Установить клапан
  • Организовать доступ из салона к клапану
  • Т.к. вытяжки в дверях больше не будет, то сквозняка около ног больше не будет.Теперь подробно по каждому из трех пунктов: Закрыть вентиляцию в передних дверям можно по разному: например, заклеить решетки в дверях изнутри скотчем или залепить вибро-материалом и покрасить в цвет кузова. Внутри двери ржаветь ничего не будет, т.к. обработано антикором.
    В задних дверях тоже смотрите по возможностям. Вот пример как простой тряпкой заклеили вытяжное отверстие в пластиковой накладки двери.

    Т.к. ВАЗ сделал вентиляцию и через естественные щели, то нужно доработать дверные уплотнители или установить дополнительные, чтобы поток воздуха не покидал салон из этих самых щелей 🙂

    Тогда эффект вытяжки через багажник будет лучше. Первым делом нужно помыть машину, тогда работать будет на много приятнее и мараться почти не придется.
    Снимаем задний бампер и ложем его на тряпки, чтобы не поцарапать.

    В зависимости от года выпуска на кузове под бампером могут быть подштамповки, либо их не окажется. 
    Но это не страшно, под вырез можно выбрать любое место под бампером, главное чтобы между кузовом и бампером в том месте было достаточное место для потоков воздуха..

    Снимаем размеры купленного клапана и помечаем на кузове места для выреза.

    Далее прикрываем поверхности от металлических стружек внутри багажника, иначе стружки могут дать ржавчину при попадании влаги..

    Делаем отверстия дрелью по углам и вырезаем прямоугольник электролобзиком.
    Острые края обрабатываем напильником и примеряем клапан (клапан должен плотно сесть в отверстие без зазоров, иначе будет попадать вода)
    Обезжириваем отверстие и грунтуем. После высыхания грунтовки промазываем мовилем. Таким образом ржавчины не будет.
    После подсыхания устанавливаем клапан.

    Если места между клапаном и бампером мало, то можно вырезать пару ребер жесткости внутри бампера для больше площади вентиляции.

    В самом бампере отверстия делать не нужно, под бампером достаточно щелей чтобы вентиляция работала..

    В ВАЗ 2110 можно использовать эти места для вырезов

    В ВАЗ 2111 места подштамповок лучше не использовать для вентиляции, т.к. они очень близко располагаются к местам крепления катафотов на бампере. Лучше выбрать место ближе к центру или по бокам.

    Для чего нужен клапан ?
    Клапан построен таким образом, чтобы пропускать поток воздуха только в одну сторону.Можно конечно оставить отверстие в кузове и ничем его не прикрывать, либо поставить декоративную решетку, но тогда никто не даст гарантии, что выхлопные газы не попадут через отверстие в салон..Клапан можно использовать любой:

    • 21120-8104101-00 (Дефлектор вытяжной вентиляции левый)
    • 21120-8104100-00 (Дефлектор вытяжной вентиляции правый)
    • 1118-8104114 (вытяжной дефлектор от калины)
    • 21120-8104102-00 (дефлектор)
    • 21120-8104103-00 (дефлектор) 
    • 21120-8104102/03 (дефлектор)
    • клапана от классики
    • номер A 170 830 00 42 (дефлектор мерседеса) на сайте exists.ru 

    Пример установки дефлектора от мерседеса:

    Калиновский дефлектор:

    Цена примерно 250р за пару. Хотя в некоторых местах цены сильно задирают, либо ничего вообще не знают о таких клапанах дефлекторах.

    Не нашли в магазине ? Тогда можно заказать дефлекторы в интернет-магазине.

    Или сделать клапан (дефлектор) самому.Вырезать из пластика вертикальной стойке для бумаг такой короб и шторку для предотвращения забора воздуха с улицы диэлектрических перчаток.Либо просто прикрыть отверстия с улицы материалом от тех же рукавиц или перчаток.

    Для того, чтобы поток воздуха выходил из багажника нужно обеспечить туда доступ.
    Вариантов много, можно в заднюю полку установить решетки вентиляции салона от ВАЗ 2109. Либо найти любую другую подходящую решетку. 
    В ВАЗ 2111-12 можно сделать доступ через боковые пластиковые накладки, а также позаботиться, чтобы в багажнике коврик не закрывал отверстия.
    Самый простой вариант сделать вентиляцию салона через багажник – это срезать около замка багажника часть уплотнителя.

    Так же сделать вытяжку через багажник можно не снимая бампер сделав отверстия в крышке багажника.

    Вариант установки обычных компьютерных кулеров в отверстия для вытяжки воздуха для тех, кому хочется увеличить потоки воздуха в салоне 🙂
    Аккуратно, смотрите чтобы Вас не продуло 🙂 Если Вы не решились переделывать вытяжку салона через багажник, тогда можно доработать вентиляцию через двери.Смысл в том, что Вы ставите такой же клапан что и в багажнике. Таким образом воздух через передние двери будет ТОЛЬКО выходит, а с улицы поступать уже не будет. То есть теплее ногам и вентиляция есть..Использовался вибропласт и половина дефлектора от Калины. Вентиляция через багажник имеет однозначные плюсы. Если Вы все сделали правильно по инструкции, то хуже от такой доработки вентиляции точно не будет.  А чтобы положительный эффект от вытяжки через багажник был лучше, нужно позаботиться о том, что печка в машине работала исправно (по возможности ее нужно доработать), фильтр салона был новый (либо отсутствовал 🙂 ) и желательно иметь хорошие дверные уплотнители.. Только при комплексном подходе к вопросу из него выжимается максимально пользы !

    Я сделал доработку вентиляции салона автомобиля и..

    Источник фото:

    Ключевые слова:

    Интересный сайт? Поделись с друзьями

    Система отопления и вентиляции салона Subaru Forester

    Система вентиляции салона

    Система отопления и вентиляции салона — общая информация
    Subaru Forester

    Сборка управления функционированием системы отопления и вентиляции салона имеет
    кнопочное исполнение и расположена в центральной части панели приборов.

    Панель управления функционированием систем отопления, вентиляции и
    кондиционирования салона

    Система оборудована комплектом воздухораспределительных заслонок. Регулировка температуры подаваемого в салон воздуха осуществляется за счет смешивания холодного

    воздуха с нагретым путем продувания сквозь теплообменник отопителя.

    Подача воздуха в салон осуществляется за счет напора, развиваемого набегающим потоком воздуха во время движения автомобиля, а также при помощи специального вентилятора через центральные и боковые дефлекторы панели приборов, воздуховоды передних ножных колодцев сопла обдува стекол. На некоторых моделях дополнительно

    Совет

    установлены рукава подачи воздуха в ножные колодцы задних пассажиров.

    Активация вентилятора системы отопления становится возможной только при включенном зажигании (в цепь питания электродвигателя включено специальное реле). Выбор одного из четырех скоростных режимов функционирования вентилятора производится при помощи

    специальной рукоятки панели управления.

    Регулировка температуры подаваемого в салон воздуха осуществляется при помощи расположенной в левой части панели управления поворотной рукоятки. Регулировка производится в диапазоне от синего диапазона шкалы до красного.


    Выбор направлений раздачи воздуха

    Посредством второй поворотной рукоятки панели приборов осуществляется выбор направления раздачи воздуха. Рукоятка регулятора имеет пять фиксированных положений. Принцип

    функционирования рукоятки представлен на сопроводительной иллюстрации.

    Посредством верхнего рычага управления панели осуществляется переключение режимов циркуляции воздуха (замкнутая циркуляция/подача наружного воздуха).

    При переводе рычага в крайнее левое положение подача в салон наружного воздуха полностью перекрывается и система переходит в режим замкнутой вентиляции.

    Данный режим позволяет осуществить быстрый прогрев салона в холодную погоду, а также предотвращает попадание внутрь

    автомобиля дурно пахнущего воздуха.

    Включение режима замкнутой циркуляции на длительное время может привести к запотеванию стекол, кроме того, ввиду ограниченности объема замкнутый в салоне воздух быстро становится

    спертым.

    Не забывайте отключать режим замкнутой циркуляции, когда надобность в
    нем отпадает!

    Перевод рычага в крайнее правое положение приводит к возобновлению подачи
    в салон наружного воздуха.

    Обратите внимание

    Расположенный в средней части панели управления рычажный переключатель позволяет осуществить выбор скоростного режима функционирования вентилятора отопителя.

    Переключатель имеет четыре фиксированных положения: перевод рычага в крайнее левое положение (OFF) приводит к отключению вентилятора, при этом подача воздуха в салон осуществляется лишь за счет напора, развиваемого набегающим потоком воздуха во время движения автомобиля. Положения 1, 2, 3 и 4 соответствуют различным скоростным режимам вращения

    вентилятора (по возрастающей).

    Ниже рычага выбора скоростного режима вентилятора находится кнопка включения кондиционера воздуха. Кнопка оборудована встроенной контрольной лампой, которая загорается при включении системы кондиционирования. Отключение кондиционера производится повторным нажатием

    той же кнопки.

    Управление дефлекторами вентиляционных решеток

    Принцип управления дефлекторами панели приборов

    Дефлекторы центральных и боковых воздуховодов панели приборов оборудованы специальными поворотными жалюзийными решетками, позволяющими регулировать направление подачи воздушного потока как в горизонтальной, так и в вертикальной плоскостях. Управление дефлекторами осуществляется при помощи встроенных в решетку сопел кольцевых рукояток, интенсивность подачи воздуха через боковые сопла регулируется встроенным в облицовку

    дефлектора кольцевым регулятором.

    Инструкции по использованию систем вентиляции, отопления и
    кондиционирования воздуха

    Ниже приведены подробные инструкции по эксплуатации систем отопления, вентиляции и кондиционирования воздуха в различных климатических условиях. Вниманию читателя представлена информация о том, как обеспечить эффективную вентиляцию, отопление и охлаждение воздуха в салоне автомобиля, а также о том, как быстро удалить со

    стекол конденсат и иней.

    Все рассматриваемые системы функционируют только при запущенном двигателе. В качестве рабочего тела для отопителя используется охлаждающая жидкость двигателя. Если двигатель не прогрет до нормальной рабочей температуры, потребуется несколько минут, прежде чем в салон начнет подаваться теплый воздух. Работа системы кондиционирования

    воздуха не зависит от температуры охлаждающей жидкости двигателя.

    В абсолютном большинстве случаев наилучшая эффективность функционирования систем, обеспечивающих комфортный микроклимат, достигается в режиме подачи в салон наружного воздуха.

    Длительное включение режима замкнутой циркуляции, особенно при неработающем кондиционере воздуха, приводит к запотеванию стекол и повышению спертости воздуха, поэтому рекомендуется включать данный режим только в случае необходимости и на относительно непродолжительное время, например, при движении по местности с задымленной или загрязненной атмосферой. Как только необходимость изоляции салона отпадет,

    подача в салон свежего воздуха должна быть возобновлена.

    Наружный атмосферный воздух поступает в системы отопления и кондиционирования через приемную решетку, расположенную перед ветровым стеклом и оснащенную обтекателем. Периодически прочищайте отверстия приемной решетки от листьев и прочего мусора,

    затрудняющего прохождение воздуха.

    Важно

    Вентиляция салона автомобиля

    Система приточно-вытяжной вентиляции обеспечивает постоянный обмен воздуха в салоне автомобиля. Свежий наружный воздух, поступающий через переднюю приемную решетку, циркулирует по салону и затем удаляется через выходные отверстия, расположенные

    вблизи заднего стекла.

    a) Поверните рукоятку регулятора температуры воздуха против часовой стрелки до упора. Проверьте, чтобы кондиционер воздуха был выключен; b) Установите рукоятку переключения направлений подачи

    воздуха в положение.

    Режим замкнутой циркуляции воздуха должен быть выключен; c) С помощью рукоятки выбора скоростного режима вентилятора

    установите требуемую интенсивность подачи воздуха в салон автомобиля.

    Охлаждение воздуха в салоне автомобиля

    Охлаждение салона производится следующим образом:

    a) Включите кондиционер воздуха, нажав на кнопку “А/С”, — должна загореться встроенная в выключатель контрольная лампа; b) Проверьте, чтобы рукоятка регулятора температуры воздуха была повернута в крайнее левое положение. c) Установите рукоятку переключения направлений подачи

    воздуха в положение;

    d) При высокой влажности наружного воздуха включите режим замкнутой циркуляции, при низкой влажности, — режим притока свежего воздуха; e) С помощью рукоятки выбора скоростного режима вентилятора

    установите требуемую интенсивность подачи воздуха в салон.

    Если автомобиль простоял длительное время на солнце и воздух в салоне сильно нагрелся,
    быстро снизить температуру в салоне следующим образом:

    a) Запустите двигатель; b) Включите кондиционер воздуха. Проверьте, чтобы рукоятка регулятора температуры воздуха была повернута в крайнее левое положение; c) С помощью рукоятки выбора скоростного режима вентилятора установите максимальную интенсивность подачи воздуха в салон; d) Частично приоткройте окна и поверните рукоятку переключения

    направления раздачи воздуха в положение.

    Включите режим притока свежего воздуха.

    После того как температура воздуха в салоне снизится до приемлемого уровня, закройте
    окна и установите нормальный режим кондиционирования воздуха.

    Работа системы кондиционирования воздуха приводит к повышению нагрузки на двигатель автомобиля, поэтому следует внимательно следить за стрелкой указателя температуры охлаждающей жидкости, двигаясь с частыми остановками и на малой скорости в условиях напряженного городского цикла, либо преодолевая затяжные подъемы значительной крутизны. При приближении стрелки указателя красному диапазону шкалы, временно выключите кондиционер воздуха до тех пор, пока температура двигателя не вернется

    в норму.

    Отопление салона автомобиля

    Совет

    Для того чтобы поднять температуру воздуха в салоне автомобиля, выполните следующие
    манипуляции.

    a) Запустите двигатель; b) Установите рукоятку переключения направлений раздачи

    воздуха в положение.

    Режим замкнутой циркуляции воздуха должен быть выключен; c) С помощью рукоятки выбора скоростного режима вентилятора установите требуемую интенсивность подачи воздуха в салон; d) Поворачивая рукоятку регулятора температуры воздуха

    в ту или иную сторону, установите желаемую степень подогрева воздуха.

    Отопление салона с одновременным осушением воздуха с помощью
    кондиционера

    При работе системы кондиционирования влажность воздуха в салоне автомобиля снижается, поэтому одновременное включение систем отопления и кондиционирования позволяет

    сделать воздух в салоне автомобиля теплым и сухим.

    a) Включите вентилятор; b) Включите кондиционер воздуха; c) Установите рукоятку переключения направлений раздачи

    воздуха в положение.

    Режим рециркуляции воздуха должен быть выключен. d) Поворачивая рукоятку регулятора температуры воздуха в ту или иную сторону, установите желаемую степень подогрева поступающего в салон воздуха. В данном режиме холодный воздух из кондиционера смешивается с теплым

    воздухом из отопителя.

    Совместное включение систем отопления и кондиционирования воздуха можно применять
    в любых условиях движения, когда температура окружающего воздуха выше 0°С.

    Удаление со стекол конденсата и инея

    Очистить внутренние поверхности стекол от конденсированной влаги можно следующим
    образом:

    a) Включите вентилятор; b) При соответствующей комплектации автомобиля включите кондиционер воздуха; c) Установите рукоятку переключения направлений раздачи

    воздуха в положение.Режим

    Обратите внимание

    замкнутой циркуляции воздуха должен быть выключен. Некоторые варианты исполнения автомобиля предусматривают возможность автоматического включения режима подачи свежего воздуха и его кондиционера путем установки рукоятки переключения направлений

    раздачи воздуха в положение;

    d) Поверните рукоятку регулятора температуры воздуха в такое положение, чтобы теплый воздух подавался через сопла обдува ветрового стекла; e) Включите электрообогреватель заднего стекла для более быстрого удаления конденсированной влаги с его поверхности. На некоторых вариантах исполнения автомобиля, если рукоятка переключения направлений раздачи воздуха

    находится в любом положении кроме,

    кондиционер воздуха остается включенным. Для выключения кондиционера нажмите кнопку

    А/С.

    Для того чтобы удалить с наружной поверхности ветрового и боковых стекол иней или лед, образовавшиеся после стоянки автомобиля на улице в морозную погоду, выполните

    следующие манипуляции:

    a) Включите зажигание, повернув ключ в замке в положение “ON” (II); b) Установите рукоятку переключения направлений раздачи

    воздуха в положение.

    Режим замкнутой циркуляции воздуха должен быть выключен. Некоторые варианты исполнения автомобиля предусматривают возможность автоматического включения режима подачи свежего воздуха и кондиционера, путем установки рукоятки переключения режимов

    направления раздачи в положение;

    c) Поверните рукоятку регулятора температуры воздуха в крайнее правое положение (максимальный подогрев воздуха) и включите вентилятор на максимальную скорость;

    d) Запустите двигатель автомобиля.

    Для ускорения очистки ветрового стекла от инея или льда в очень холодную погоду рекомендуется сначала включить режим замкнутой циркуляции воздуха. После того как ветровое стекло освободится от наледи, возобновите подачу свежего воздуха

    с целью предотвращения запотевания стекол.

    В режиме обдува стекол весь подаваемый в салон воздуха поступает через щелевые сопла, расположенные сверху на панели приборов у основания ветрового стекла, а также через боковые вентиляционные дефлекторы панели приборов.

    Температура воздуха, обдувающего стекла, и скорость очистки стекол увеличиваются по мере прогрева двигателя.

    Для ускорения процесса удаления с ветрового стекла конденсата, инея или льда можно закрыть боковые вентиляционные дефлекторы.


    Принцип управления дефлекторами панели приборов

    В этом случае весь воздух пойдет исключительно на обдув ветрового стекла.

    Важно

    Из соображений безопасности не следует начинать движение до тех пор, пока все окна автомобиля не очистятся от конденсата, и водителю не будет обеспечен адекватный

    обзор.

    Выключение систем отопления и вентиляции

    Для того чтобы временно отключить системы отопления и вентиляции, поверните рукоятки регуляторов скоростного режима вентилятора и температуры воздуха в свои крайние

    левые положения.

    Необходимость в отключении систем возникает в первые несколько минут после запуска двигателя в холодную погоду, так как это обеспечивает более быстрый прогрев двигателя до температуры, достаточной для эффективного функционирования отопителя. Во всех остальных случаях держите вентилятор постоянно включенным во избежание застаивания

    воздуха в салоне.

    Книга по ремонту и эксплуатации Субару Форестер 1997-2001 год выпуска

    © 2008 – 2015 год – Сайт Мотоэкипировка и мотоциклы Прайд Байк

    Понравилась статья? Поделиться с друзьями:
    Все о сантехнике
    1 / 11
    2 / 11
    3 / 11
    4 / 11
    5 / 11
    6 / 11
    7 / 11
    8 / 11
    9 / 11
    10 / 11
    11 / 11