Устройство масляного обогревателя и принцип его работы

Масляный обогреватель: устройство и модели

Устройство масляного обогревателя и принцип его работы

Масляный обогреватель служит в качестве вспомогательного отопления. Он прекрасно вписывается в любой интерьер и создает комфортные условия для человека.

Как выглядит масляный обогреватель

Масляный обогреватель поддерживает оптимальную температуру в комнате 20°С. Иногда этот показатель потребители намеренно увеличивают.

Устройство обогревателя

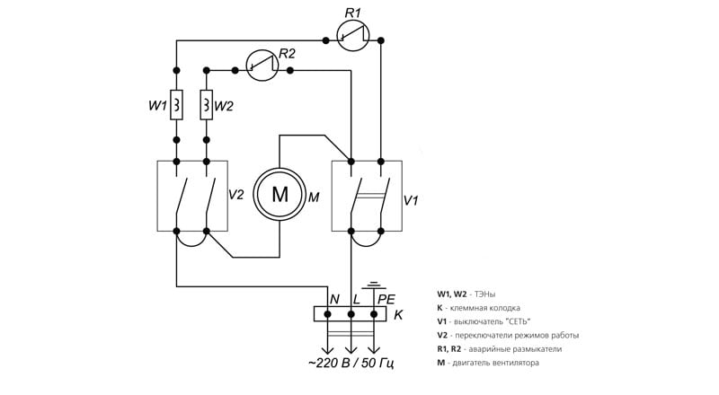
Схема устройства масляного обогревателя

  •  1 Корпус состоит из нескольких секций, в них располагается масло.
  • 2 Ручка предназначена для перемещения отопительного прибора в другие помещения.
  • 3 На панели отображаются время работы, режим и температура прибора.
  • 4 Термостат предотвращает значительный нагрев корпуса (1).
  • 5 Выключатель отключает прибор из питания.
  • 7 Катушка служит для размещения в ней шнура питания (8).

Принцип работы

Поверхность прибора нагревается всего на 70°С. В конструкции предусмотрена простая схема, где расположены два устройства:

  • аварийный термостат, который срабатывает если показатель температуры превысил 80°С;
  • второй термопредохранитель, который срабатывает при температуре примерно в 62°С.

Первый термостат устанавливается на электронной секции радиатора. Все масло располагается в секциях, которые соединены между собой сварными швами. Радиаторы отопления монтируются на специальную передвижную поверхность. Секции плоские, в них есть нижний и верхний каналы, они соединены небольшими прожилками.

В нижней части расположен нагревательный элемент (ТЭН), к которому прикручен термопредохранитель. Он дополнительно защищен специальной жаропрочной тканью. Даже при кипении масла температура срабатывания не будет превышать 62 °С. Однако до такого показателя нужно еще дойти. Верхний термопредохранитель, с фиксированной температурой 80 °С, прикреплен к металлическому корпусу.

Поэтому, какая бы ни выставлялась температура, лимит не будет превышаться.

Управление температурой

Нагревательный элемент состоит из двух ветвей, которые могут работать как вместе, так и порознь. Поэтому радиаторы отопления могут функционировать в трех режимах. Между собой они отличаются показателями теплоотдачи.

Схема переключения очень проста. Для выбора подходящего режима в верхней части прибора расположены кнопки. Под данной панелью расположен термопредохранитель. Он срабатывает, если температура выше 80°С.

Процесс выполняется по такому принципу:

  • при нажатии кнопки изменяется скорость нагрева масла, и как следствие температура в помещении;
  • в процессе устанавливается режим, при котором отключается прибор.

То есть в ночное время суток устанавливают минимальный режим. Чтобы обеспечить быстрый нагрев прибора днем, его включают на максимум.

Многие люди используют электрические радиаторы для сушки вещей. Данную процедуру лучше проводить при минимальном режиме.

Плюсы и минусы

Среди положительных качеств выделяют:

  • Высокий уровень безопасности. Все нагревательные устройства элементы расположены в корпусе, поверхность которого не нагревается до высоких температур.
  • Долгий срок эксплуатации. Бытовые радиаторы могут функционировать без выключения на протяжении 3 дней.
  • Бесшумная работа и малые габаритные размеры.
  • Низкая ценовая политика. Для отопления дома каждый человек может приобрести модель по карману.
  • При работе прибора не возникает запаха пригоревшей пыли.
  • Не сушит воздух.
  • Недостатки обогревателей незначительны:

  • Для полного нагрева помещения требуется много времени.
  • Для отопления большого помещения используют электрические масляные обогреватели с вентилятором.

  • Конструкция достаточно тяжелая, однако она легко передвигается с помощью колесиков.
  • Модели с вентилятором

    Так выглядит масляный обогреватель с вентилятором

    Масляный обогреватель с вентилятором является полезной и удобной вещью. Его главным преимуществом является обеспечение комфортных условий в помещении, за счет увеличения температуры воздуха.

    Для отопления помещения предусмотрен таймер. Благодаря ему регулируется время обогрева. Это очень удобно для тех людей, которые долго отсутствуют дома и хотят приезжать в теплую квартиру.

    Наиболее популярными производителя являются Delonghi, Bimtek и голландская фирма General Climate.

    При покупке прибора необходимо включить его в сеть и обратить внимание на уровень шума. Масляный обогреватель с вентилятором стоит гораздо дороже обычных радиаторов.

    Рекомендации по выбору

    При выборе обогревателя обращают внимание на особенности отапливаемого помещения, а также наличие дополнительных функций. Мощность обогревателя должна обеспечивать полное отопление помещения. Данный показатель является важным. Именно он влияет на создание комфортных условий. Следует обратить внимание на температуру стен, а также наличие окон и дверей. Эти показатели влияют на мощность.

    Электрические радиаторы выпускаются с разным количеством секций. Для отопления большого помещения нужно много секций. Следующий момент – обогреватели должны быть оснащены автоматическим термостатом. С помощью него регулируется температура.

    К дополнительным функциям относят: таймер, режим для сушки белья, вентилятор, пульт управления. Однако такие модели требует денежных затрат.

    Что может сломаться?

    Ремонт масляного обогревателя вследствие поломки

    Ремонт масляного обогревателя не составляет особой сложности. Итак, корпус может протекать, следовательно, необходимо заливать масло. Лучше использовать трансформаторное масло. Смешивание нескольких видов не предусматривается.

    Следующая причина пробитый бак. Такая проблема случается довольно часто. Пользователь замечает, что бак пустой, все масло находится на полу. Исправить это можно с помощью холодной сварки. Она может выдерживать большие температурные перепады. Сварка быстро застывает за счет наличия магнитных опилок. Поэтому данная проблема решается за час.

    Холодная варка продается в виде карандаша. Схема работы довольно проста. Необходимое количество отрезается и разминается мокрыми руками как пластилин.

    Поврежденные участки корпуса зачищаются от краски и ржавчины, а также удаляется оставшиеся масло. Затем данное вещество наносится на поврежденные участки корпуса. После его застывания необходимо обработать наждаком или болгаркой.

    Это место можно покрасить краской, чтобы прибор приобрел привлекательный внешний вид.

    Иногда необходимо приобретать дополнительные запчасти. Это бывает при поломке нагревательного элемента. Как ее определить? Прежде всего, измеряется сопротивление ветвей ТЭНа. Если оно имеет двухзначное число, то все нормально.

    Показателем поломки будет наличие короткого замыкания или разрыва элемента. ТЭН расположен внутри корпуса, поэтому его необходимо достать. В этом случае и необходимы запчасти. Новый ТЭН должен быть такой же фирмы, как и старый.

    Перед тем, как использовать радиатор для отопления, необходимо проверить бак на наличие протечек, а также осмотреть изоляцию нагревательного элемента.

    Ремонт масляного обогревателя может не касаться ТЭНа и бака с маслом. Случается так, что прибор вообще не включается. В таком случае причинами могут быть:

  • поломка аварийного термостата;
  • выход из строя термопредохранителя;
  • нерабочий выключатель.
  • Если не работает выключатель, то напряжение будет отсутствовать только в одной ветке ТЭНа. Для его ремонта необходимо приобрести дополнительные запчасти. Процесс можно выполнить самостоятельно.

    Ремонт обогревателя. Видео

    Про особенности ремонта масляного обогревателя рассказывает видео ниже.

    Масляный радиатор служит в качестве дополнительного отопления помещения, если возникли проблемы с централизованной системой. Они обладают множеством преимуществ. Ремонт можно выполнить своими руками. Все что нужно – это приобрести дополнительные запчасти. Масляный обогреватель служит для создания комфортных условий пребывания за небольшой промежуток времени.

    Принцип работы масляного радиатора

    Устройство масляного обогревателя и принцип его работы

    На сегодняшний день масляный обогреватель по-прежнему является одним из наиболее популярных приборов отопления, даже несмотря на появление большого количества других, более эффективных и экономичных обогревателей. Такая популярность среди пользователей обеспечивается надежностью, бесшумностью и безопасностью работы этого нагревателя.

    Homeclub DF-800H1-7. Вес: 4,1 кг. 220-240В, 50/60Гц, 800Вт. Изготовитель: Ningbo Homeleader International Trade CO. LTD.

    Конструкция и принцип работы

    Масляный радиатор представляет собой прибор состоящий из:

    • Ребристого (секционного) металлического корпуса, в котором находиться минеральное масло и трубчатый электронагреватель (ТЭН). Помимо этого, обогреватель может быть панельного типа, в котором масло размещается в плоской панели;

    Важно! Основным преимуществом секционного корпуса перед плоским панельным является бo?льшая площадь нагрева при одинаковых габаритах. Преимуществом панельного типа является меньшая ширина корпуса, такой прибор занимает гораздо меньше места в комнате.

    • Панели управления, находящейся в боковой части агрегата. Панель состоит из: термостата, регулирующего мощность нагрева; выключателя (некоторые модели оснащаются вторым выключателем, при помощи которого также можно увеличивать мощность нагрева); ручки для удобного и безопасного перекатывания по комнате;
    • Колесиков для удобства перемещения прибора;
    • Устройства для намотки сетевого провода.

    Конструкция масляного нагревателя

    После того, как масляный нагреватель включился, масло начинает разогреваться и отдавать тепловую энергию корпусу, который в свою очередь, уже нагревает воздух.

    Обогрев помещения происходит по тому же принципу, что у алюминиевых или биметаллических радиаторов, т.е. конвекторным способом отопления.

    Более холодный воздух, расположенный в районе пола, проходит вдоль корпуса прибора, тем самым нагреваясь и выходит уже разогретый в верхней части обогревателя.

    Минеральное масло является тепловым резервуаром, который обладает высокой удельной теплоемкостью и высокой температурой кипения (около 150-300°C).

    Такие характеристики позволяют при относительно небольшом объеме масла выделять большое количество тепла, при этом оставаться в жидком состоянии.

    Сам обогреватель не разогревается свыше 110°C, поэтому не происходит высушивания воздуха и потребления кислорода.

    Масленые радиаторы могут оснащаться двумя видами термостатов:

    • С внешним датчиком температуры. Это более дорогостоящий прибор, который позволяет точно устанавливать температуру, т.к. датчик ориентируется на температуру воздуха в помещении.
    • С внутренним датчиком. Устанавливается в более дешевых моделях, датчик ориентируется на температуру внутри прибора (температуру масла), поэтому для того, чтобы установить нужную температуру в помещении, необходимо потратить определенное количество времени и провести несколько «экспериментов» с термостатом.

    Примечание! Термостат позволяет использовать масляный обогреватель более эффективно, при необходимости уменьшая мощность нагрева (в зависимости от модели от 0,3 до 2,5 кВт), при этом снижая потребление электроэнергии.

    Помимо этого, приборы оснащаются термоконтроллером, который автоматически отключает нагреватель в случае, если температура корпуса превышает допустимое значение. Некоторые модели оснащаются встроенным ионизатором воздуха.

    Преимущества

    • Пожаробезопасность. Благодаря невысокой температуре нагрева корпуса (максимум 110°C), масляные бытовые обогреватели считаются более безопасными приборами отопления по сравнению с другими электронагревателями. Помимо этого, современные модели оснащаются датчиком горизонтальной установки, который отключает нагреватель в случае, если прибор установлен под наклоном. Это также снижает вероятность возникновения пожара.
    • Бесшумность работы. Иногда появляется негромкое потрескивание пока нагревается масло. Однако после того, как масло разогрелось до рабочей температуры, звуки прекращается.
    • Не высушивают воздух и не поглощают кислород. Во многом, именно поэтому они так часто используются для дополнительного отопления спальных комнат. Это является их основным преимуществом перед тепловентиляторами, которые сильно сушат воздух.
    • Мобильность. Прибор оснащен 4-мя колесиками, поэтому даже беременная женщина может без труда перемещать его по комнате.

    Обогреватель часто используют в качестве сушилки.

    Недостатки

    • Высокая инертность. Чтобы разогреть масло, некоторым моделям масляных радиаторов требуется до 30 мин. Для решения этой проблемы производители дополнительно устанавливают на радиатор тепловой вентилятор, который в течении периода нагрева масла, будут обогревать помещение.

    Примечание! Высокую инертность можно отнести и к плюсам, т.к. даже после отключения прибора, он еще в течении длительного времени будет отдавать тепло помещению.

    Эксплуатация масляного радиатора

    Масляный обогреватель для дома во время использования не нуждается в каком-либо особом уходе и обслуживании.

    Если прибор не эксплуатировался длительное время, то перед его включением необходимо протереть прибор влажной тряпкой, а также проверить конструкцию на целостность и наличие утечек масла.

    В случае утечки масла, необходимо обратиться в специализированный сервисный центр производителя. Не рекомендуется самостоятельное вскрытие и самостоятельный долив масла.

    Если нагреватель включается впервые, то лучше всего, если он будет находиться в хорошо проветриваемой комнате.

    Стандартный внешний вид масляного нагревателя

    Не рекомендуется развешивать для просушки мокрую одежду прямо на корпус прибора, это может привести к ее возгоранию после высыхания, особенно это касается синтетических материалов. Рекомендуется сушить одежду на некотором удалении от работающего обогревателя, либо на специальной вешалке-полотенцесушителе, который часто поставляется в комплекте.

    Не следует использовать масляные радиаторы в помещениях с повышенной влажностью (ванные комнаты, душевые, предбанники и т.п.), т.к. попадание влаги в панель управления может привести в выходу устройства из строя. Однако, это не относиться к приборам, которые рекомендованы производителем для использования во таких помещениях.

    Если масляный нагреватель еще не приобретен, то во-первых необходимо определиться с площадью, которую будет отапливать прибор. В среднем следует исходить из расчета 1 кВт на 10 м?. Во-вторых, необходимо обратить внимание на функционал устройства, от которого во многом зависит его цена.

    Устройство масляного обогревателя

    Масляные радиаторы плоские и гармошчатые, причем первые тяжело найти. Конфигурация обогревателя выбрана не случайно. Уже рассказывали, как собрать и разобрать батарею отопления, но, несмотря на внешнее сходство, с масляным обогревателем такой номер не пройдет. Дело в том, что секции привальцованы друг к другу, крайние отличаются от средних. Поэтому нельзя перепутать, что и куда ставить.

    Понятно, что сборка ведется на станках, однако полагаем, что опытный кузнец смог бы осилить задачу и удлинить обогреватель. Что это дало бы. Благоприятные условия для работы ТЭНа. Мощность масляного обогревателя не меняется, однако температуру масла и спирали можно было бы чуть понизить, увеличив объем. Но это кузнец. А простой гражданин устройство масляного обогревателя изменить не в силах.

    Как работает масляный обогреватель

    Плюсы и минусы масляных обогревателей сказано немало. Несомненно одно — лучший выбор для небольших каптерок. Масляным обогреватель называется потому, что внутри бака налито масло. Является рабочей средой, которая удовлетворяет сразу многим критериям:

    • У масла невысокий коэффициент температурного расширения. Например, для водонагревателей это проблема. Когда из стояка сделан забор, и начинается цикл поднятия температуры, то расширяется с разной скоростью. У воды тепловой коэффициент увеличения размеров много выше, нежели у стали. Поверхность бака часто покрывается эмалью, у которой температурные характеристики в точности те же как у металла. Это делает прибор долговечным, потому что если слой краски покроется трещинами, то начнется коррозия и бак потечет. Так вот, чтобы избежать таких проблем внутрь масляного обогревателя воду не заливают. А при кипении (100 ?С) дело стало бы и вовсе табак, поскольку началось бы образование пара. Видели как взрываются котлы. Лучше и не видеть…
    • Весь мир нагревательной техники беспокоит электрохимическая коррозия. Это когда два металла помещаются в воду (с растворами солей), в результате между ними начинает течь ток. Один кусок восстанавливается, другой разрушается. По этой причине медные заклепки в авиации запрещены. Иначе плоскости крыла и поверхность фюзеляжа начали бы разрушаться. Донором алюминий считают, но если ТЭН из меди, то вред почувствует и стальной корпус-гармошка. В результате масло вытечет на пол при очередном включении. Если бы внутрь налили жидкость, которая пропускает ток носителей заряда, то электрохимическая коррозия стала бы и бичом обогревателей, но это не происходит.
    • С предыдущим свойством тесно связана безопасность. ТЭН представляет собой трубку, в которую напрессован порошок. В сердце расположена спираль, по которой течет ток и дает тепло. Если трубка пробивается, порошок намокает, осыпается, то получается потенциал на корпусе. Короткого замыкания при этом может и не быть, зависит от характера повреждения. Следовательно, в водной среде была бы возможность получить удар током, если прибор не заземлен правильным образом. В случае с масляным обогревателем такой шанс меньше. Однако клемму заземления не стоит оставлять висеть в воздухе, хотя бы усадите ушко на нулевой провод фазы. В этом случае при появлении потенциала на корпусе произойдет короткое замыкание. В результате сгорит ТЭН или предохранитель на электрическом щитке.
    • Масло кипит при более высокой температуре (оливковое — 150 градусов Цельсия), нежели вода. Поэтому сам радиатор нагрет выше 100 ?С, работоспособность при этом не потеряется. Верхний предел работы определяется термопредохранителем, который крепится с внутренней стороны корпуса в области ТЭНа. Нужен элемент на случай, когда откажет термостат прибора. В отличие от водонагревателей в этом случае датчик на поверхности ТЭНа не устанавливается. Биметаллическая пластина стоит в электронном блоке и контролирует температуру воздуха. Если заклинит, или собьются настройки, то ситуацию спасет термопредохранитель. Таким образом, принцип действия масляного обогревателя коренным образом отличается от водонагревателя. Это запомните при необходимости замены ТЭНа.

    Однако внутри бака не только масло находится. На одну восьмую часть емкость содержит атмосферный воздух. Разумеется, азот был бы лучше, но это и стоило бы дороже.

    Дело в окислении. Масло будет подгорать, но если еще перевернуть масляный обогреватель кверху ногами и включить, что ТЭН окажется в агрессивной кислородной среде. Что ни к чему хорошему не приведет. Для начала появится нагар, затем ТЭН начнет выходить из строя.

    Сначала повысится рабочая температура, затем процесс пройдет по нарастающей, начнет выгорать масло. Некоторые приборы снабжаются датчиками падения еще и поэтому. Пожар невозможен, потому что температура масляного обогревателя не так высока, а от перегрева защитит термопредохранитель.

    Последний стоит на корпусе близ ТЭНа, чтобы уберечь прибор, если масло вытечет, или радиатор упадет, а трубка нагревателя окажется в воздухе.

    Особенности устройства и принцип работы масляного обогревателя

    Устройство масляного обогревателя и принцип его работы

    Важная роль в обеспечении комфортного микроклимата в помещениях отводится бытовым обогревателям.

    Маслонаполненные конструкции продолжают оставаться одними из самых популярных типов отопительных приборов.

    Высокие оценки потребителей они заслужили за счет надежности, бесшумности работы и безопасности. Знание устройства масляного обогревателя поможет выбрать оптимальную модель при покупке.

    Устройство и принцип действия

    Внешний вид прибора в большинстве случаев напоминает классический радиатор отопления. Такая схожесть объясняется тем, что нагрев воздуха в помещении аналогичен принципу батарей централизованного отопления. Только теплоноситель не подается по трубам, а находится в замкнутом контуре прибора.

    Особенности конструкции

    Устроен масляный обогреватель довольно просто. Основной элемент конструкции — маслонаполненный металлический корпус. Минеральное масло, заполняющее емкость, выполняет функцию теплоносителя, который эффективно сохраняет и передает тепло от нагревательного элемента.

    Ремонт масляного обогревателя, описание, устройство

    Дополнительно в конструкцию масляного обогревателя входят следующие элементы:

  • Выключатель, управляющий включением устройства.
  • Термостат — прибор, осуществляющий поддержание постоянной температуры. Он отключает нагрев при достижении в помещении заданной температуры и снова включает его при опускании температуры ниже определенного значения.
  • Панель управления. Может содержать регулятор температуры, позволяющий задавать желаемую интенсивность нагрева.
  • Сетевой шнур и устройство его сматывания.
  • Механизм работы

    Передача тепла в помещение осуществляется всей площадью поверхности радиатора. Работает масляный обогреватель следующим образом:

  • Прибор необходимо подключить к электрической сети.
  • Нажатием на клавишу выключателя устройство приводится в рабочее состояние.
  • В случае необходимости следует поворотом регулятора установить желаемую мощность нагрева или значение температуры.
  • Нагревательный элемент разогревается под действием электрического тока.
  • Поверхность трубки нагревателя начинает отдавать тепло маслу.
  • Теплоноситель разогревает корпус радиатора, от которого происходит нагрев атмосферы.
  • Нагрев воздуха в помещении осуществляется по принципу конвекции. Подобным образом работают все радиаторы централизованного отопления. Холодный воздух, расположенный ближе к полу, вступает в контакт со стенками радиатора.

    Конвектор или масляный обогреватель ?

    Важная особенность прибора — устройство термостата. Они отличаются размещением температурного датчика:

  • Внутренний датчик — устанавливается на большинстве бюджетных моделей. Он измеряет температуру нагрева масла. Такой способ контроля позволяет задавать только интенсивность нагрева, но не предполагает точной установки заданной температуры поверхности радиатора. Такие термостаты проще в исполнении, поэтому стоят гораздо дешевле.
  • Внешний датчик — устанавливается на дорогих моделях. Монтаж и настройка более сложны в реализации, поэтому стоимость обогревателя существенно возрастает. Однако такие приборы позволяют поддерживать в помещении точно заданную температуру, что является существенным преимуществом продвинутых моделей.
  • Отдельно стоит упомянуть систему безопасности. В ранних моделях защита часто отсутствовала, что могло привести к возгораниям. Все современные модели оснащаются модулями, препятствующими возникновению опасных ситуаций:

  • Устройство защитного отключения при опрокидывании — осуществляет размыкание электрической цепи питания при наклоне обогревателя или падении на пол.
  • Термореле — выполняет отключение прибора в случае перегрева. Эта функция необходима для защиты от чрезмерного расширения и закипания масла, находящегося под давлением.
  • Защита нагревательного элемента — отключает прибор в случае утечки масла и последующего перегрева.
  • Фильтр масляный, как устроен. Принцип работы масляного фильтра

    Основные разновидности

    Все масляные обогреватели имеют одинаковое принципиальное устройство, однако они могут отличаться исполнением. В настоящее время в продаже представлены следующие разновидности:

  • Напольные — наиболее распространенные классические модели. Большинство из них имеют секционный радиатор, однако встречаются и плоские. Площадь поверхности у плоских типов ниже, поэтому они характеризуются меньшей эффективностью.
  • Настенные — снабжены плоским радиатором и имеют специальные крепления для размещения на вертикальных поверхностях. Потребляют мало электроэнергии, но нагреваются до меньших температур. Часто используются не для прогрева всего помещения, а для создания отдельной зоны повышенного комфорта.
  • Настольные — приборы малой мощности, имеющие небольшие габариты. Они не могут прогреть помещение целиком, но очень удобны для размещения рядом с местом длительного пребывания человека.
  • Специальные плинтусные влагостойкие конструкции. Для обогрева влажных помещений, особенно ванных комнат, в большинстве случаев не рекомендуется применять электрические отопительные устройства по причине опасности поражения электрическим током. Влагозащищенные масляные нагреватели специально предусмотрены для работы во влажной среде и довольно безопасны. Крепление к плинтусу позволяет экономить пространство, поэтому возможна установка даже в небольших помещениях.
  • Всегда можно подобрать оптимальную конструкцию прибора в соответствии с потребностями. При желании можно выбрать модель с необходимыми дополнительными функциями: вентилятор для ускоренного нагрева воздуха, таймер включения и отключения, подставка для сушки белья, пульт дистанционного управления.

    Преимущества и недостатки

    Данные нагревательные устройства не зря пользуются неизменно большой популярностью. Этому способствует ряд достоинств:

  • Бесшумность работы. Допускается небольшое потрескивание в процессе разогрева или при охлаждении. Возникновение подобных звуков вполне естественно и объясняется расширением элементов при нагревании и сужением в процессе охлаждения.
  • Равномерный нагрев воздуха. Эффективность нагрева достигается не за счет мощного теплового потока высокой интенсивности, а умеренной теплоотдачей от всей площади поверхности радиатора. Многие модели при работе на минимальной мощности позволяют сушить одежду без опасения подпалить ткань или устроить пожар.
  • Безопасность. Обычно радиатор не нагревается выше 110 градусов. Это сводит к минимуму возможность получения ожога при случайном кратковременном касании разогретой поверхности. По этой же причине пожарная опасность невелика. Системы отключения при опрокидывании и перегреве обеспечивают надежную защиту от взрыва и возгорания. Именно маслонаполненные обогреватели рекомендуется использовать для установки в помещениях, где могут находиться дети без присмотра взрослых.
  • Мобильность. Большинство современных моделей снабжены колесами, позволяющими перемещать прибор с минимальными усилиями.
  • Экологичность. Схема устройства исключает контакт с воздухом поверхностей, нагретых до чрезмерно высоких температур. За счет этого прибор не пересушивает воздух, не выжигает кислород, снижается вероятность появления неприятного запаха при контакте радиатора с пылью.
  • Ремонт масляного обогревателя

    Инерционность — свойство, присущее масляным нагревателям, которое можно отнести как к достоинствам прибора, так и к его недостаткам. Минеральное масло, которым заполнен радиатор, обладает большой теплоемкостью.

    Нагрев до рабочей температуры может занимать довольно продолжительное время, поэтому быстро прогреть помещение не удастся. Зато при отключении масло не остывает сразу, оно еще долго будет отдавать накопленное тепло.

    Недостатков масляные нагреватели практически не имеют. К минусам этих устройств можно отнести следующие показатели:

  • Большая масса. Конструкция прибора предполагает наличие радиатора с большой площадью поверхности. К массе металла добавляется вес масла, заполняющего емкость. Масляные обогреватели традиционно намного тяжелее всех прочих бытовых электрических отопительных устройств. Однако этот недостаток компенсируется наличием транспортировочных колес, позволяющих легко перемещать изделие по ровному полу.
  • Невысокая интенсивность нагрева. Габариты и масса существующих моделей не позволяют применять нагреватели большой мощности. Для увеличения теплоотдачи пришлось бы серьезно увеличить количество секций радиатора. Такая модификация сделает конструкцию огромной и неподъемной. С помощью масляного обогревателя невозможно прогреть сильно промерзшее помещение большой площади. Зато прибор успешно справляется со своими задачами в качестве дополнительного источника тепла.
  • Выбор модели

    Чтобы подобрать наиболее подходящую модель устройства, необходимо учесть основные технические характеристики. Соответствие их предполагаемым условиям эксплуатации обеспечит наилучший микроклимат в помещении. Среди наиболее значимых параметров обогревателей можно выделить следующие:

  • Мощность. Именно от этого показателя зависит эффективность обогрева. Если мощности устройства будет недостаточно, качественно прогреть воздух не удастся. Опыт показывает, что на 10 кв/м площади требуется 1 кВт мощности. Рекомендуется округлять значение в большую сторону. Запас мощности позволит прибору отключаться при достижении требуемой температуры в помещении, поэтому устройство прослужит дольше. При нехватке мощности можно не получить желаемую температуру, обогреватель будет работать непрерывно и быстрее исчерпает свой ресурс. Для равномерного распределения тепла при значительной площади помещения рекомендуется приобретать несколько обогревателей, суммарная мощность которых соответствует размеру комнаты. Рассредоточение источников нагрева обеспечит более равномерное распределение температуры.
  • Конфигурация секций радиатора. Много узких секций нагреется гораздо быстрее, чем несколько более крупных. Зато крупные секции дольше держат тепло.
  • Масса. Если довольно крупный прибор имеет небольшую массу, стоит отказаться от покупки, поскольку малая толщина стенок резервуара снижает его надежность.
  • Регулировка мощности. Большое количество режимов нагрева позволяет более плавно регулировать температуру в помещении.
  • Дополнительные функции. Некоторые обогреватели могут снабжаться пультами дистанционного управления, защитными кожухами для использования в детских комнатах, вентиляторами для ускорения прогрева воздуха. Наличие полезных дополнений делает данный прибор более удобным в эксплуатации, но существенно увеличивает его стоимость.
  • Масляные обогреватели — популярные устройства для мягкого обогрева жилых помещений. Они не предназначены для использования в качестве основного устройства отопления, но отлично подходят как дополнительные отопительные приборы.

    Они бесшумны, безопасны и экологичны, что делает их использование комфортным и позволяет устанавливать даже в детских комнатах.

    Тщательный подход к выбору оптимальной модели даст возможность не только добиться качественного обогрева помещения, но и сделать пользование устройством удобным и приятным.

    Масляный обогреватель: 6 элементов устройства

    Устройство масляного обогревателя и принцип его работы

    Для отопления холодной комнаты можно использовать масляный обогреватель Масляный радиатор представляет собой экономичный способ подачи тепла в холодное время года. В настоящее время выпускаются модели для постоянного пользования (радиаторы) и для эпизодического пользования (обогреватели).

    Содержание:

    Как пишет Викисловарь: «Маслянный обогреватель – это электрообогреватель, который предназначен для отопления дома, а в качестве теплоносителя он использует минеральное масло».

    Средние температуры радиатора составляют 85-95 оС, а «разгон», т.е. период нагрева длится не более 30 минут.

    В настоящее время маслонаполненные радиаторы по своей конструкции бывают двух типов: панельный электронагреватель и секционный электронагреватель.

    Панельные обогреватели более компактны, но секционные отличаются большей рабочей поверхностью.

    Также масляные электрообогреватели различают по возможности контроля и управления нагревом:

  • Конструкции, которые способны поддерживать заданную температуру воздуха в помещении;
  • Конструкции, которые способны поддерживать заданную мощность.
  • Кроме этого, маслонаполненные обогреватели могут быть разной мощности, разных размеров, могут иметь дополнительные панели и разные способы крепления.

    Специфика масляного радиатора отопления

    Многие модели оборудованы колесиками, что обеспечивает возможность их перемещения. В целом, конструкция маслонаполненного радиатора используется для прогрева определенного помещения, а при перемещении прибора вполне можно поддерживать температурный режим всего дома.

    Для того чтобы быстро обогреть помещение, лучше выбирать современные масляные обогреватели, которые характеризуются безопасностью и высоким качеством

    Чем современнее модель, тем больше она имеет дополнительных устройств:

    • Таймер;
    • Несколько режимов работы;
    • Пульт дистанционного управления и т.д.

    Наличие таймера обеспечивает автоматический контроль за температурным режимом, т.е. по достижению установленной температуры в помещении прибор отключается, а при её снижении автоматически включается.

    Специальный датчик предупреждает возможность перегрева и при возникновении данной угрозы автоматически выключает устройство. Также некоторые электрорадиаторы имеют вентилятор, разгоняющий нагретые воздушные массы по всему помещению, но за счет этого дополнения модель более шумная.

    Часть устройств оборудована увлажнителями воздуха, чтобы тепло от радиатора не сушило кожу и слизистые оболочки организма человека (сухость в носу, во рту).

    Устройство масляного обогревателя

    Все элементы масляного радиатора изготовлены из черного металла, посредством лазерной обработки, а маленькие детали создаются при помощи штампования.

    Затем из составляющих элементов собираются секции, которые соединяются при помощи сварки и прессовки, и после этого происходит покраска и печная полимеризация обогревателя.

    По окончанию термообработки устройство наполняется маслом и устанавливается нагревательный элемент. Вся конструкция закрывается металлическими панелями и происходит присоединение электрического кабеля.

    В целом, маслонаполненный электрообогреватель устроен следующим образом:

    • Емкость, заполненная маслом;
    • Калорифер, т.е. электронагреватель трубчатого вида, который нагревает масло в резервуаре;
    • Термостат, призванный поддерживать установленную температуру;
    • Лампочка, оповещающая о включении устройства;
    • Клапан, предупреждающий перегрев устройства и защищающий конструкцию от повреждений;
    • Режимный переключатель.

    Некоторые модели оборудованы ручками-переносками или роликовыми колесиками, а также возможно наличие специальных креплений для помещения радиатора на стены.

    Принцип работы масляного обогревателя

    Существует ложное мнение о том, что электрообогреватель этого типа излучает такое же тепло, как и камин, но это не так, что связано с последовательным расположением секционных ребер, нагревающихся лучевым излучением.

    Перед тем как использовать масляный обогреватель, лучше сперва ознакомиться с инструкцией и принципом работы устройства

    Работает масляный обогреватель по следующему принципу:

    • Устройство подключается к электросети;
    • Запускается работа ТЭНа;
    • Минеральное масло начинает нагреваться до необходимой температуры;
    • За счет нагрева масла непосредственно нагревается корпус устройства;
    • Тепло, исходящее от радиатора прогревает помещение.

    Устройство может нагреваться до 150 оС, что, скорее всего, приведет к его перегреву и поломке, поэтому выбирая обогреватель, особое внимание нужно уделять наличию терморегулирующего датчика и таймера.

    Мощность масляного обогревателя

    Мощность устройства является одним из главных показателей его дееспособности, поэтому при покупке устройства нужно обращать внимание в первую очередь на данную техническую характеристику.

    Выбирая агрегат необходимой вам мощности лучше отталкиваться от следующих расчетов:

  • Для обогрева помещения, имеющего площадь около 10 м2, понадобится обогреватель мощностью в 1 кВт;
  • Для площади 20 м2 мощность должна составлять 2 кВт соответственно и т.д.;
  • Маслонаполненных обогревателей мощностью от 3-х и более кВт в настоящее время не выпускают.
  • Таким образом, нужно учитывать, что устройство в 1,5 кВт будет хорошо прогревать комнату в 10 м2, но, чтобы обогреть комнату в 20 м2 ему придется работать непрерывно на полную мощность, что приведет к быстрому износу и поломке, а также будет сопровождаться постоянными перегревами.

    Безопасны ли масляные обогреватели для дома

    По сравнению с радиаторами прямого действия, масляные обогреватели характеризуются меньшими температурами открытых поверхностей, что связано с использованием промежуточного теплоносителя. В то же время сам теплоноситель, т.е.

    масло, является горючим и огнеопасным средством, именно поэтому нельзя допускать перегрева устройства.

    В целом, масляные батареи отличаются безопасностью, даже могут использоваться для обогрева детских комнат, потому что модели оборудованы специальным кожухом, предупреждающим появление ожогов от прикосновения к открытым поверхностям.

    При эксплуатации устройства важно соблюдать меры предосторожности:

  • Заблаговременно до подключения к электросети проверьте соответствие напряжения в розетке техническим требованиям устройства.
  • Отключайте прибор от электропитания, если в нем нет необходимости.
  • Ни в коем случае не накрывайте работающее устройство и не сушите на нем одежду, иначе это приведет к перегреву и может вызвать возгорание.
  • Не стоит самостоятельно заниматься ремонтом конструкции, особенно если у вас отсутствует необходимый уровень профессиональной подготовки.
  • Не давайте прибору загрязняться, так как это тоже может вызвать повреждения и перегревы.
  • Не оставляйте включенный обогреватель без присмотра.
  • Радиатор нельзя устанавливать в помещениях с повышенной влажностью.
  • Не рекомендуется хранить устройство в неотапливаемых помещениях, таких как балкон, гараж, времянка и т.п.
  • Для избегания травм и ожогов не оставляйте детей одних в комнате с включенным обогревателем, а также не позволяйте детям играть с устройством или прикасаться к нему, к электропроводу и т.д. При соблюдении указанных мер, вы сможете безопасно пользоваться этим устройством.

    Преимущества и недостатки масляной батареи

    Что очень важно, в масляных радиаторах отсутствует клапан, предназначенный для слива минерального масла, потому что масло не испаряется, и нет необходимости регулярно его доливать или менять. Также многие устройства оборудованы функцией защиты от опрокидывания, что обеспечивает отключение устройства при его горизонтальном отклонении.

    Главное преимущество масляного электрообогревателя заключается в том, что он безопасный

    Помимо этого, маслонаполненные электрообогреватели обладают рядом преимуществ:

    • Безопасность, которая связана со скрытым расположением нагревательных элементов;
    • Длительность эксплуатации;
    • Компактность и возможность перемещения;
    • Небольшая стоимость;
    • Простота в установке и монтаже.

    Как уже отмечалось, многие модели имеют дополнительные функции, например, пульт дистанционного управления или систему увлажнения воздуха, которые делают эксплуатацию устройства еще более комфортабельной. В то же время, масляные обогреватели имеют несколько недостатков.

    Долгий разогрев (около 25-30 минут). Однако проблема длительного разогрева отсутствует у радиаторов, имеющих вентиляторы, которые распространяют теплый воздух, тем самым быстрее нагревая помещение.

    Как выбрать масляные обогреватели для дома

    Все модели маслонаполненных радиаторов имеют один и тот же алгоритм работы, но могут отличаться друг от друга дополнительными функциями, способом крепления и стоимостью.

    Изделия дифференцируются по месту расположения и предназначению:

    • Настенные обогреватели;
    • Напольные обогреватели;
    • Настольные обогреватели;
    • Потолочные радиаторы или батарея;
    • Электрообогреватели для детских комнат и т.п.

    Настенные модели отличаются бюджетностью, так как потребляют меньшее количество электроэнергии.

    Обогреватели напольного типа пользуются популярностью благодаря своей мобильности, так как оборудованы дополнительными устройствами, которые позволяют перемещать радиаторный обогреватель.

    Потолочные конструкции обеспечивают быстрый обогрев всей комнаты, но отличаются сложным монтажом. А настольные радиаторы характеризуются эргономичностью и компактностью, но их теплоотдача довольно низкая.

    Как работает масляный обогреватель (видео)

    В настоящее время производством масляных обогревателей занимаются такие компании как Oasis, Ballu, Scarlett и многие другие.

    Выбирая определенную модель, обращайте внимание на мощность обогревателя, его габариты, наличие вентилятора и системы увлажнения воздуха, а также габариты и особенности конструкции.

    Выбранное вами изделие должно обеспечивать теплом все помещение, не сушить воздух, потреблять адекватное количество энергии и быть безопасным. Выбор остается за вами.

    Устройство и принцип работы масляного обогревателя

    Устройство масляного обогревателя и принцип его работы

    Обогреватели масляные широко применяются для обогревания помещений, как офисных, так и жилых и производственных. Плюсами этих устройств считается их мобильность, хорошая цена, большой ассортимент моделей, оснащение добавочными функциями, возможность работы пару суток без перерыва, бесшумность, защищенность.

    Работа масляного обогревателя на высоких мощностях сушит воздух.

    Нагревается комната приблизительно через 30 минут, однако многие модели оснащаются вентиляторами, что дает возможность нагреть помещения намного быстрее.

    Устройство обогревателя

    Устройство обогревателя.

    Масляный обогреватель относится к устройству комбинированного типа. Перенос тепла выполняется путем конвекции носителя тепла (масла), а теплопередача – при помощи циркулированию воздуха от тепла, излучаемого поверхностью прибора.

    Корпус устройства схож с обыкновенными отопительными приборами отопления, собой представляет закрытую железную емкость. Изнутри емкость наполняется минеральным маслом. Снизу монтируются Трубчатые нагреватели, которые целиком покрытые минеральным маслом.

    При подсоединении к электрической сети Трубчатые нагреватели греются, передают тепло маслу, а от масла тепло подается корпусу. Исходя из этого от корпуса нагревается воздух помещения.

    Рабочий принцип масляного обогревателя.

    Так как Трубчатые нагреватели помещены в минеральное масло и работают в легком режиме, то эксплуатационный срок значителен. В отопительном приборе нет нагревательных элементов открытого типа, вследствие чего возможность загорания фактически нулевая.

    Рабочий режим оборудования монтируется с помощью переключателей, которые размещаются на панели управления. Некоторые сегодняшние модели оборудованы ЖК-монитором, где высвечивается любая информация. Также выпускаются модели с разными датчиками, таймерами, которые автоматично регулируют температуру нагрева, время выключения и включения.

    Масляный обогреватель производится разной мощности (до 3 кВт), с различным числом секций. Чем больше секций, тем больше площадь нагрева. Исходя из этого, тем быстрее прогреется помещение. Однако если посмотреть иначе подобные изделия занимают больше места.

    Отопительные приборы являются самыми тяжёлыми обогревателями, вес колеблется в границах от 10 до 30 кг. Высота секций – 40-70 см, ширина – 25-50 см. Для комфорта перемещения прибор оборудуется ручкой и колесиками.

    Добавочные функции

    Конструкция и рабочий принцип масляного обогревателя не менялся с момента его изобретения. Однако потихоньку он оснащался добавочными устройствами, улучшающими его работы, делающие прибор намного удобнее.

    Все сегодняшние модели оборудованы термостатом, который дает возможность медлено переключать режим температуры, системой выключения работы устройства при его перегреве, световым индикатором и переключателем рабочих режимов. Переключатель дает возможность установить требуемую мощность, что дает возможность экономить на эксплуатации оборудования.

    Многие радиаторы масляного типа оборудованы 24-хчасовым таймером, что дает возможность установить нужный рабочий режим на протяжении суток.

    Масляный обогреватель сушит воздух, особенно сильно на высоких мощностях. Благодаря этому изготовители выпускать начали устройства с увлажнителем. Он собой представляет емкость с водой, закрепленную на радиаторе. В рабочий период оборудования вода выветривается, таким образом увлажняет воздух.

    Можно найти модели с вентилятором, который повышает скорость обогревания помещения. Выполняется это за счёт быстрого перемещения воздуха, распространяемого при помощи вентилятора.

    В общем принцип и устройство масляного обогревателя очень просты. Добавочные компоненты разрешают сделать лучше работы устройства.

    Масляные обогреватели – конструкция, принцип работы, рекомендации по выбору

    Устройство масляного обогревателя и принцип его работы

    Масляные обогреватели — это источник мягкого тепла, обычно их используют для обогрева одной комнаты. У масляных обогревателей температура нагрева корпуса обычно не превышает 60 °С, так что о запахе гари или пыли, который преследует обычные тепловентиляторы, можно не беспокоиться. Масляный радиатор может работать несколько суток подряд.

    Внешне формой и размером масляные обогреватели (или “масляные радиаторы“) напоминают батарею. Внутри герметичного корпуса находится ТЭН и масло, нагревающее металлический корпус изнутри.

    Так же, как и конвекционные обогреватели, масляные обогреватели разогревают воздух не сразу, а через полчаса, но современные модели, такие как масляные обогреватели General, оснащаются вентилятором, благодаря чему теплообмен происходит гораздо быстрее.

    К главным достоинствам масляных обогревателей относят мобильность, отсутствие шума, низкую цену и относительно низкую температуру нагрева корпуса, благодаря чему его абсолютно безопасно даже оставлять один на один с детьми (для “закрытых” моделей).

    Выбор масляного обогревателя

    Не секрет, что для создания комфортных условий дома, в холодное время года, необходимо, чтобы в помещении температура и влажность воздуха были близки к норме, а именно 45~60% при температуре 21 °С. Для того, чтобы получить желаемый результат необходимо купить обогреватель.

    Бытовой масляный обогреватель без труда обогреет помещение до 25 м2 до нужной температуры, при этом не пересушивая воздух. Вам просто нужно выставить требуемую мощность нагрева и обогреватель будет поддерживать заданную температуру в течении всего времени работы.

    Данная функция достигнута за счет оснащения прибора датчиком термозащиты, который отключает обогреватель при достижении заданной температуры.

    Масляные обогреватели – один самых распространённых типов обогревателей в мире, они получили свою популярность за счёт простоты установки и удобстве в использовании. Для обогрева помещения достаточно расположить его в удобном для вас месте, и включить в розетку.

    Конструкция масляного обогревателя проста и надёжна, простыми словами – это металлический радиатор, заполненный минеральным маслом, и нагревательный элемент.

    На сегодняшний день многие модели имеют встроенную защиту от перегрева и датчик опрокидывания, благодаря чему он мгновенно отключается при падении или перегреве. Одним из важнейших преимуществ масляного обогревателя является низкая температура корпуса.

    Это кажется немного странным, но именно благодаря этой особенности масляный обогреватель не выжигает кислород в помещении в отличии от всех остальных видов обогревателей.

    При выборе масляного обогревателя стоит обратить внимание на мощность, в среднем она колеблется от 1 – 2,5 кВт. Мощность подбирается в зависимости от площади помещения, которое вы собираетесь отапливать, для утеплённого здания стоит принимать значения 1кВт на 10м2 .

    Также в масляные обогреватели устанавливают дополнительные функции: таймер, вентилятор, автоматическое отключение.

    Большинство из них снабжены термостатом, который поддерживает температуру обогревателя на нужном уровне периодически отключая его, благодаря чему вы сможете сэкономить часть электроэнергии.

    В некоторые модели масляных обогревателей устанавливают вентилятор который его обдувает благодаря чему теплый воздух быстрее и равномернее распространяется по помещению. Ещё одним не оспоримым преимуществом масляных обогревателей является то что их можно оставлять без присмотра во включенном состоянии.

    Конструкция масляного обогревателя

    Основными элементами конструкции масляного обогревателя являются:

    – герметичная емкость, заполненная минеральным маслом.;

    – специальный клапан безопасности, предохраняющий корпус от повреждения в случае перегрева. Расположен в нижней части основной емкости;

    – электротэн, предназначенный для нагрева масла в резервуаре;

    – специальное устройство – термостат. Служит для регуляции степени нагрева;

    – термостат безопасности, необходимый для предохранения прибора от перегрева;

    – переключатель уровней нагрева прибора.

    Режим работы масляного обогревателя выбирается посредством переключателей, расположенными на панели управления.

    Более продвинутые модели современных масляных обогревателей снабжены жидкокристаллическими индикаторами, программируемыми таймерами. Также ассортимент предлагаемых обогревателей включает в себя устройства, оснащенные тепловентилятором. Тепловентилятор в значительной мере увеличит скорость прогрева помещения.

    Принцип работы масляного обогревателя

    Посредством конвекции теплый, нагретый воздух равномерно распределяется по всему объему помещения. Интенсивность, время и скорость прогрева комнаты зависят от мощности устройства, также на эти характеристики влияют конструктивные особенности масляного обогревателя.

    Преследуя цель повысить эффективность работы прибора, производители применяют следующие хитрости:

    1. Увеличивают площадь поверхности масляных обогревателей, тем самым происходит увеличение площади теплового излучения, и соответственно, интенсивность и скорость прогрева комнаты.

    2. Повышают скорость нагретого воздуха, выходящего с обогревателя, достигая при этом повышения эффективности масляного обогревателя.

    При этом соблюдаются меры необходимые предосторожности: поверхность радиатора должна оставаться не слишком высокой, чтобы избежать перегрева масла в радиаторе.

    Понравилась статья? Поделиться с друзьями:
    Все о сантехнике
    1 / 9
    2 / 9
    3 / 9
    4 / 9
    5 / 9
    6 / 9
    7 / 9
    8 / 9
    9 / 9