Принцип работы автомобильного генератора

Принцип работы генератора автомобиля

Принцип работы автомобильного генератора

Что такое автомобильный генератор – источник энергии, который в свою очередь в рабочем состоянии после пуска двигателя обеспечивает не только постоянную зарядку аккумулятора, но и снабжает электрической энергией все электрооборудование автомобиля. В случае неисправности данного устройства аккумулятор разрядиться в считанное время.

При запуске двигателя, работающего на светлых нефтепродуктах, будь то бензин или дизель, пусковой ток аккумулятора расходуется только на крутящий момент стартера. Далее вступает в работу электрический генератор автомобиля в режиме подзарядки батареи. В случае полной зарядки, величина выходного тока снижается до штатного уровня, необходимого для собственных нужд автомобиля.

Рисунок 1 – Автомобильный генератор

Если, после запуска непрогретого двигателя (к примеру, в зимнее время при отрицательных температурах), использовать световые приборы автомобиля, обогрев, включение обдува, включение света фар, то в этот момент потребление электроэнергии превышает вырабатываемый ток генератора на холостых оборотах мотора. В этом случае часть энергии будет компенсироваться током от аккумулятора – режим разрядки.

Принцип работы автомобильного генератора

В основу принципа работы автомобильного генератора положен закон электрической магнитной индукции.

Поворотом ключа, установленного в замок зажигания производится подача питания – электрического токаот аккумулятора на обмотку возбуждения генератора.

В последней в свою очередь производится наводка магнитного поля, что под воздействием электрической движущей силы – ЭДС приведет во вращение подвижную часть устройства, называемую ротором.

Обратите внимание

В конечном результате на выводных проводниках возникнет напряжение. И за счет специального устройства – выпрямительного блока, величина напряжения на выходе будет постоянной во времени. Данный блок выполняет важную роль – стабилизирует напряжение в тяжелых условиях эксплуатации и переменного числа оборотов мотора.

На рисунке 2 изображен классический регулятор напряжения автомобильного генератора. Если даже предположить выход из строя данной детали, то на выходной клемме будет напряжение напрямую зависеть от числа оборотов двигателя и достигать несколько десятков вольт. Этого будет достаточно для вывода из строя внешних осветительных ламп или другого оборудования приборной панели.

Рисунок 2 – Регулятор напряжения

Как работает автомобильный генератор

Приводной механизм автогенератора устроен так, что за счет ременной передачи от коленчатого вала происходит вращение ротора устройства. В разных модификациях автомобилей присутствуют различные способы привода: ручейковым ремнем либо поликлиновым.

Рабочее колесо – шкив генератора приводится во вращение посредством кинетической энергии, которая передается от работающего двигателя. Сердечник генератора, приведенный во вращение, порождает в обмотке статора электрическую движущую силу. В результате на выходной клемме автогенератора будет напряжение.

Устройство атомобильного генератора

Автомобильный генератор устроен из большого числа составляющих деталей, которые взаимосвязаны между собой в одном устройстве.

Абсолютно любой генератор, используемый в автомобилях, состоит из передней и задней крышек корпуса. Последняя, в свою очередь, стягивают неподвижную часть, называемую статором генератора.

Как правило, генераторы крепятся в передней части моторного отсека через отверстия в крышках устройства непосредственно к двигателю. Крышки изготавливаются из алюминиевого сплава в специальных отливочных формах и имеют вентиляционные отверстия, предназначенные для охлаждения генератора при его работе.

Рисунок 3 – Устройство автомобильного генератора

На корпусе крышке со стороны контактов выводов, как правило, устанавливается щеточный механизм, который собирается совместно со стабилизатором напряжения.

Статор собирается из тонкого стального проката толщиной до 1 мм. Есть варианты статоров, которые выполняются навивочным способом. Однако с целью экономии материала при изготовлении неподвижной части, он собирается из сегментов в виде подков.

Ротор генератора изготовлен из мягких марок сталей в случае работы его на шарикоподшипниковых опорах. По своей сути это электромагнит, который расположен на валу генератора. В случае применения роликовых подшипников вал изготавливается из легированной стали. На конце в месте посадочного места шкива выполнен на роторе специальный паз для надежного его крепления.

Важно

На рисунке 3 видно, что шкив генератора закручивается на резьбу вала ротора, в торцевой части которого имеется специально отфрезерованное под шестигранник отверстие. Данное отверстие предназначено для стопорения вала генератора в случае закручивания (отвинчивания) гайки крепления шкива.

Щеточный аппарат автогенератора – это графитно – медные контакты, которые прижимаются специальными пружинками к контактным кольцам.

Выпрямительный узел выполнен в форме диодного моста. Данный узел достаточно ответственный в генераторе и покрыт слоем изоляции для того, чтобы избежать короткого замыкания в результате случайно попавшей грязи, влаги или другого инородного дела в цепь аккумулятора. В данном случае возникает риск возникновения пожара и, к сожалению, такие случаи не редкость сегодня.

Подшипники генератора применяются простейшего типа, как правило, это шариковые и являются расходным материалом( как и щеточный аппарат), то есть с течением времени производят их замену. Устанавливаются на специальные посадочные места ротора в направлении по оси.

Охладитель генератора автомобиля выполнен традиционно воздухом (рисунок 4). Со стороны противоположной шкиву генератора на его вал установлен небольшой вентилятор, заключенный в кожух для защиты рабочего колеса.

Рисунок 4 – Вентилятор генератора

На сегодняшний день существует множество различных модификаций автомобильных генераторов. Большинство современных генераторов комплектуются электронными стабилизаторами напряжения с выдачей сигнала на панель водителя. Однако, в тех или иных случаях, принцип работы у всех моделей аналогичен вышеупомянутому.

Видео: как работает автомобильный генератор

Видео: генератор авто

Автомобильный генератор: виды, устройство, принцип работы и особенности прибора

Принцип работы автомобильного генератора

Так как для работы любого двигателя внутреннего сгорания нужна электрическая энергия, а возможности аккумулятора не безграничны, и хватает батареи только на запуск, то выработкой электричества занимается автомобильный генератор. Кроме того что это устройство обеспечивает всех потребителей электроэнергией, часть выработанного тока растрачивается на заряд АКБ и на самовозбуждение ротора. Давайте посмотрим, как работает генератор и как он устроен.

Назначение

Кроме того что автомобильный генератор питает электричеством бортовую сеть, он также необходим для восстановления запаса электроэнергии, которую аккумуляторная батарея потеряла во время запуска двигателя. Изначально обмотка возбуждается от постоянного тока на АКБ. Далее генератор уже самостоятельно вырабатывает электричество. Вращение генератору передается от коленчатого вала через шкив и ременную передачу.

Без исправно работающего генератора автомобиль сможет запуститься. Но проедет он недалеко. Завести авто в следующий раз может и не получиться – аккумулятор не подзарядился, и у него попросту не хватит возможностей для следующего запуска двигателя.

Работа автомобильного генератора полностью основана на физических законах электромагнитной индукции. С помощью этого явления можно трансформировать механическую энергию в электрическую. Подобный эффект проявится, если катушку медных проводов положить в область воздействия переменного магнитного поля.

Совет

Это будет способствовать образованию в катушке и проводах электрической силы, которая заставит двигаться электроны. Затем посредством этого движения на выводах катушки появится ток.

На контактах проводов возникнет напряжение. А вот уровень его зависит от того, как быстро изменяется магнитное поле.

Полученное напряжение в результате работы генератора – переменное, и оно будет подано к внешним потребителям.

Технические характеристики

За процесс обеспечения всех потребителей электрической энергией в генераторе отвечают токоскоростные характеристики автомобильных генераторов. Это зависимость максимального тока от частоты вращения якоря.

При этом нужно знать, сколько тока в амперах способна выдать установка. Возможности находятся в пределах 55-120 ампер. Если при рабочем режиме прибор не выдает достаточное количество тока, то он неисправен.

Также имеются внешние, регулировочные, нагрузочные характеристики и показатели холостого хода.

Устройство автомобильного генератора на самом деле несложное. Для создания магнитного поля в нем применяется специальный элемент – статор. Этот элемент представляет собой обмотку.

В магнитом поле, создаваемым статором, вращается ротор или якорь генератора. Ротор представляет собой вал особой конструкции. Он также оснащен обмотками.

Последние подключены к кольцам – они необходимы для подачи к ротору напряжения.

Крепление

Автомобильный генератор легко найдет в подкапотном пространстве даже новичок. Он закреплен на двигателе при помощи болтовых соединений. На корпусе предусмотрены монтажные лапы и специальная натяжная проушина, служащая для подтяжки приводного ремня.

Корпус

В корпусе находятся практически все блоки и узлы подобного устройства. Корпуса для генераторов изготавливаются из сплавов, одно из свойств которых – низкая масса. Зачастую основной компонент таких сплавов – алюминий. Он отлично подходит для этих задач – алюминий хорошо и эффективно справляется с отдачей в атмосферу тепла. Корпус состоит из двух частей. Это крышка и торцевая заглушка.

На передней части закреплен щеточный узел и диодный мост, служащий выпрямителем. Каждая из крышек образует друг с другом цельную конструкцию при помощи болтового соединения со специальными болтами. Обе крышки изнутри надежно удерживают внешнюю часть вала ротора.

В корпусе также есть еще две важные детали – это подшипники. В большинстве генераторов используется два подшипника: один – тыловой, второй – фронтальный. Оба подшипника обеспечивают валу ротора возможность вращаться.

Обратите внимание

Роторный узел представляет собой конструкцию из электромагнитов и катушки возбуждения. Два этих элемента смонтированы на одном валу. Последний изготавливается преимущественно из легированных сталей с небольшим содержанием присадок в виде свинца.

На валу ротора также находятся кольца и токосъемные щетки с подпружиненными контактами. Контактные кольца необходимы, чтобы ток подавался на ротор.

Статор

Продолжаем изучать устройство автомобильного генератора. Статор – это узел, представляющий собой сердечник с большим количеством пазов. В большинстве моделей таких пазов 36. В них вложены проволочные витки из трех обмоток.

Обмотки соединены между собой по схеме «звезда» или «треугольник». Сердечник или магнитопровод изготавливается в виде окружности. Он набран металлическими пластинами. Пластины соединяются между собой при помощи заклепок или сваркой.

Сердечник представляет собой монолитный узел.

Чтобы повысить уровень напряженности, на статорных обмотках при производстве пластин применяют специальное трансформаторное железо. Оно обладает усиленными магнитными характеристиками, в отличие от обыкновенного.

Регуляторы напряжения автомобильных генераторов служат для компенсации нестабильности при вращении ротора, который соединен с коленчатым валом двигателя посредством приводного ремня. Коленчатый вал работает в широком диапазоне оборотов. Регулятор соединен с графитовыми щетками и призван стабилизировать постоянное выходное напряжение, которое поступает в электрическую сеть авто.

Без регулятора невозможно будет запустить в работу генератор. Кроме того, даже если запуск удастся, невозможно будет осуществлять контроль подачи тока. Регуляторы могут удерживать ток в определенных интервалах.

Принцип работы реле-регулятора

Если к источнику электричества подключить обмотку без реле-регулятора, то уровень постоянного тока будет высоким. При помощи реле в схеме этот параметр выравнивается, чтобы не вышло из строя электрооборудование в автомобиле.

По сути, реле-регулятор автомобильного генератора – это что-то вроде выключателя. Если напряжение вырастает до 13-14 вольт, то прибор автоматически отключает обмотку и включит ее, когда ток будет более низким.

В результате регулярные подключения/отключения проводки позволяют генератору вырабатывать более высокое напряжение.

Сколько подобный прибор должен вырабатывать – это неважно. Когда энергия уже сгенерирована, ее нужно выпрямить. Для этих целей генератор оснащен диодным мостом. Так как напряжения большие, в работу включается регулятор, элемент моментально реагирует на изменения силы тока.

Важно

Затем эта информация отправляется к сравнивающему устройству. Оно нужно для анализа показаний и сравнения с теми, которые только-только поступили.

Если напряжение автомобильного генератора низкое, то регулятор будет увеличивать постоянный ток в схеме, тем самым повышая его до необходимого уровня.

В различных генераторах используются разные типы реле-регуляторов. Это двухуровневые устройства, электронные приборы, трехуровневые, многоуровневые.

Первые двухуровневые реле сегодня считаются устаревшими. Но автолюбители, несмотря на это, продолжают их активно использовать в схемах подключения автомобильного генератора.

В основе такого двухуровневого регулятора лежит электрический магнит, подключенный к датчику на обмотке. В качестве задающего элемента выступают пружины – их несколько.

В качестве сравнивающего компонента выступает подвижный рычаг – он же и коммутирует проводку. Главный недостаток регуляторов такого типа – это небольшой ресурс.

Электронные модели регуляторов с предельным током автомобильного генератора до 40 А – полупроводниковые. Они имеют большой ресурс. Что касается их неисправностей, то, по сравнению с двухуровневыми аналогами, поломки здесь бывают реже.

Совет

Трехуровневые решения практически не отличаются от вышерассмотренных регуляторов. Разница здесь лишь в том, что данные приборы имеют также добавочное сопротивление.

Многоуровневые решения – это еще один вид реле-регуляторов. Они обладают тремя или даже пятью сопротивлениями. Кроме того, в продаже имеются модели со следящим режимом работы.

Диодный мост или выпрямитель генератора

Так как для нормальной работы электрооборудования автомобилей нужен постоянный ток, то выход автомобильного генератора питает электросеть через специальный узел, собранный на выпрямительных диодах.

Конструкция представляет собой трехфазный выпрямитель. В нем имеется шесть диодов – три подключаются на массу, а еще три – к плюсовому контакту агрегата. Именно они предназначены для превращения переменного напряжения в постоянное.

Этот элемент представляет собой пластиковую конструкцию. Он необходим для передачи напряжения к контактным кольцам на роторе. Внутри находится несколько деталей. Однако главные среди них – это подпружиненные щетки. Они могут быть электрографитовыми или же более стойкими к износу – меднографитовыми.

Конструктивно в современных генераторах щеточный узел представляет собой единый блок с реле-регулятором.

Охлаждение

В процессе работы генератор может существенно нагреваться. Отвод лишнего тепла обеспечивается вентилятором, который закреплен на роторном валу. Генераторы со щетками, регулятором и выпрямителем вынесены за корпус с защитным кожухом. Устройства берут холодный воздух через щели.

Режимы работы

Чтобы понять, как работает автогенератор, нужно немного представлять, в каких режимах он эксплуатируется. Таких режимов всего два – это начальный этап в момент запуска мотора и рабочий режим.

В момент запуска силового агрегата главным прибором, потребляющим электричество, является стартер. Генератор еще не запущен и не вырабатывает электричество. Ввиду того что стартер потребляет ток, аккумулятору приходится интенсивно тратить энергию.

После того как мотор выйдет в свой основной рабочий режим, генератор начнет обеспечивать всех потребителей электричеством. Он будет генерировать ток, который нужен для работы основных потребителей.

Вместе с этим мощности автомобильного генератора хватает и на подзарядку АКБ. По мере того как в работу включаются более мощные потребители, генератора может не хватать. Тогда энергия поступает также и от аккумулятора.

При этом заряд батареи расходуется очень быстро.

Поломки генератора могут быть самыми разными. В одном случае для ремонта достаточно заменить диодный мост, в другом – выполнить замену более значимых деталей.

Итак, среди основных неисправностей – выход из строя цепи. Это могут быть обрывы, замыкания, любые другие нарушения.

В данном случае ремонт автомобильного генератора заключается в том, чтобы проверить, какой ток и какое напряжение выдает генератор. Затем выбирают решение.

Обратите внимание

Также одна из поломок – износ графитовых щеток или диодов в выпрямительном мосте. Все эти неисправности легко устраняются своими руками.

Шум при работе генератора говорит о дефектах подшипниковых узлов, а также о недостаточном количестве смазки. Также возможен износ сепараторов, проворачивание колец. При воющих звуках можно заметить такие поломки, как межвитковое замыкание статорных обмоток. В таких случаях лучше доверить ремонт агрегата профессионалам.

Заключение

Итак, мы выяснили, что собой представляет генератор. Как видите, это довольно значимый и необходимый элемент в любом автомобиле.

Принцип работы генератора автомобиля

Принцип работы автомобильного генератора

Принцип работы генератора состоит в преобразовании механической энергии в электрическую. Происходит это за счет явления электромагнитной индукции.

Суть его состоит в том, что при пересечении проводником электричества силовых линий магнитного поля, на концах первого возникает разность потенциалов. То есть электрическое напряжение.

Принцип работы автомобильного генератора заключается в том же.

Генератор автомобиля является генератором переменного тока со встроенным в него выпрямителем.

Для чего автомобилю нужен генератор

Каждому автомобилю для работы нужна электрическая энергия. Она используется для пуска и работы двигателя, освещения дороги. Контрольные приборы и световая индикация тоже используют ее для нормального функционирования.

Поэтому электрический аккумулятор в процессе работы автомобиля быстро разряжается. Чтобы он заряжался во время работы двигателя, на каждый автомобиль, оснащенный двигателем внутреннего сгорания, устанавливают генератор.

Состав и устройство автогенератора

Автогенератор состоит из следующих частей:

  • Статор, включающий в себя сердечник из пластин электротехнической стали с тремя намотанными на него катушками медного эмалированного провода диаметрам чуть меньше миллиметра. Соединяются эти обмотки между собой «звездой», а к их свободным концам подключаются диоды выпрямителя.
  • Ротор, состоящий из сердечника с 6 полюсами и намотанной внутри этой конструкции катушки изолированного медного провода, выводы которой подключены к двум медным контактным кольцам. Эта катушка является обмоткой возбуждения автогенератора.
  • Блок диодов выпрямителя. Его схема состоит из 6 мощных диодов, расположенных на двух алюминиевых подковах и попарно соединенных между собой. Способом их коммутации здесь, как правило, бывает схема Ларионова. Эта схема преобразует трехфазное переменное напряжение в постоянное.
  • Дюралюминиевый корпус автогенератора, с изолированной от него клеммой выхода, и с элементами крепления к двигателю. Выполнен он из двух половинок: передней и задней, стягивающимися между собой длинными болтами с гайками.
  • Регулятор напряжения со щетками. В более ранних конструкциях автогенератора регулятор напряжения не объединялся с блоком щеток, а устанавливался в моторном отсеке отдельно. Схема подключения автогенератора со встроенным и вынесенным регулятором напряжения несколько различается.
  • Помехоподавляющий конденсатор. Служит для уменьшения помех радиоаппаратуре в бортовой сети автомобиля. Подключается параллельно выходу генератора, то есть один его вывод присоединяется к плюсовой клемме устройства, а другой к «массе» автомобиля.
  • Приводной шкив, часто соединенный с крыльчаткой охлаждения.

Схема регулятора напряжения, по сути, является усилителем тока с отрицательной обратной связью по напряжению.

То есть повышение напряжения на выходе автогенератора приводит к уменьшению тока проходящего через обмотку возбуждения ротора, что ослабляет его магнитное поля, а из-за этого уменьшается напряжение на выходе устройства.

В современных генераторах для питания обмотки возбуждения используются дополнительный выпрямитель из трех маломощных диодов. Это исключает протекание тока через обмотку возбуждения при выключенном зажигании и упрощает схему индикации наличия или отсутствия зарядки.

При включении зажигания, через индикаторную лампочку, на регулятор напряжения подается питание. Пока нет зарядки, ток возбуждения генератора идет через лампочку и она светится. А как только генератор начинает вырабатывать энергию, питание на регулятор подается с дополнительных диодов, ток через контрольную лампочку прекращается и она гаснет.

Работа агрегата

При прохождении тока по обмотке возбуждения автогенератора, вокруг ротора возникает магнитное поле.

Последнее преобразуется блоком диодов в постоянное. Необходимая для нормальной зарядки аккумулятора величина постоянного напряжения (от 13,9 до 14,2 В) поддерживается при помощи реле-регулятора, которое при повышении напряжения выше верхнего значения, уменьшает ток возбуждения. А при снижении ниже нижнего, увеличивает его. Так устроен любой автогенератор.

Немного истории

Первые автомобильные генераторы были генераторами постоянного тока. Такими генераторами автомобили комплектовались вплоть до начала 60 годов прошлого века. Их главное отличие от генераторов переменного тока в том, что электромагниты, создающие магнитное поле, неподвижны.

ЭДС находится во вращающихся в этом поле обмотках ротора. Снимается же ток с изолированных между собой полуколец, поэтому на каждой щетке присутствует напряжение только одной полярности.

Их недостатками является сложная конструкция щеточно-коллекторного узла и низкая надежность из-за большого тока, протекающего через контакты между щетками и коллекторными пластинами.

Важно

Поэтому, как только промышленность стала выпускать полупроводниковые диоды достаточной мощности, генераторы постоянного тока на автомобилях стали заменять генераторами переменного тока с полупроводниковыми выпрямителями.

Выпрямители первых таких генераторов для автомобиля были селеновыми. Они имели большие размеры, а их рабочая температура была значительно ниже, чем у современных кремниевых. Поэтому они не могли размещаться внутри генератора.

Первые регуляторы напряжения были вибрационные. Они представляли собой реле, регулирующее ток возбуждения за счет частых кратковременных разрывов цепи, питающую катушку ротора. Поэтому регулятор напряжения до сих пор часто называют реле-регулятор.

Они имели нормально замкнутые контакты, подающие питание на катушку якоря. При повышении напряжения бортовой сети, обмотка реле притягивала сердечник и разрывала цепь питания якоря.

От этого падало выходное напряжение генератора, реле переставало удерживать сердечник, и цепь питания ротора вновь замыкалась.

На смену им пришли полупроводниковые регуляторы на дискретных элементах. А за ними и интегральные регуляторы напряжения, обладающие столь малыми размерами, что их стали объединять в один узел со щетками и вставлять в корпус генератора.

Надежность генераторов

Наибольшее влияние на надежность и срок службы автомобильных генераторов оказывает качество подшипников ротора, щеточно-коллекторного узла и изоляции обмоток. Первый и последний фактор зависит главным образом от уровня технологии производства комплектующих. Воздействие второго стремятся устранить, разрабатывая бесконтактные индукторные генераторы с укороченными полюсами.

Такие генераторы уже несколько десятков лет используют на тракторах и на сельхозтехнике. На автомобилях они пока не применяются из-за того, что еще не найдены пути ликвидации их главных недостатков: небольшой удельной мощности, большой амплитуды пульсации напряжения и значительного магнитного шума. Надежность же их заметно выше, чем у их предшественников, обладающих щетками.

Принцип действия автомобильного генератора

Принцип работы автомобильного генератора

На примере генератора 37.3701 автомобилей ВАЗ 2108, 2109, 21099.
В основе работы генератора лежит преобразование механической энергии в электрическую, появляющуюся при вращении его ротора в постоянном магнитном поле статора (электромагнитная индукция).

Принцип действия генератора

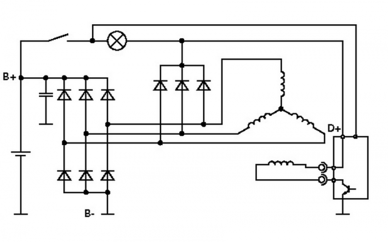
  • Подача напряжения на обмотку возбуждения генератора.
  • После поворота ключа в замке зажигания в положение «1» — «включено» запитывается обмотка возбуждения генератора расположенная на роторе. Электрический ток проходит по следующей цепи от плюса к минусу:

    — «плюс» АКБ – вывод «30» генератора

    — контакты 5, 6 колодки Ш8 монтажного блока

    — контакт 6 колодки Ш1 монтажного блока

    — контакты «30» и «87» реле зажигания

    — контакт 3 колодки Ш1 монтажного блока

    — предохранитель №5 монтажного блока

    — дополнительные резисторы в монтажном блоке

    — лампа заряда АКБ на панели приборов

    — вывод «61» генератора

    — вывод «В» регулятора напряжения

    — обмотка возбуждения ротора генератора (через щетку щеточного узла)

    — вывод «Ш» регулятора напряжения (через другую щетку)

    — «масса»

    Контрольная лампа заряда аккумуляторной батареи горит, сигнализируя, что обмотка возбуждения генератора запитана от АКБ и ее цепь исправна.

  • Работа генератора после пуска двигателя.
  • После пуска двигателя автомобиля генератор приводится в движение ремнем от шкива на коленчатом валу двигателя, начинает вырабатывать электрический ток и подавать его на потребители (электрооборудование автомобиля). Происходит это следующим образом:

    — Протекающий по обмотке возбуждения генератора электрический ток создает вокруг полюсов ротора магнитное поле.

    — При вращении ротора его полюса попеременно проходят над каждым из зубцов статора генератора. При этом магнитный поток, проходящий через зубцы статора, меняется по величине и направлению. Он пересекает витки обмотки статора и создает в нем электродвижущую силу (ЭДС). Обмотка статора начинает выдавать электрический ток переменного напряжения.

    — Переменный ток, вырабатываемый генератором, преобразуется в постоянный в выпрямительном блоке (диодном мосту) генератора и подается потребителям через вывод «30». Он же через дополнительные диоды (их общий вывод) питает обмотку возбуждения генератора.

    — Контрольная лампа заряда АКБ гаснет, так как напряжение на выводе «30» и выводе дополнительных диодов «61» одинаково. Ток в этом случае через лампу не протекает и она не горит. Если контрольная  лампа не гаснет после пуска, то возможно генератор вообще не вырабатывет электрический ток, либо напряжение вырабатываемого тока ниже напряжения бортовой сети.

    — Чем выше вращение ротора генератора, тем больше напряжение вырабатываемого генератором тока. При достижения порога 13,6 – 14,6 В (для генератора 37.3701) в работу вступает регулятор напряжения.

    Выходной транзистор в нем запирается, и ток через обмотку возбуждения прерывается. Когда напряжение падает ниже пороговых значений, транзистор отпирается.

    Такие циклы запирания-отпирания повторяются с большой частотой, поддерживая значение напряжения на выходе с регулятора в пределах 13,6 – 14,6  В.

    — После выключения зажигания и остановки двигателя автомобиля генератор перестает вырабатывать электрический ток, питание потребителей происходит от аккумуляторной батареи.

    Примечания и дополнения

    — Электромагнитная индукция – явление возникновения электрического тока в замкнутом контуре при изменении магнитного потока проходящего через него.

    — Транзистор – полупроводниковый элемент с тремя выводами: подача сильного тока (коллектор), подача слабого управляющего тока (база), выход тока (эмиттер). При определенной величине управляющего тока транзистор меняет свое сопротивление и может либо запирать выход тока, либо, наоборот открывать.

    Еще статьи по генератору автомобилей ВАЗ 2108, 2109. 21099

    — Проверка диодного моста генератора без снятия его с двигателя

    — Неисправности генератора автомобилей ВАЗ 2108, 2109, 21099

    — Проверка генератора автомобиля без снятия его с двигателя

    Принцип работы генератора автомобиля

    Принцип работы автомобильного генератора

    x

    Check Also

    Определение неисправности и замена датчика коленвала Постоянное совершенствование силовых установок сказывается положительно на общих характеристиках двигателя, но не очень на общей технической части автомобиля. Ведь …

    ??????? ??????? ?????????? (???) ?????? ? ?????? ??ae?????? ?????????????? ???????????? ??????????? ????. ??????? ??????? ?????????? ????????????? ??? ??­??­??­??? ???????? ????????? ??????? ? ??????????? ???ae???? ??????, …

    Что такое жидкое стекло для авто и для чего оно нужно В повседневном общении “жидким стеклом” называют довольно широкий спектр средств, применяемых в качестве строительных …

    В последнее время большой популярностью пользуются всесезонные шины. Зачастую их приобретают экономные владельцы транспортной техники, чтобы не покупать два комплекта покрышек, один из которых обязательно …

    Двигатели TSI (Turbo Stratified Injection, от англ. турбонаддув и послойный впрыск) — бензиновые силовые агрегаты с непосредственным (прямым) впрыском топлива и турбонаддувом. Данные моторы производятся …

    Совет

    ABS: что это такое и как работает История возникновения ABS Принцип действия Как устроена ABS? Датчики скорости колёсного вращения Электронный блок управления Модуляторы гидравлического блока …

    Привод спидометра — основные неисправности и их ремонт Привод спидометра — основные неисправности и их ремонт 1. Автомобильный спидометр: предназначение и устройство механизма 2. Поломки …

    Поговорим о сердце любого двигателя внутреннего сгорания – маслонасосе. Именно масляный насос нагнетает давление в системе смазки, позволяя смазывать трущиеся пары, отводить тепло и продукты …

    Стабилизаторы поперечной устойчивости – чтобы легко преодолевать повороты! Задача стабилизатора поперечной устойчивости передней и задней подвески заключается в том, чтобы увеличивать устойчивость транспортных средств при …

    Термостат — признаки неисправности и способы решения проблемы Любой двигатель при работе требует охлаждения. Для этого в блоке есть специальные каналы, а снаружи предусмотрен термостат. …

    В помощники беру Volvo S60, оснащенный кучей электронных ассистентов. Мне в первую очередь нужен адаптивный круиз-контроль, умеющий поддерживать не только заданную скорость, но и дистанцию …

    Что же такое ТВС (топливно воздушная смесь) и какой она должна быть Мощность двигателя, а, следовательно, скорость, разгон и рывок автомобиля напрямую зависят от характеристик …

    ШРУС (шарнир равных угловых скоростей, «граната») состоит из двух основных элементов – обоймы и корпуса. Обойма расположена внутри корпуса. Их поверхности оснащены специальными параллельными углублениями …

    Газораспределительный механизм (сокращенное наименование – ГРМ) предназначен для обеспечения своевременной подачи в цилиндры двигателя воздуха или топливно-воздушной смеси (в зависимости от типа двигателя) и выпуска …

    Обратите внимание

    Газ на авто плюсы и минусы. Разберем пропан и метан + видео Эта статья назревала сама собой, особенно после таких популярных материалов как – пропан …

    Современный автомобильный двигатель вместо карбюратора в своей конструкции имеет инжектор. Бензонасос ВАЗ 2114 монтируется в топливном баке автомобиля. Конструкция насоса позволяет ему создавать давление в …

    Редукционный двигатель масляного насоса: устройство и ремонт неисправностей Бесперебойная работа автомобильного двигателя зависит от множества факторов: качества топлива, системы вентиляции и охлаждения устройства. Нельзя забывать …

    Лада 2101 Краповый Феникс › Бортжурнал › Мозги для сердца (МПСЗ-микропроцессорная система зажигания) Вот и сбылась мечта… Каких-то 5-6 лет изучения темы, ожидания и сомнений …

    Как проверить топливный насос, диагностика неисправностей Владельцы автомобилей с большим пробегом нередко сталкиваются с таким явлением, как упавшее или полностью отсутствующее давление в топливопроводе. Причины …

    В конструкции различных ДВС независимо от типа (бензин или дизель) привод распределительного вала может быть как цепным, так и ременным. При этом каждый тип привода …

    Чтобы водитель во время передвижения на автомобиле мог контролировать скорость перемещения, а также рабочие параметры автомобиля, в салоне на передней панели установлена приборная доска, с …

    Топливный насос высокого давления (сокращенное наименование – ТНВД) является одним из основных конструктивных элементов системы впрыска дизельного двигателя. Насос, выполняет, как правило, две основные функции: …

    Важно

    Для повышения мощностных характеристик, экономичности и снижения выбросов вредных веществ в конструкции современных двигателей применяется изменение геометрии впускного коллектора. Рассмотрим принцип работы впуска переменной длины …

    Самая неприятная уязвимость – это уязвимость кодграббером, ведь они способны полностью отключить противоугонные функции и отпереть салон. А раз есть доступ в салон и время …

    Устройство и принцип работы автомобильного генератора

    Принцип работы автомобильного генератора

    x

    Check Also

    Карбюраторный впрыск, будучи устаревшей системой по сравнению с инжектором, все равно является достаточно распространенной схемой питания ДВС. Сегодня карбюраторы встречаются преимущественно на машинах отечественного производства …

    Для систем электрооборудования и электронных систем автомобиля график интенсивности отказов X(t) от времени эксплуатации показан на рис. 10.3. Время работы электрооборудования и электронных систем подразделяется …

    Подвеска – это один из основных механизмов в конструкции любого транспортного средства. Благодаря ей автомобиль способен передвигаться по неровным участкам дороги, снижая удары и колебания. …

    Краш тесты автомобилей методика испытаний, меры, направленные на усовершенствование транспортных средств в плане безопасности позволяют снизить количество смертельных исходов, но этого часто бывает недостаточно. Другим …

    Гибридным автомобилем называется транспортное средство, приводимое в движение с помощью гибридной силовой установки. Отличительной особенностью гибридной силовой установки является использование двух и более источников энергии …

    Вокруг коробки передач DSG сформировалось множество мифов и легенд. Автомобилисты где-то слышали о ее проблемах, но точно не могут их сформулировать. Попробуем ответить на все …

    Stanislavovic › Блог › Эксперименты с карбюратором и зажиганием. Тюнинг карбюратора. • Давно хотел поделиться личным опытом по поводу тюнинга классических Жигулей за счёт регулировок …

    Что происходит, если изнашивается датчик положения распределительного вала. Это может произойти в любое время без предупреждения. Представьте, Вы едете по шоссе, двигаясь на большой скорости, …

    pomaxa79 › Блог › Как часто нужно менять тормозную жидкость? Исправная тормозная система – залог безопасного движения, именно поэтому так важно следить за тормозами и …

    Проводим своими руками на автомобиле шумоизоляцию от посторонних звуков снаружи Шумоизоляция салона автомобиля — это важная составляющая комфортной езды. Даже если водитель является обладателем автомобиля …

    Совет

    Производство тормозных колодок – процесс трудоемкий, который требует детального рассмотрения, так как имеет некоторые особенности. При этом при производстве, именно к колодкам предъявляются самые высокие …

    Спрос на шиномонтажные услуги постоянно растет. Это связано с постоянным ростом количества автомобилей в городах. Рынок не имеет строгих правил, и это помогает работать на …

    Практически все известные компании специализирующиеся на выпуске смазочных материалов предлагают своему покупателю продукцию исключительно высокого качества, отлично зарекомендовавшую себя на протяжении многих лет. В данной …

    Преимущества и недостатки прямого впрыска двигателя GDI Ещё в начале 2000-х годов в Россию начали попадать первые автомобили Mitsubishi с обозначениями GDI около индексов, указывающих …

    Разработка электронных систем управления для любых типов двигателей, автоматических трансмиссий, гибридных и электрических автомобилей. Главная Направления Разработка и создание Центр информационных и интеллектуальных систем Выполненные …

    Автомобиль — это не только средство передвижения. Машина даёт водителю возможность самовыражения. Цвет, технические характеристики, марка и модель — эти критерии позволят определить характер, образ …

    Понятие, плюсы и минусы механического нагнетателя Supercharger Механический наддув – это процесс увеличения давление некой смеси на впуске двигателя для повышения массы горючей смеси в …

    Карданные передачи используются во многих как грузовых, так и легковых автомобилях. А если учесть всевозможную сельскохозяйственную технику, то там карданная передача нашла весьма широкое применение. …

    Обратите внимание

    Десять автомобильных марок, которые являются самыми надежными Автобренды, которые делают качественные и надежные автомашины. Надежность стала повсеместным ярлыком, который производители автомобилей любят «цеплять» к своим …

    Всё о свечах зажигания: виды, рейтинг, правила подбора, неисправности Наряду с моторным маслом, фильтрами и тормозными колодками, свечи зажигания в номенклатуре автомобильных запасных частей принадлежат …

    Прибор ночного видения на авто своими руками:где взять и как установить Прибор ночного видения на авто своими руками:где взять и как установить Что такое прибор …

    Сегодняшняя статья посвящена проверки аккумулятора автомобиля. В процессе эксплуатации автомобиля мы периодически сталкиваемся с вопросом как проверить аккумулятор. Обычно это происходит в двух случаях, при …

    Здравствуйте, уважаемые автомобилисты! Нет такого водителя, который не слышал бы, как у его автомобиля скрипят тормозные колодки. Казалось бы, что им нужно, купил и установил …

    Пружина и амортизатор — два отдельных узла, являющихся важными элементами подвески. Пружина «принимает» на себя вес автомобиля, в то время, как амортизатор гасит колебания кузова …

    Принцип работы автомобильного генератора

    Принцип работы автомобильного генератора

    Генератор чаще всего находится в передней части двигателя, он работает за счет вращения коленчатого вала. У новых машин гибридного типа генератор исполняет роль стартера – генератора. И в других системах старт – стоп такой же. Основные производители генератора сегодня это Bosch, Delphe, Denso. По особенностям конструкции генераторы делят на традиционные и компактные…

    Отличаются генераторы конструкцией корпуса, расположением вентилятора, габаритами, выпрямительным узлом, шкивом привода.

    В состав генераторов обычно входит:

    • корпус;
    • ротор;
    • регулятор напряжения;
    • статор;
    • щеточный узел

    Генератор создает вращающееся магнитное поле. Роторный вал для этого имеет так называемую обмотку возбуждения. Обмотка находится в двух половинках полюса. У каждой половины есть по шесть выступов.

    Также на валу находятся контактные кольца, эти кольца делают из меди, можно встретить стальные и латунные. К кольцам присоединяются выводы перемотки возбуждения. Роторный вал имеет приводной шкив и одну или две крыльчатки. Пара не разборных подшипников образует подшипниковый узел. Возле контактных колец может находиться специальный роликовый подшипник.

    Различают несколько видов роторов:

    • ротор из постоянного магнита;
    • ротор из электромагнита;
    • ротор из мягкой магнитной ферромассы

    У ротора из постоянного магнита непрерывная работа генератора обеспечивается за счет вращения постоянного магнита. У ротора из электромагнита есть вращающаяся перемотка возбуждения. На роторе находятся контактные кольца. На крышке агрегата расположены неподвижные щетки. Обмотка возбуждения соединяется контактными кольцами и щетками с наружной электрической цепью.

    Ротором может быть специальная пассивная ферромасса, которая имеет вид тонких пластин. На статоре расположены обмотка возбуждения магнита и фазная перемотка. Статор создает переменный электрический ток и связывает обмотку и металлический сердечник.

    В состав сердечника входят стальные пластины. У сердечника есть специальные 36 прорезей для обмоток. Должно быть три обмотки, они вместе образуют трехфазное соединение.

    Важно

    В пазы обмотки могут укладывать петлевым или волновым способом, соединяются обмотки или по схеме треугольник или по схеме звезда.

    Основные детали генератора располагаются внутри корпуса. Корпус имеет переднюю и заднюю крышки. Передняя крышка расположена в месте, в котором проходит приводной шкив.

    Задняя крышка находится с той стороны, где размещаются контактные кольца. Друг с другом крышки соединяются болтами. Изготавливают крышки из сплавов алюминия, так как эти сплавы легкие, немагнитные и они рассеивают тепло.

    Крышки должны иметь вентиляционные отверстия и крепежную лапу (или две).

    Ток возбуждения через щеточный узел передается на контактные кольца. Этот узел состоит из графитных щеток, их придавливают пружины специального держателя. У современных генераторов неразборный блок включает щеткодержатель и регулятор напряжения.

    Выпрямительный блок, как один из элементов генератора, нужен для преобразования синусоидального напряжения, которое производит устройство в напряжение с постоянным током. В состав выпрямительного блока входят теплоотводящие пластины с встроенными диодами. Выпрямительный блок подключается к схеме генератора при помощи болтовых соединений или пайки.

    Для поддержания напряжения в определенных значениях служит регулятор напряжения. У современных генераторов могут быть интегральные или полупроводниковые электронные регуляторы.

    При изменении скорости вращения коленчатого вала (повышении или уменьшении) напряжение в обмотке автоматически стабилизируется.

    Регулятор, встроенный в генератор, контролирует продолжительность и частоту электрических импульсов.

    Генератор приводится в движение за счет ременной передачи, от которой зависит частота вращения ротора. А частота вращения должна быть в несколько раз выше, чем скорость вращения коленчатого вала.

    Схема автомобильного генератора

    Ротор генератора Статор генератора Проверка работы статора

    Принцип работы генератора

    Включают зажигание, электрический ток по контактным кольцам и щеточному узлу идет на перемотку возбуждения. В результате образуется магнитное поле. Вместе с коленчатым валом начинает вращаться ротор, создавая магнитное поле, пронизывающее обмотки статора.

    Напряжение переменного тока появляется на выводах перемоток. Частота вращения повышается до определенного значения, генератор при этом работает в режиме самовозбуждения. В выпрямительном блоке переменное напряжение преобразуется в постоянное напряжение.

    В итоге, генератор обеспечивает потребители электричества и аккумулятор током.

    При изменении скорости вращения коленчатого вала или изменении нагрузки (увеличении или понижении) начинает свою работу регулятор напряжения, который управляет временем включения перемотки возбуждения.

    Совет

    При уменьшении внешних нагрузок или когда увеличивается частота вращения ротора, время включения обмотки возбуждения сокращается.

    Если ток потребления увеличивается настолько, что генератор не справляется, начинает работать АКБ.

    На панели приборов у современных автомобилей есть контрольная лампочка, которая указывает на отключение генератора.

    Технические характеристики генераторов:

    • ток;
    • номинальное напряжение;
    • частота возбуждения;
    • коэффициент полезного действия;
    • частота самовозбуждения

    Показатели номинального напряжения – 12 или 24 В. Напряжение связано с электрической системой генератора.

    Наибольший допустимый ток отдачи, который устройство вырабатывает при номинальной частоте вращения (6 тысячам об/мин), называется номинальным током.

    Величина тока зависит от скорости вращения ротора. Характеристика тока кроме номинальных значений имеет показатели наименьшего тока и наименьшей рабочей частоты и наибольшего тока и наибольшей частоты. Значения минимального тока могут составлять 40-50 процентов от номинального значения. Более чем на 10 процентов наибольший ток не должен превышать номинальный.

    За работоспособностью генератора нужно следить постоянно, ибо это влияет на работоспособность и долговечность аккумуляторной батареи автомобиля.

    Основные поломки генератора

    Источник

    Принцип работы генератора автомобиля для «чайников» Видео

    Принцип работы автомобильного генератора

    x

    Check Also

    Фильтр тонкой очистки топлива защита от больших проблем Обычно, в транспортных средствах применяется система двойной очистки топлива, которая включает в себя два типа фильтрующих элемента: грубой стадии (предварительной) и фильтр …

    Главный тормозной цилиндр – центральный конструктивный элемент рабочей тормозной системы. Он преобразует усилие, прикладываемое к педали тормоза, в гидравлическое давление в тормозной системе. Работа главного тормозного цилиндра основана на свойстве …

    На современных автомобилях нередко применяется турбонаддув — он позволяет повысить мощность двигателя благодаря увеличению количества топлива, впрыскиваемого в цилиндр за один цикл. Ещё с середины XX века существуют автомобили, в …

    Обратите внимание

    Любой владелец автомобиля рано или поздно сталкивается с необходимостью замены аккумулятора. Конечно же, редко кто меняет аккумуляторную батарею, поскольку пришел положенный срок. В основном большинство, как начинающих, так и водителей …

    Хороший хозяин своего автомобиля мечтает, чтобы его «железный конь» всегда имел презентабельный внешний вид. Всем известно, что рано или поздно, независимо от условий эксплуатации автомобиля, на нем начинает формироваться коррозия, …

    Самый популярный отечественный внедорожник ВАЗ 2121 «Нива» был разработан на базе вазовской шестерки. Двигатель также остался от ВАЗ 2106, но получил косметические доработки. Позже был создан двигатель 213 на 1,7 …

    Любой двигатель автомобиля состоит из систем и механизмов, тесно взаимодействующих между собой. Но чтобы все системы и механизмы пришли в действие, и двигатель заработал, требуется принудительно привести в действие их. …

    «Классика» советского, а позже и российского автопрома, оснащалась только самыми необходимыми опциями, так как при отсутствии конкуренции производителю незачем было предусматривать множество вариантов комплектации. Именно поэтому автомобиль был простым, а …

    Что такое регулятор давления тормозов? Как его заменить? Принцип работы! Добро пожаловать! Слышали где ни будь о такой вещи под названием «Регулятор давления задних тормозов»? Его ещё в сокращённом виде …

    Лада 4x4 3D › Бортжурнал › Фонарь заднего хода и подкапотный фонарь Началось всё с перечисленных на фотке деталей, вроде не связанных друг с другом =) Далее руки — не …

    КПП робот что это? Чем отличается автоматическая коробка передач от робота Современные автомобили оборудуются разными типами коробок передач и потребителю особенно при покупке своей первой машины бывает тяжело сделать правильный …

    Toyota Corolla Levin XZ в Кургане › Бортжурнал › Система контроля давления в шинах и как она работает. Наткнулся я на бескрайних просторах интернета на очень полезную статейку, о том, …

    Резонатор и задний глушитель выполняют одну и ту же функцию: снижение уровня шума, но при этом имеют разную конструкцию. Резонатор является одним из типов глушителей и очень часто называется средним …

    Скрипят тормоза при торможении на машине: почему и что делать? Пронзительный и тревожный скрип автомобильных тормозов знаком с детства каждому из нас. Мы слышим его в кино, на улице за …

    Датчик положения коленвала - единственный датчик электрооборудования автомобиля, при неисправности которого невозможен пуск двигателя. По его импульсу определяется время впрыска топлива во впускной коллектор и момент искрообразования у бензиновых двигателей. …

    Важно

    До недавнего времени тольяттинская компания «Супер-Авто», являющаяся дочерним предприятием АвтоВАЗа, производила 1,8-литровые силовые агрегаты 21128 путём расточки цилиндров мотора 21126. Наряду с компаниями «Бронто» и «ВИС Авто», фирма «Супер-Авто» выпускает …

    Первый, промежуточный, средний глушитель — как только не называют этот компонент выхлопной системы. Но во всех случаях в виду имеется резонатор. Рассмотрим, что это за устройство, за что отвечает и …

    Многие годы испытанный, старый-добрый ремень был единственным защитником пассивной безопасности в наших машинах. Проходило много дебатов об эффективности его использования, особенно это касалось детей, но со временем многие страны в …

    Тюнинг или подготовка (строительство) внедорожника — затяжной процесс, который практически никогда не удается довести до конца, поэтому его лучше проводить поэтапно. И имейте ввиду, что любой внедорожник очень критичен к …

    Тойота Королла двигатель, технические характеристики двигателей Toyota Corolla Тойота Королла двигатель, а точнее двигатели, которые устанавливаются на российские версии седана Toyota Corolla весьма интересны. Во первых, все они бензиновые и …

    Коробка отбора мощности, купить коробку отбора мощности Коробка отбора мощности или КОМ (PTO — power take off) — устройство, отбирающее мощность от элементов трансмиссии (реже — двигателя) для приведения в …

    Starline — надёжная сигнализация для вашего автомобиля На протяжении уже нескольких лет большим спросом у владельцев автомобилей пользуется популярная автосигнализация Starline. Вся её продукция характеризуется надёжностью, простотой в использовании и …

    Пневматическая подвеска (обиходное название – пневмоподвеска) – вид подвески, обеспечивающий регулирование уровня кузова относительно дороги за счет применения пневматических упругих элементов. В настоящее время пневматическая подвеска устанавливается в качестве опции …

    Совет

    Если у вас в машине установлена система подогрева Вебасто — вам очень повезло. Это просто необходимая вещь, которая позволит вам избежать всех тех неприятных вещей, с которыми сталкивается водитель в …

    Понравилась статья? Поделиться с друзьями:
    Все о сантехнике
    1 / 11
    2 / 11
    3 / 11
    4 / 11
    5 / 11
    6 / 11
    7 / 11
    8 / 11
    9 / 11
    10 / 11
    11 / 11