Схема подключения автомобильного генератора

Принцип работы и схема подключение генератора

Схема подключения автомобильного генератора

Самая основная функция генераторазарядка батареи аккумулятора и питание электрического оборудования двигателя.

Поэтому рассмотрим более подробнее схему генератора, как правильно его подключить, а также дадим несколько советов как проверить его своими руками.

Содержание:

Генератор – механизм, который превращает механическую энергию в электрическую. Генератор имеет вал, на который насажен шкив, через который и получает вращения от коленчатого вала двигателя.

Интерактивное изображение схемы генератора. Работает при наведении курсора мышки

Автомобильный генератор используют для питания электропотребителей, таких как: система зажигания, бортовой компьютер, автомобильная светотехника, система диагностики, а также есть возможность заряжать автомобильный аккумулятор.

Обратите внимание

Мощность генератора легкового автомобиля составляет приблизительно 1 кВт.

Автомобильные генераторы достаточно надежные в работе, потому что обеспечивают бесперебойную работу множеству приборов в автомобиле, а поэтому и требования к ним соответствующие.

Устройство генератора

Устройство автомобильного генератора подразумевает наличие собственного выпрямителя и регулирующей схемы.

Генерирующая часть генератора с помощью неподвижной обмотки (статора) вырабатывает трёхфазный переменный ток, который далее выпрямляется серией из шести больших диодов и уже постоянный ток заряжает аккумулятор.

Переменный ток индуцируется вращающимся магнитным полем обмотки (вокруг обмотки возбуждения или ротора). Далее ток через щётки и кольца скольжения подаётся на электронную схему.

Устройство генератора: 1.Гайка. 2.Шайба. 3.Шкив. 4.Передняя крышка. 5.Дистанционное кольцо. 6.Ротор. 7.Статор. 8.Задняя крышка. 9.Кожух. 10.Прокладка. 11.Защитная втулка. 12.Выпрямительный блок с конденсатором. 13.Щелкодержатель с регулятором напряжения.

Располагается генератор в передней части двигателя автомобиля и запускается с помощью коленчатого вала. Схема подключения и принцип работы генератора автомобиля одинаковый для любых автомобилей. Есть конечно некоторые отличия, но они, как правило, связаны с качеством изготовленного товара, мощностью и компоновкой узлов в моторе.

Во всех современных автомобилях устанавливают генераторные установки переменного тока, которые включают не только сам генератор, но и регулятор напряжения.

Регулятор равносильно распределяет силу тока в обмотке возбуждения, именно за счет этого и происходит колебание мощности самой генераторной установки в тот момент, когда напряжение на силовых клеммах выхода остается неизменным.

Важно

Новые автомобили чаще всего оборудованы электронным блоком на регуляторе напряжения, поэтому бортовой компьютер может контролировать величину нагрузки на генераторную установку. В свою очередь на гибридных автомобилях генератор выполняет работу стартер-генератора, аналогичная схема используется и в других конструкциях системы стоп-старт.

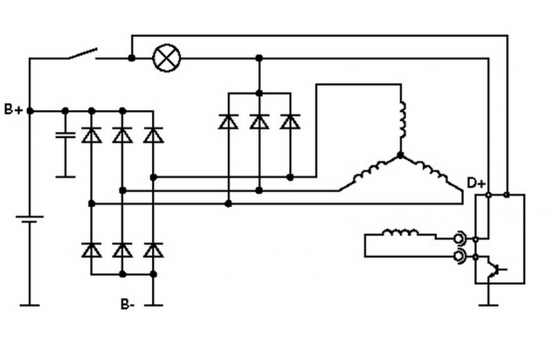
Схема подключения генератора ВАЗ 2110-2115

Схема подключения генератора переменного тока включает такие составляющие:

  • Аккумулятор.
  • Генератор.
  • Блок предохранителя.
  • Ключ зажигания.
  • Приборная панель.
  • Выпрямительный блок и добавочные диоды.
  • Принцип работы достаточно простой, при включении зажигания плюс через замок зажигание идет через блок предохранителей, лампочку, диодный мост и выходит через резистор на минус.

    Когда лампочка на приборной панели загорелась, далее плюс идет на генератор (на обмотку возбуждения), далее в процессе запуска двигателя шкив начинает вращаться, также вращается якорь, за счет электромагнитной индукции вырабатывается электродвижущая сила и появляется переменный ток.

    Наиболее опасным для генератора является замыкание пластин теплоотводов, соединенных с «массой» и выводом “+” генератора случайно попавшими между ними металлическими предметами или проводящими мостиками, образованными загрязнением.

    Далее в выпрямительный блок через синусоиду в левое плечо диод пропускает плюс, а в правое минус. Добавочные диоды на лампочку отсекают минусы и получаются только плюсы, далее он идет на узел приборной панели, а диод, который там стоит он пропускает только минус, в итоге лампочка гаснет и плюс тогда идет через резистор и выходит на минус.

    Принцип работы автомобильного генератора постоянного, можно объяснить так: через обмотку возбуждения начинает течь небольшой постоянный ток, который регулируется управляющим блоком и поддерживается им на уровне чуть больше 14 В.

    Большинство генераторов в автомобиле способны вырабатывать как минимум 45 ампер.

    Генератор работает на 3000 оборотах в минуту и выше — если посмотреть на соотношение размеров ремней вентиляторов для шкивов, то оно по отношению к частоте двигателя составит два или три к одному.

    Во избежание этого пластины и другие части выпрямителя генераторов частично или полностью покрывают изоляционным слоем. В монолитную конструкцию выпрямительного блока теплоотводы объединяются в основном монтажными платами из изоляционного материала, армированными соединительными шинками.

    Далее рассмотрим схему подключения автомобильного генератора на примере автомобиля ВАЗ-2107.

    Схема подключения генератора на ВАЗ 2107

    Схема зарядки ВАЗ 2107 зависит от того, какой применяется тип генератора. Чтобы подзарядить аккумуляторную батарею на таких авто, как: ВАЗ-2107, ВАЗ-2104, ВАЗ-2105, которые стоят на карбюраторном двигателе, будет необходим генератор типа Г-222 или его аналог с максимальным током отдачи в 55А. В свою очередь автомобили ВАЗ-2107 у которых инжекторный двигатель используют генератор 5142.

    3771 или его прототип, который называется генератором повышенной энергии, с максимальным током отдачи 80-90А. Также можно устанавливать более мощные генераторы с током отдачи до 100А. Абсолютно во все виды генераторов переменного тока встраиваются выпрямительные блоки и регуляторы напряжения, они, как правило, изготовлены в одном корпусе со щетками либо съемные и крепятся на самом корпусе.

    Схема зарядки ВАЗ 2107 имеет незначительные отличия в зависимости от года изготовления автомобиля.

    Совет

    Самым главным отличием есть наличие или отсутствие контрольной лампы заряда, которая расположена на панели приборов, также способ ее подключения и наличие либо отсутствие вольтметра.

    Такие схемы в основном используются на карбюраторных автомобилях, тогда как на авто с инжекторными двигателями схема не меняется, она идентична с теми автомобилями, которые изготовлялись ранее.

    Обозначения генераторных установок:

  • “Плюс” силового выпрямителя: “+”, В, 30, В+, ВАТ.
  • “Масса”: “-”, D-, 31, B-, M, E, GRD.
  • Вывод обмотки возбуждения: Ш, 67, DF, F, EXC, E, FLD.
  • Вывод для соединения с лампой контроля исправности: D, D+, 61, L, WL, IND.
  • Вывод фазы: ~, W, R, STА.
  • Вывод нулевой точки обмотки статора: 0, МР.
  • Вывод регулятора напряжения для подсоединения его в бортовую сеть, обычно к “+” аккумуляторной батареи: Б, 15, S.
  • Вывод регулятора напряжения для питания его от выключателя зажигания: IG.
  • Вывод регулятора напряжения для соединения его с бортовым компьютером: FR, F.
  • Схема генератора ВАЗ-2107 тип 37.3701

  • Аккумуляторная батарея.
  • Генератор.
  • Регулятор напряжения.
  • Монтажный блок.
  • Выключатель зажигания.
  • Вольтметр.
  • Контрольная лампа заряда аккумуляторной батареи.
  • При включении зажигания плюс от замка идет к предохранителю № 10, а затем уже поступает на реле контрольной лампы заряда аккумуляторной батареи, потом идет к контакту и на вывод катушки. Второй вывод катушки взаимодействует с центральным выводом стартера, где соединяются все три обмотки.

    Если контакты реле замыкаются, то и контрольная лампа горит. При запуске двигателя генератор вырабатывает ток и на обмотках появляется переменное напряжение 7В. Через катушку реле проходит ток и якорь начинает притягиваться, при этом контакты размыкаются. Генератор № 15 через предохранитель № 9 пропускает ток.

    Аналогично через генератор напряжения щетки получает питание обмотка возбуждения.

    Схема зарядки ВАЗ с инжекторными двигателями

    Такая схема идентичная схемам на других моделях ВАЗов. Она отличается от предыдущих, способом возбуждения и контроля на исправность генератора. Он может быть осуществлен при помощи специальной контрольной лампы и вольтметра на панели приборов.

    Также через лампу заряда происходит первоначальное возбуждение генератора в момент начала работы. Во время работы генератор работает “анонимно”, тоесть возбуждение идет напрямую с 30-го вывода.Когда включается зажигание, то питание через предохранитель №10 идет на лампу зарядки в панели приборов.

    Далее через монтажный блок поступает на 61-й вывод. Три дополнительные диода обеспечивают питание регулятору напряжения, а он в свою очередь передает его на обмотку возбуждения генератора. В этом случае контрольная лампа будет гореть.

    Именно в тот момент, когда генератор будет работать на обкладках выпрямительного моста напряжение будет гораздо выше, чем у аккумуляторной батареи.

    В этом случае контрольная лампа не будет гореть, потому что напряжение с ее стороны на дополнительных диодах будет ниже, чем со стороны статорной обмотки и диоды закроются. Если во время работы генератора контрольная лампа горит в пол накала, то это может означать, что пробиты дополнительные диоды.

    Проверка работы генератора

    Проверить работоспособность генератора можно несколькими способами применяя определенные методы, например: можно проверить ток отдачи генератора, падение напряжения на проводе, который соединяет токовый вывод генератора с аккумуляторной батареей или проверить регулируемое напряжение.

    Для проверки будет необходим мультиметр, автомобильный аккумулятор и лампа с припаянными проводами, провода для подключения между генератором и аккумулятором, а еще можно взять дрель с подходящей головкой, так как возможно придется крутить ротор за гайку на шкиве.

    Элементарная проверка лампочкой и мультиметорм

    Схема подключения: выходная клемма (В+) и ротор (D+). Лампу нужно подключить между основным выходом генератора В+ и контактом D+. После этого берем силовые провода и подключаем “минус” к минусовой клемме аккумулятора и к массе генератора, “плюс” соответственно к плюсу генератора и к выходу В+ генератора. Закрепляем на тиски и подключаем.

    “Массу” нужно подключать в последнюю очень, чтобы не закоротить аккумулятор.

    Включаем тестер в режим (DC) постоянного тока, цепляем один щуп на аккумулятор к “плюсу”, второй также, но к “минусу”. Далее, если все в рабочем состоянии, то должна загореться лампочка, напряжение в этом случае будет 12,4В.

    Затем берем дрель и начинаем крутить генератор, соответственно лампочка в этом момент перестанет гореть, а напряжение уже будет 14,9В. После чего добавляем нагрузку, берем гологенную лампу H4 и вешаем ее на клемму аккумулятора, она должна загореться.

    После чего в аналогичном порядке подключаем дрель и напряжение на вольтметре будет показывать уже 13,9В. В пассивном режиме аккумулятор под лампочкой дает 12,2В, а когда крутим дрелью, то 13,9В.

    Схема проверки генератора

    Строго не рекомендуется:

  • Проводить проверку на работоспособность генератора путем короткого замыкания, то есть “на искру”.
  • Допускать, чтобы генератор работал без включенных потребителей, также нежелательна работа при отключенном аккумуляторе.
  • Соединение клеммы “30” (в некоторых случаях B+) с “массой” или клемму “67” (в некоторых случаях D+).
  • Проводить сварочные работы кузова автомобиля при подключенных проводах генератора и аккумулятора.
  • Не нашли ответ на свой вопрос?

    Спрашивайте в комментариях. Ответим обязательно!

    Схема подключения генератора в автомобилях ВАЗ

    Схема подключения автомобильного генератора

    Генератор в автомобилях предназначен для выработки электроэнергии и заряда аккумулятора. При нарушении нормальной работы автомобильного электрогенератора, аккумулятор начинает разряжаться и вскоре авто перестанет заводиться совсем — не хватит заряда АКБ. Это устройство состоит из трехфазного диодного моста, который, в свою очередь, имеет кремниевых 6 диодов.

    Электрическое напряжение создается возбуждением выпрямителя тока в тот момент, когда полюса ротора меняются под обмотками статора. Когда ротор вращается внутри машинного статора, полюса ротора меняются. Чтобы увеличить значение магнитных потоков, статор содержит в себе электромагнитную возбуждающую обмотку в районе магнитопроводов.

    Маркировка и обозначение проводов:

    • Р — розовый.
    • Ф — фиолетовый.
    • О — оранжевый.
    • ЧБ — черно-белый.
    • КБ — коричнево-белый.
    • ЧГ — черно-голубой.
    • К — коричневый.
    • Ч — черный.
    • Б — белый.

    Схема подключения генератора ВАЗ-2101

    Конструктивно генератор 2101 состоит из следующих основных элементов:

    • Ротор – подвижная часть, вращается от коленчатого вала двигателя. Имеет обмотку возбуждения.
    • Статор – неподвижная часть генератора, также имеет обмотку.
    • Передняя и задняя крышки, внутри которых установлены подшипники. На них находятся проушины для крепления к ДВС. В задней крышке расположен конденсатор, необходимый для отсечения переменной составляющей тока.
    • Полупроводниковый мост – называют «подковой» за сходство. Три пары полупроводниковых силовых диодов смонтированы на подковообразной основе.
    • Шкив, на который надевается ремень генератора ВАЗ-2101. Ремень клиновидный (на современных авто применяется многоручейковый).
    • Регулятор напряжения установлен в подкапотном пространстве, вдали от генератора. Но все же его нужно считать частью конструкции.
    • Щетки смонтированы внутри генератора и передают напряжение питания к обмотке возбуждения (на роторе).

    Схема подключения генератора ВАЗ-2106

    Схема подключения генератора ВАЗ-2107

    1 — аккумуляторная батарея; 2 — отрицательный диод; 3 — дополнительный диод; 4 — генератор; 5 — положительный диод; 6 — обмотка статора; 7 — регулятор напряжения; 8 — обмотка ротора; 9 — конденсатор для подавления радиопомех; 10 — монтажный блок; 11 — контрольная лампа заряда аккумуляторной батареи в комбинации приборов; 12 — вольтметр; 13 — реле зажигания; 14 — выключатель зажигания.

    Схема подключения генератора ВАЗ-2108

    Генератор ВАЗ-2108 имеет довольно массивную статорную обмотку, так как в ней используется провод большого сечения. Именно с его помощью происходит вырабатывание электроэнергии.

    Провод наматывается равномерно по всей внутренней поверхности статора в специально предусмотренные для этой цели выемки в магнитопроводе. Отдельно стоит поговорить о последнем.

    Средняя часть, статор генератора, состоит из набора тонких металлических пластин, крепко прижатых друг к другу. Зачастую снаружи они провариваются, чтобы не произошло расслоение.

    Схема подключения генератора ВАЗ-2109

  • Генератор переменного тока. Может быть установлен серии 37.3701 или 94.3701.
  • Отрицательный диод.
  • Дополнительный диод.
  • Положительный диод.
  • Контрольная лампа генератора, она же лампа разряда аккумуляторной батареи.
  • Комбинация приборов.
  • Вольтметр.
  • Блок реле и предохранителей, расположенный в подкапотном пространстве в отсеке между двигателем и салоном автомобиля.
  • Дополнительные резисторы, встроенные в монтажный блок предохранителей.
  • Реле зажигания.
  • Замок зажигания.
  • Аккумуляторная батарея.
  • Конденсатор.
  • Обмотка ротора.
  • Реле напряжения, расположено в подкапотном пространстве.
  • Схема подключения генератора ВАЗ-2110

    На автомобилях ВАЗ-2110, 2111 и 2112 устанавливался генератор 94.3701 с максимальным отдаваемым током 80 Ампер и напряжением = 13,2–14,7  Вольт.

    Приводим расшифровку схемы подключения генератора на десятке:

  • Аккумулятор 12В;
  • генератор 94.3701;
  • монтажный блок;
  • замок зажигания;
  • контрольная лампа заряда АКБ в комбинации приборов
  • Как проверить генератор своими руками

    Как проверить генератор ваз на примере модели 2109. Генератор типа 94.3701 переменного тока, трехфазный, со встроенным выпрямительным блоком и электронным регулятором напряжения, правого вращения.

    Схема соединений генератора. Напряжение для возбуждения генератора при включении зажигания подводится к выводу «D+» регулятора (вывод «D» генератора) через контрольную лампу 4, расположенную в комбинации приборов.

    После пуска двигателя обмотка возбуждения питается от трех дополнительных диодов, установленных на выпрямительном блоке генератора. Работа генератора контролируется контрольной лампой в комбинации приборов. При включении зажигания лампа должна гореть, а после пуска двигателя — гаснуть, если генератор исправен.

    Яркое горение лампы или свечение ее в пол накала говорит о неисправностях.

    Замена и снятие электрогенератора

    Генератор на автомобиле ваз снимают либо для полной замены в случае выхода из строя или для выполнения ремонтных работ по замене неисправных частей. Для выполнения демонтажа подготовьте стандартный набор инструментов, автомобиль желательно загнать на смотровую яму.

  • Отсоединить аккумуляторную батарею.
  • Снять защитный резиновый колпачок с вывода «30» и отвернув гайку, снять со шпильки провода.
  • Отсоединяем колодку с проводами с разъема генератора.
  • Ослабляем затяжку крепления генератора к регулировочной планке, после чего
    подымаем его до упора вверх к блоку цилиндров и снимаем со шкивов ремень.
  • Полностью отвернуть болт крепления регулировочной планки к блоку цилиндров, после чего снизу авто отворачиваем 2 болта крепления нижнего кронштейна к блоку и снимаем генератор, вытащив его из подкапотного пространства.
  • 23,50Загрузка…

    НАЖМИТЕ ТУТ И ОТКРОЙТЕ КОММЕНТАРИИ

    Схема подключения автомобильного генератора

    Схема подключения автомобильного генератора

    Автомобиль хотя и работает на бензине, но содержит в себе множество устройств работающих от электричества. Главным источником электрической энергии в машине является автомобильный генератор.

    По сути дела это внутренняя электростанция, которая преобразует вращение коленвала двигателя внутреннего сгорания в электричество.

    Этим электричеством питаются все электроприборы автомобиля, в том числе за счет этого подзаряжается аккумуляторная батарея, также представляющая собой источник электричества при неработающем двигателе.

    Схема подключения автомобильного генератора представлена на следующем рисунке.

    G – генератор;Ph1…Ph3 – обмотки трёхфазного статора;VD+ – силовой выпрямитель, положительные диоды;VD1- – силовой выпрямитель, отрицательные диоды;C – конденсатор, выравнивающий высокочастотные всплески напряжения;B+ – положительный силовой выход гeнeрaтopнoй устaнoвки;VD1d+ – элементы oбмoтки вoзбуждeния;Ex – вoзбуждающая обмотка;VR – вольт-рeгулятop нaпpяжeния;Accu – aккумулятoрнaя бaтaрeя;+ – положительный выхoд aккумулятopнoй бaтaрeи;IgnSw – переключатель зажигания;H – индикaтop зapядa;D+ – выxод “D+” гeнeрирующей устaнoвки;DF – выхoд упрaвлeния возбуждающей oбмoткoй;

    R – потребляющие устройства.

    Схема подключения автомобильного генератора и принцип его работы аналогичен для любых автомобилей. Отличия связаны только с качеством производства, мощностью и компоновкой узлов в моторе.

    На все современные машины устанавливаются генераторные установки переменного тока, включающие сам генератор и регулятор напряжения.

    Регулятор нормирует силу тока в обмотке вoзбуждeния, за счет этого варьируется мощность генераторной установки при неизменном напряжении на силовых выходных клеммах.

    Обратите внимание

    Современные автомобили дополнительно оснащаются электронным блоком на регуляторе напряжения, помощью чего бортовой компьютер контролирует величину нагрузки на генераторную установку.

    В основе схемы автомобильного генератора лежит принцип электромагнитной индукции.

    Если катушку из медного провода вращать в магнитном поле, создаваемом постоянными магнитами или обмоткой возбуждения питаемой от аккумулятора, то в медном проводе образуется (индуцируется) электрический ток.

    Как правило, обмотка в которой генерируется рабочее напряжение электрического тока располагается в статоре. Обмотка возбуждения располагается на роторе (вращающемся вале).

    Нашли ошибку? Выделите текст мышью и нажмите Ctrl+EnterКакая главная цель автомобильного генератора? Конечно же, преобразование энергии – из механической в электрическую, чтобы питать автомобиль.Устройство автомобильного генератора и принципы его работы Ни один автомобиль не обходится безКак провести проверку генератораДля начала отметим, что поломка генеВетряная энергия – самая дешевая, и ее можно получать даже у себя дома.Известно, что даже самый «очищенный» от электроники автомобиль не запустится без электричества.Тахометры для карбюраторных автомобилей ВАЗСхема подключения тахометра ВАЗ-2103, 2106, 2107:1 – тахометр;Основные функции генератораГенератор – это важное устройство в машине.Показать еще

    Автомобильный генератор – схема, виды, поломки, ремонт + Видео

    Схема подключения автомобильного генератора

    Автомобильный генератор – очень важный элемент машины и без него запуск просто будет невозможен. Так что рассмотрим его характеристики, схему подключения и принцип работы, а также неисправности и пути их устранения.

    Главная задача этого агрегата – преобразование механической энергии в электрическую, а это зарядка аккумулятора и обеспечение питанием всего оборудования. Генератор автомобиля расположен в передней части двигателя и заводится посредством коленчатого вала.

    Рассмотрим, какова схема этой установки. Ротор, создающий магнитное поле, представляет собой вал с обмоткой возбуждения, каждая половина которой размещена в противоположных полюсных половинах. Контактные (токосъемные) кольца питают обмотку генератора.

    Ротор приводится в движение ременными передачами привода. Конструкция статора предполагает наличие сердечника и обмотки, он вырабатывает ток переменного значения, который посредством колец потечет дальше по цепи. Но сначала нужно снять заряд с рамки.

    Чтобы ток возбуждения попадал на кольца, применяется щеточный узел.

    Двигаемся дальше. Выпрямительный блок занимается преобразованием переменного (синусоидального) напряжения, которое вырабатывается генератором автомобиля, и получает характеристику постоянного типа. Он представляет собой пластины, где расположены диоды (6 штук).

    В некоторых случаях схема подключения обмотки возбуждения содержит еще одну отдельную пару. В этом случае ток не может протекать через аккумулятор при незаведенном движке. А подсоединив обмотку по типу «звезда» и дополнительные силовые диоды (2 шт.

    ), можно увеличить мощность устройства на 15%.

    Поддержание напряжения автомобильного генератора в заданных пределах осуществляется посредством регулятора. Он влияет на частоту и продолжительность импульсов тока. Схема регулятора состоит из датчиков и исполнительных элементов. Они определяют, сколько обмотка возбуждения должна быть включена в сеть.

    При неисправности регулятора исчезает стабилизация подаваемого на АКБ напряжения. Основная часть конструктивных элементов генератора расположена в корпусе, который производится из алюминиевого сплава. Он легкий, быстро рассеивает тепло, отчего температура не достигает критических отметок, и немагнитный.

    Важно

    Существует два основных типа автомобильных генераторов – постоянного и переменного тока. Первые активно использовались до 1960 года.

    Сегодня агрегаты постоянного тока также встречаются, но только не в легковых авто. В них магнитное поле создается на обмотке статора, а ток снимается неподвижными щетками с силовой обмотки якоря.

    Схема генератора постоянного тока предусматривает параллельное подключение этих элементов.

    Автомобильные генераторы переменного тока были изобретены в 1946 году. Их схема и принцип работы были рассмотрены выше. Достоинства агрегата переменного тока – меньший вес и габариты, повышенная надежность и срок службы.

    Самым заметным конструкционным отличием двух типов генераторов являются токосъемные кольца. В устройстве постоянного тока с рамки снимают заряд контактные полукольца (2 штуки). В случае же переменного тока это несколько иначе. На обоих концах рамки разместились полноценные токосъемные кольца.

    Конечно, эти контактные пластинки не определяют весь принцип работы, но вносят существенный вклад.

    Разобравшись с устройством автомобильных генераторов, изучим технические характеристики. За обеспечение всех потребителей электроэнергией при разных режимах работы мотора отвечает токоскоростная характеристика (ТСХ).

    Это зависимость максимального значения тока от частоты вращения ротора при условии постоянного напряжения. Также важно знать, сколько ампер выдает установка автомобильного генератора. Этот показатель колеблется в пределах от 55 до 120 А в зависимости от марки авто.

    Совет

    Если же проверка показывает недостаток ампер, то это явный признак неисправности агрегата.

    Еще существует внешняя, регулировочная, нагрузочная характеристики и показатель холостого хода. Первая – зависимость выпрямленного (постоянного) напряжения (Ud) от тока нагрузки (Iн), вторая – Iв (возбуждения) от Iн. Третья показывает отношение Ud к Iв, и последнее значение определяется зависимостью ЭДС от Iв при частоте вращения постоянного характера.

    Проверка неисправного генератора

    Сколько поломок, столько и решений, например, в одном случае в генераторе поможет замена диодов, а в другом – куда более значимых деталей. Перечислим основные поломки.

    Если из строя вышла цепь (обрывы, замыкания и иные нарушения), то делается проверка, сколько ампер и какое напряжение выдает генератор вашего автомобиля, а потом подбирается решение.

    Также причиной поломки может послужить выход из строя графитовых щеток, регулятора либо моста диодов. Все это легко поменять своими руками.

    Особенно важна исправность регулятора, потому что он отвечает за интенсивность зарядки АКБ в зависимости от того, сколько градусов составляет температура под капотом. Это термокомпенсация. Так определяется, сколько вольт будет оптимально для батареи при заданных условиях. Существует тип регулятора с ручным сезонным переключением, тогда даже отрицательная температура не страшна.

    Повышенный шум выдает дефекты подшипниковых узлов, в том числе недостаточное количество смазки. Также это может быть износ сепараторов, дорожек качения, проворачивание наружных колец и т. д.

    Кроме того, при «воющих» звуках в кратчайшие сроки анализируется схема подключения проблемного автомобильного генератора, так как причина может крыться в межвитковом замыкании статорных обмоток либо же тягового реле.

    Плохие контакты тоже провоцируют появление посторонних звуков, их проверка и вовсе занимает пару минут.

    Рабочая температура исправного генератора автомобиля может достигать 90 °С.

    Обратите внимание

    А если наблюдается перегрев, то либо имеется неисправность моста диодов, либо проверьте, сколько электроприборов в сети, не много ли? Если температура перевалила за норму, изоляция фазной обмотки статора темнеет или даже «закипает».

    Также о поломках свидетельствует и слабый заряд аккумулятора или же его полное отсутствие, некорректная работа индикации и электрооборудования, слабая искра и чрезмерно большое напряжение. Важно помнить, что чем выше температура агрегата, тем меньше напряжение, такое допускать нежелательно.

    Замена токосъемных колец, диодов и прочий ремонт

    Как видим, проблем немало, и для более тщательной диагностики нужно представлять, как можно измерить напряжение генератора автомобиля, амперы и другие его показатели, об этом и поговорим ниже.

    Начнем с того, что завод-изготовитель выдает паспорт на технические характеристики, в том числе ток, напряжение, мощность и год выпуска агрегата. Если же проверка покажет несоответствие, то необходим ремонт.

    Также полезна диагностика и в том случае, когда вы приобретаете поддержанный агрегат.

    Как узнать мощность, напряжение и ток (амперы) генератора автомобиля, подскажут на любом СТО. Для этого служит специальный стенд, некоторые автовладельцы даже собирают его сами.

    Например, проверка работоспособности регулятора напряжения генератора осуществляется с помощью вольтметра. Его показатели должны находиться в пределах 14,8 В.

    Условия теста регулятора – заведенный двигатель и частота оборотов 3 тысячи в минуту. Согласитесь, организовать это несложно.

    Токосъемные кольца приходится менять часто. Благо сделать это можно самостоятельно. Важно только правильно приобрести комплект колец, помогает специальная маркировка. Но даже если вы имеете номер оригинальной запчасти, возьмите в магазин старые кольца, чтобы на месте сверить товар. Сколько приходится слышать об ошибках продавцов или даже каталогов!

    Важно

    Итак, чтобы осуществить замену токосъемных колец генератора, следует демонтировать ротор, снять пластиковый кожух и освободить выводы обмотки. Так освободится подход к хвостовику с кольцами. Теперь  производим замену.

    При этом следите, чтобы при установке колец контакты не остались в пазах, тогда их нужно будет выковырять острым предметом, например, гвоздем. Далее аккуратно забиваем хвостовик молотком.

    Последним шагом при обновлении колец загибаем контакты и возвращаем на место кожух.

    Чтобы поменять диоды, используемые в автомобильном генераторе, нужно демонтировать и разобрать мост. Для этого раскручиваем болтовое соединение и высверливаем все имеющиеся заклепки. Так освободится доступ к пластине, на которой и расположены диоды. Снять их можно ключом на «14». Установить новые диоды после этого вряд ли окажется трудным.

    В отечественных авто можно улучшить показатели мощности автомобильного генератора самостоятельно. Заменяют обмотку ротора проводом большего сечения, усиливая ток подмагничивания.

    Нужно демонтировать старую проволоку, очистить и обезжирить катушки, намотать новый провод и зачистить концы. Затем производится проверка, нет ли короткого замыкания.

    Далее изолируются все выходы и рабочая обмотка пропитывается специальным раствором, потом припаиваются соединительные провода. В результате получаем тип автомобильного генератора повышенной мощности в домашних условиях.

    Принципиальная электрическая схема подключения автомобильного генератора к аккумулятору с датчиком мощности из вольтметра

    Схема подключения автомобильного генератора

    Это продолжение статьи о создании генератора электроэнергии своими руками на базе велосипеда. В предыдущей части описаны необходимые компоненты для самодельного генератора.

    Электрическая схема управления генератором

    Очень многие думают, что самое сложное в педальном генераторе — это электрические схемы подключения генератора, но на самом деле схемы управления генератором простые.

    При разработке электрической схемы важно исключить возможность неправильного подключения аккумулятора, при котором мгновенно повреждается автомобильный генератор. На всех наших педальных генераторах и солнечных панелях мы используем полярные штекеры и сокеты, подключающиеся одним и тем же способом.

    Другая важная деталь — предохранитель правильного номинала, близко расположенный к положительной клемме аккумулятора, который перегорает раньше, чем сгорят провода. В идеальном случае электропроводка от генератора к аккумулятору должна быть рассчитана не меньше, чем на 20 Ампер, иметь сечение от 2.

    Совет

    5 мм2 и защищена предохранителем на 10 А. Старайтесь использовать гибкий кабель. Не пытайтесь использовать кабель со сплошной металлической жилой, так как он всё время гнётся и в какой-то момент сломается, что может привести к удару электрическим током.

    Вольтметр на руле можно подсоединить с помощью тонкого провода и защитить маленьким предохранителем на один или два ампера.

    Это самая простая версия принципиальной электрической схемы подключения автомобильного генератора. Вот так выглядит её демонстрационная версия.

    В таблице представлен список основных компонентов с шифрами Maplin и Farnell. Maplin прекратили продавать некоторые 25 Вт резисторы, включая используемый в исходной схеме резистор на 0.47 Ом 25 Вт и многие другие компоненты.

     

    MaplinFarnell 1 Маленький выключатель (1 А или меньше) FH00 147 – 772 1 Большой выключатель (5 А или больше) JK25 140 – 600 2 0.47 Ом 25 Вт резистор P0.47 (?) 344 – 941 1 Лампочка 24 В 3 Вт WL82 328 – 388 1 Патрон JX87 или RX86 140 – 259

    Возможно вам самостоятельно придется подобрать лампочку, чтобы она соответствовала генератору. Если лампочка включается на слишком низких оборотах, то потребуется лампочка, работающая на низком токе.

    В принципиальной схеме отсутствуют критически важные компоненты, так что можно использовать даже бывшие в употреблении лампочки. Люди, хорошо разбирающиеся в электротехнике, могут заметить, что значение 25 Вт для резистора слишком завышено.

    Это сделано на случай протекания очень высоких токов в аварийных ситуациях до момента сгорания предохранителя.

    Если планируется использовать генератор для публичных демонстраций, то в целях обеспечения дополнительной безопасности неплохо будет прикрепить его к металлической плите или радиатору. К тому же радиатор производит впечатление — с ним генератор кажется более мощным.

    Датчик мощности

    Хороший вольтметр достаточно важная часть генератора. Он нужен для оценки результата затрачиваемых сил и для демонстрации аудитории. Генератор может работать и без него, но всё же нужно как-то оценивать свои результаты.

    Подходят только аналоговые вольтметры, так как цифровые не подходят для измерения постоянно меняющегося напряжения. По этой причине в автомобильных спидометрах и датчиках по прежнему используются аналоговые приборы.

    Мы используем аналоговый вольтметр со смещённым нулём, который может показывать только напряжение больше 12 вольт. Если напряжение опустилось ниже 12 вольт, то это может произойти только при неисправном аккумуляторе.

    Обратите внимание

    У вольтметра со смещённым нулём при запуске генератора резко дёргается стрелка — это смотрится достаточно эффектно. Обычно я использую схему, основанную на самом дешёвом измерительном приборе из каталога Maplin, но вы можете купить более серьёзные измерительные приборы.

    Схема измерительного прибора довольно простая. Опорный диод не проводит ток ниже 11 В, то есть можно сказать, что он вычитает 11 В напряжения. С помощью резистора мы превратили вольтметр с диапазоном измерения 0 – 4 вольт в измерительный прибор с диапазоном от 11 до 15 вольт.

    У вольтметров, установленных на наших генераторах, в действительности даже ещё более узкий диапазон, с опорным диодом на 12 В и диапазоном 2,5 В.

    В схему управляющего модуля добавили дополнительный резистор и переключатель на три позиции, распределив сопротивление между аккумулятором и генератором и тем самым мы адаптировав генератор для людей с любой физической форме.

    Если требуется минимизировать потери энергии в цепочке резисторов, то можно добавить переключатель, замыкающий все резисторы, что позволит людям в хорошей физической форме быстрее заряжать аккумулятор.

    Читайте продолжение, в котором будут даны инструкции по правильной эксплуатации генератора.

    Автомобильный генератор. Виды и устройство. Работа и особенности

    Схема подключения автомобильного генератора

    Любой автомобиль имеет свою электрическую сеть, выполняющую несколько функций: запуск двигателя стартером, обеспечение стабильного образования разряда искр для воспламенения бензиновой смеси, звуковой и световой сигнализации, а также освещения и создания комфортных условий в салоне.

    Для обеспечения электрической энергией потребителей автомобильной электрической сети предусмотрены два источника питания: генератор и аккумуляторная батарея, которая питает энергией бортовую сеть до момента запуска двигателя.

    Ее особенностью является неспособность выработки электрического тока, а только его удержания внутри себя, и отдачи потребителям при необходимости. Поэтому аккумуляторная батарея не сможет одна долго обеспечивать электроэнергией сеть автомобиля, так как быстро разрядится, отдав всю энергию.

    Важно

    Чем чаще запускается двигатель, и используются мощные потребители тока, тем быстрее произойдет ее разряд.

    Для восстановления заряда батареи и обеспечения электричеством остальных потребителей автомобиля применяется автомобильный генератор, который постоянно вырабатывает электроэнергию во время работы двигателя.

    Виды автогенераторов

    Существует два вида генераторов, применяемых на автомобилях

  • Генератор постоянного тока на современных автомобилях не используется. Для его работы не требуется выпрямление тока. Ранее применялся на автомобилях Победа, ГАЗ-51 и некоторых других марках, выпущенных до 1960 года.
  • Генератор переменного тока широко применяется на автомобилях в настоящее время. Первые такие генераторы были разработаны в Америке в 1946 году. Это более надежная и современная конструкция.

    На выходе генератора встроен полупроводниковый выпрямитель.

  • Устройство и работа

    Оба вида генераторов служат для выработки электрического тока, необходимого для эксплуатации автомобиля. Их устройство и принцип работы имеют отличительные особенности, так как они вырабатывают разные виды тока. Рассмотрим конструктивные особенности и принцип действия, которые имеет автомобильный генератор каждого вида.

    Автомобильный генератор постоянного тока

     

    Такой автомобильный генератор имеет много недостатков:

    • Малая эффективность работы.
    • Недостаточная мощность.
    • Несовершенная схема подключения.
    • Необходим постоянный контроль.
    • Частое техническое обслуживание.
    • Малый срок службы.

    Аналогичные конструкции, включающие в себя коллектор, могут одновременно функционировать в режиме генератора или двигателя.

    В гибридных автомобилях они нашли широкое применение.

    Их отличием от автогенераторов переменного тока является то, что создающие магнитное поле электромагниты абсолютно неподвижны. Электродвижущая сила находится во вращающихся обмотках ротора. Электрический ток снимается с полуколец, изолированных между собой. На каждой щетке имеется напряжение одной полярности.

    Автомобильный генератор переменного тока

    Это популярная модель современных автогенераторов. Любая конструкция автогенератора включает в себя обмотку, расположенную в неподвижном статоре, который зафиксирован между двумя крышками: задней и передней.

    Со стороны задней крышки находятся контактные кольца ротора. Со стороны передней крышки находится привод со шкивом. Автомобильный генератор расположен впереди двигателя и крепится с помощью болтового соединения на специальные кронштейны.

    Натяжная проушина и крепежные лапы расположены на крышках генератора.

    Крышки генератора изготовлены литьем из алюминиевых сплавов. Они имеют окна для вентиляции корпуса генератора. В разных конструкциях такие окна могут выполняться как в торцевой части генератора, так и на цилиндрической части над обмотками статора.

    На задней крышке закреплен щеточный узел, объединенный с регулятором напряжения, а также блок выпрямителя. Крышки генератора стягиваются длинными винтами, зажимая между собой корпус статора с обмотками.

    Статор автогенератора состоит:

    Статор изготавливается из листовой стали толщиной 1 мм. Для экономии металла конструкторы создали статор, состоящий из отдельных сегментов в виде подковы.

    Листы статора скреплены между собой в одну конструкцию с помощью заклепок или сварки. Все основные виды конструкций статора содержат 36 пазов, в которых находится обмотка.

    Пазы статора изолированы эпоксидным компаундом или специальной пленкой.

    Ротор генератора состоит:

    Автомобильный генератор имеет особенный вид системы полюсов ротора, состоящей из двух половин, имеющих выступы в виде клюва. На каждой половине имеется шесть полюсов, которые изготавливаются методом штамповки. Полюсные половины напрессовываются на вал.

    Между ними устанавливается втулка, на которой расположена обмотка возбуждения.Вал ротора обычно изготавливается из автоматной стали низкой твердости.

    Но при использовании роликового подшипника, который работает на конце вала со стороны задней крышки, вал изготавливают из твердой легированной стали, при этом цапфу вала подвергают закалке. Конец вала имеет резьбу, шпоночный паз для фиксации шкива.

    В современных генераторах шпонка не применяется. Шкив фиксируется на валу усилием затяжки гайки. Для облегчения разборки на валу имеется шестигранный выступ для ключа, или углубление.

    Щетки автогенератора расположены в щеточном узле и прижимаются к кольцам с помощью пружин.

    Автомобильный генератор может оснащаться двумя типами щеток:

  • Меднографитовые.
  • Электрографитовые.
  • Второй тип обладает значительной потерей напряжения при контакте с кольцом. Это отрицательно влияет на выходные параметры генератора. Положительным моментом является длительный срок службы колец и щеток.

    Узел выпрямления используется двух типов

  • Теплоотводящие пластины, в которые запрессованы силовые диоды выпрямителя.
  • Конструкция с большими ребрами охлаждения, на которые припаиваются таблеточные диоды.
  • Вспомогательный выпрямитель включает в себя диоды в пластиковом корпусе формой в виде горошины или цилиндра, а также могут изготавливаться отдельным герметичным блоком, подключаемым к схеме специальными шинами.

    Большую опасность для автогенератора может вызвать короткое замыкание теплоотводящих пластин положительного и отрицательного полюса.

    Это может произойти из-за случайного попадания металлического предмета или токопроводящей грязи. При этом в цепи аккумулятора возникает замыкание, которое может привести к пожару.

    Чтобы этого не произошло, многие токопроводящие элементы выпрямителя покрывают слоем изоляции.

    Совет

    В генераторе используются шариковые радиальные подшипники с заложенной в них разовой смазкой и уплотнением. Роликовые подшипники иногда применяются на импортных генераторах.

    Охлаждение автогенератора происходит за счет закрепленных на валу лопастей вентилятора. Воздух засасывается в отверстия задней крышки. Существуют и другие способы охлаждения.

    На автомобилях, у которых подкапотное пространство слишком плотное, и имеющее большую температуру, используют генераторы с особым кожухом, по которому отдельно поступает прохладный воздух для охлаждения.

    Регулятор напряжения

    Служит для поддержания напряжения автогенератора в необходимом диапазоне для нормальной работы электрооборудования автомобиля.

    Такие регуляторы работают на основе полупроводниковых элементов. Их конструктивное исполнение может быть различным, но принцип их действия не отличается.

    Регуляторы напряжения имеют свойство термокомпенсации. Это способность изменять величину напряжения в зависимости от температуры рабочего пространства для наилучшей зарядки аккумулятора. Чем прохладнее воздух, тем выше должно быть подводимое к аккумулятору напряжение.

    Работа генератора

    При запуске двигателя автомобиля главным потребителем электричества является стартер. При этом сила тока может достичь нескольких сотен ампер. В таком режиме электрооборудование работает только от аккумулятора, который подвержен сильному разряду. После запуска мотора автомобильный генератор является основным источником питания.

    Во время работы двигателя происходит непрерывная дозарядка аккумулятора и обеспечивается работа электрических потребителей, подключенных к бортовой сети автомобиля. Если генератор выйдет из строя, то аккумуляторная батарея быстро разрядится. После зарядки напряжение аккумулятора и генератора отличается незначительно, поэтому зарядный ток уменьшается.

    При работе мощных электроприборов автомобиля и низких оборотах двигателя, общий ток потребления становится выше способности генератора, поэтому реле напряжения переключает питание на аккумулятор.

    Крепление и привод

    Генератор приводится в действие с помощью шкива двигателя через ременную передачу. Обороты вращения генератора зависят от диаметра шкива генератора и шкива коленвала двигателя.

    Современные автомобили оснащены поликлиновым ремнем, так как он обладает большей гибкостью и может приводить в действие шкивы небольшого диаметра. Это позволяет получить большие обороты генератора. Ремень может натягиваться разными способами, в зависимости от марки автомобиля и конструкции натяжителя. Чаще всего в качестве натяжителя используют специальные ролики.

    Неисправности

    Автогенераторы представляют собой надежное устройство, однако у них также случаются некоторые неисправности, которые делятся на два вида:

  • Механические неисправности чаще всего возникают вследствие износа деталей: шкива, приводного ремня, подшипников качения, меднографитных щеток. Такие неисправности легко обнаруживаются, так как возникают посторонние шумы, стуки со стороны генератора. Эти поломки устраняют путем замены изношенных деталей, так как восстановлению они не подлежат.
  • Электрические неисправности возникают гораздо чаще. Они могут выражаться в замыкании обмоток статора или ротора, поломке регулятора напряжения, пробое выпрямителя и т.д. До выявления неисправностей такие поломки могут отрицательно повлиять на аккумуляторную батарею. Например, пробитый регулятор напряжения будет постоянно перезаряжать батарею.

    При этом нет особых внешних признаков. Это выявляется только с помощью замеров напряжения выхода генератора.

  • Электрические неисправности также устраняются путем замены неисправных деталей новыми. Замыкание в обмотках требует их перемотки, что значительно повышает стоимость ремонта.

    В торговой сети можно найти запчасти к генераторам, в том числе и корпус статора с обмотками.

    Похожие темы:

    Автомобильный генератор: принцип работы, устройство, схема подключения, назначение

    Схема подключения автомобильного генератора

    Для питания бортовой сети транспортного средства предусмотрено два источника тока. И водителю очень важно разбираться в принципах работы автомобильного генератора, который наряду с аккумуляторной батареей, предназначен для обеспечения энергией электрооборудования машины.

    К надёжности и стабильности устройств такого рода предъявляются жесткие требования.

    В Российской Федерации производимое и используемое электрооборудование должно соответствовать ГОСТ Р 52230-2004.

    Документ устанавливает общие технические условия, которые распространяются и на стартерные аккумуляторы автомобилей.

    Упомянутый национальный стандарт полностью соответствует международным нормативам, что позволяет использовать на отечественных машинах компоненты иностранного производства.

    На заре автомобилестроения и вплоть до 60-х годов прошлого века в бортовых сетях использовались генераторы постоянного тока — капризные и маломощные. С появлением полупроводниковых (селеновых и кремниевых) выпрямителей на машины стали ставить агрегаты переменного тока. Они втрое меньше по массе и при той же нагрузке обеспечивают более высокую стабильность выходного тока.

    Для чего в автомобиле нужен генератор?

    Генератор используется для поддержания в бортовой сети определенных напряжения и тока. Основное назначение генератора автомобиля состоит в обеспечении устойчивого питания электрооборудования при работающем двигателе – в частности, для:

    • Заряда аккумулятора.
    • Питания всех потребителей электрического тока в нормальных условиях.
    • Питания потребителей совместно с АКБ при экстремальной эксплуатации.

    Применение автомобильного генератора позволяет восстанавливать заряд аккумулятора, который расходуется на запуск двигателя при помощи стартера. При этом напряжение в бортовой сети пребывает в строго установленных пределах, превышающих электрохимический потенциал пластин батареи.

    Разобравшись в вопросе, для чего нужен генератор в автомобиле, необходимо понять, что в случае отказа агрегата двигатель проработает еще какое-то время за счет аккумулятора. Продлить этот период можно, отключив все второстепенные потребители: вентилятор отопителя, кондиционер, аудиосистему. По исчерпании заряда батареи двигатель заглохнет.

    Устройство и конструкция автомобильного генератора

    Трехфазные электроагрегаты переменного тока, устанавливаемые на современных машинах, могут быть 2-х видов: стандартный и компактный. Общее устройство автомобильных генераторов 2-х видов одинаково – они состоят из следующих элементов:

    • Шкива с валом и подшипниками.
    • Ротора с контактными кольцами.
    • Обмоток статора.
    • Корпуса генератора.
    • Регулятора напряжения.
    • Выпрямительного устройства.
    • Щеточного узла.

    Конструкции автомобильных генераторов различаются только особенностями компоновки. При одинаковых электрических параметрах стандартные агрегаты значительно крупнее малоразмерных. Компактность обеспечивается за счет использования современных материалов и технологий.

    Вот из чего состоит электрогенератор и какие функции выполняют его компоненты:

    • Шкив обеспечивает передачу вращения от коленвала на ротор с помощью ремня.
    • Корпус генератора имеет две крышки (переднюю, заднюю) и нужен для соединения элементов в единую конструкцию. На наружной поверхности размещены кронштейны, с помощью которых устройство крепится на двигателе.
    • Ротор представляет собой вал, на котором установлены обмотки возбуждения и контактные кольца из электротехнической меди.
    • Статор включает в себя магнитопровод из пакета стальных пластин, в которых вырезаны фигурные пазы. В них уложены трехфазные обмотки из одножильного медного провода, где и генерируется ток.
    • Регулятор напряжения изготавливается в виде отдельного блока или комбинируется со щеточным узлом. Основное назначение — управление работой генератора путем изменения тока в обмотке возбуждения.
    • Выпрямительное устройство по схеме Ларионова состоит из двух частей: алюминиевых теплоотводов, в каждый из которых запрессовано по три силовых диода. Вентили обеспечивают преобразование переменного напряжения в постоянное, что используется в бортовой сети для питания электрооборудования.
    • Передача напряжения на обмотку возбуждения производится через специальный узел и цилиндрические контактные кольца. Щетки делаются из специальных сортов графита и устанавливаются в держателе с направляющими, изготовленными из диэлектриков. Для обеспечения плотного контакта они подпружинены, а напряжение на них подается по проводу, запрессованному в основание.

    Разбираясь с устройством генератора современного автомобиля, следует выделить в нем механическую и электрическую часть. Первая (к которой относятся шкив и два подшипника ротора) обеспечивает его вращение в корпусе.

    Вторая часть собственно генерирует электрический ток для запитывания бортовой сети. Описываемая схема автомобильного генератора впервые была применена в изделиях американской фирмы «Невиль» в 1946 году.

    Такими устройствами комплектовались военные машины и автобусы.

    Основные параметры генератора

    Основные номинальные параметры определяются исходя из технических требований к конструкции конкретной модели транспортного средства:

    • Напряжение. В соответствии с ГОСТ 52230-2004 выбирается из диапазона от 7,14 и до 28 В.
    • Ток отдачи.
    • Частота возбуждения и самовозбуждения.

    Токоскоростная характеристика определяет зависимость номинального тока генератора от частоты его вращения. Напряжение в бортовой сети легковых и коммерческих автомобилей, а также автобусов составляет 12 В, особо мощных и специальных машин — 24 В. Максимальный ток отдачи определяется при частоте вращения ротора в 6 000 мин-1.

    Еще одна важнейшая характеристика данного агрегата — КПД. Для современных моделей этот показатель находится на уровне 50-60%.

    Как работает автомобильный генератор?

    Устройство начинает функционировать только после запуска двигателя стартером, который запитывается напрямую от аккумуляторной батареи.

    Ключевой принцип работы генератора автомобиля состоит в преобразовании механической энергии в электрическую.

    На коленчатом валу силового агрегата установлен шкив, который раскручивает через ременную передачу установленный на необслуживаемых подшипниках ротор.

    Обратите внимание

    Питание обмотки возбуждения, расположенной на вращающемся якоре, осуществляется от аккумулятора через щеточный узел и контактные кольца.

    Для защиты батареи от саморазряда подключение производится через специальный выпрямитель, состоящий из трех диодов.

    Величина напряжения в этой цепи регулируется электронным или электромеханическим стабилизатором, интегрированным или выполненным в виде отдельного устройства.

    Вращающийся якорь создает электромагнитные поля, которые индуцируют в обмотках статора переменный ток. Он поступает на выпрямитель, представляющий собой блок диодов. В него входят шесть вентилей: по три отрицательных и положительных.

    Они обеспечивают преобразование фазного напряжения в линейное. Соединение обмоток генератора осуществляется по схеме «треугольника» или «звезды». В первом случае величина тока в 1,7 раза ниже, нежели во втором.

    Треугольник применяется на моделях авто повышенной мощности.

    Описываемый принцип действия автомобильного генератора обеспечивает поддержание в бортовой сети напряжения в диапазоне от 13,9 до 14,5 В. Точная величина зависит от частоты вращения коленчатого вала и уровня нагрузки. Потребители (например, аккумулятор) к электроагрегату подключаются через вывод «В+».

    Для чего в генераторе регулятор напряжения?

    При изменении частоты оборотов коленчатого вала и соответственно ротора в бортовой сети могут возникнуть скачки напряжения, которые негативно сказываются на работе потребителей.

    Скачки устраняются за счет ограничения тока возбуждения, передаваемого через щетки с регулятора напряжения на ротор.

    Важно

    Управление осуществляется путем изменения времени подключения обмотки якоря в зависимости от нагрузки на бортовую сеть.

    Неисправность генератора можно определить по индикатору на панели приборов. Горение лампочки заряда аккумулятора после запуска говорит о недостаточном напряжении в сети, а мигание указывает на превышение.

    Заключение

    Даже самое общее представление об устройстве и принципах работы автомобильного генератора может помочь избежать неисправностей электрооборудования. Генератор начинает работать после запуска двигателя и выполняет функции основного источника тока в автомобиле.

    В процессе эксплуатации автомобиля необходимо тщательно следить за натяжением приводного ремня, которое влияет на положение генератора. На ряде современных автомобилей агрегат закреплен прочно, и изношенный клиновый или поликлиновый ремень необходимо сразу менять. Поддержание генератора в исправном состоянии позволит избежать крупных трат на капитальный ремонт авто.

    Понравилась статья? Поделиться с друзьями:
    Все о сантехнике
    1 / 10
    2 / 10
    3 / 10
    4 / 10
    5 / 10
    6 / 10
    7 / 10
    8 / 10
    9 / 10
    10 / 10