Активатор воды своими руками: особенности, схема изготовления, правила эксплуатации

Активатор воды своими руками: особенности, схема изготовления, правила эксплуатации

Активатор воды своими руками: особенности, схема изготовления, правила эксплуатации

x

Check Also

Как задекорировать батарею: обзор популярных способов и нестандартных решений Декор батареи — это необходимое мероприятие во многих случаях, так как совместимость отопительного оборудования с интерьером помещения зачастую оставляет желать лучшего. Для того чтобы исправить это …

Внутренний водопровод и канализация: стандарты, нормы и требования Коммуникации – это неотъемлемые составляющие проектов современного домостроения. Будь то муниципальная недвижимость, рассчитанная на массовое заселение, или частное строение на одну семью – внутренний водопровод и канализация …

Описание септика Биотанк 3 и основные правила его монтажа на участке Качественная очистка стоков канализации – важная экологическая задача. При выборе очистного оборудования для локальной системы отведения и утилизации стоков, стоит отдавать предпочтение современным решениям, …

Как сделать солнечный коллектор для отопления своими руками Солнечный коллектор представляет собой устройство, основным функциональным назначением которого является преобразование солнечной энергии в тепловую. В техническом плане он довольно прост. Поэтому с определенным уровнем знаний сделать …

Наиболее оптимальным выбором для получения горячей воды в доме или квартире называют газовую колонку. Но одним из условий монтажа большинства моделей такого оборудования является необходимость в дымоходе. Поэтому, задумавшись о покупке колонки, пользователю следует больше …

Если Ваш участок находится в проблемной зоне, например, не имеет нужного склона для отвода талого снега или, напротив, слишком сухой, то нужно использовать специальные стоки. В большинстве случаев, для организации наружной дренажной канализации применяются бетонные …

Описание септика Танк Универсал 1 и его технические характеристики Выбор оптимального очистного сооружения – дело ответственное ведь от правильности выбора зависит комфортность проживания в доме. Если благоустраивается небольшой объект (дом или дача), то стоит рассмотреть …

Виды фильтров для очистки воды в аквариуме и используемые методы Вода в аквариуме является основной средой для жизни рыб. От ее качества зависит здоровье обитателей, их внешний вид и активность. Загрязняется аквариумная вода остатками корма, …

Делаем септик своими руками для частного дома — выбор материала и модели Сделать септик своими руками для частного дома часто выбирают как более экономичную альтернативу покупке заводской очистной конструкции. Самостоятельная постройка требует времени и усилий, …

Почему септик Чисток не так популярен как другие очистные установки? Сегодня мало кто согласится проживать в доме без удобств. Многие даже летние дачи оборудуют полным комплектом сантехники, чтобы и на летнем отдыхе не ограничивать уровень …

Предоставляем свои услуги: прочистка труб бытовой и промышленной канализации. Работаем оперативно, чисто, по приемлемым ценам. Разморозка канализационных труб с использованием современного оборудования — недорого, оперативно, с гарантией. подробнее Откачаем сточные воды из автомойки, туалета или …

Устройство и виды кранов для фильтра питьевой воды Современный водопровод поставляет далеко не самую чистую воду. В ней встречаются самые разные примеси, поэтому используются фильтры. От механических примесей, таких как песчинки, частицы ржавчины, спасают механические …

Устройство пескоуловителя для ливневой канализации Ливневая канализация применяется повсеместно – как в городе, так и на частных участках, иначе после любого дождя, даже самого небольшого, возникали бы наводнения, размывающие землю, подмывающие корни растений, причиняющие неудобства …

Собственная банька – мечта большинства домовладельцев. Многие из них приступают к самостоятельному строительству, чтобы воплотить мечту в жизнь. Одним из важнейших моментов при постройке считается организация отвода воды. Грамотно спроектированная и установленная конструкция защитит фундамент …

Соли кальция придают воде жесткость, которая увеличивается по мере повышения концентрации этих солей. Больше всего солей кальция в артезианской воде. Речная и родниковая вода содержат наименьшее количество извести. Соли кальция накапливаются в организме, вызывая образование …

Количество пользователей: 4 Производительность: 0.8 м?/сутки Потребляемая эл. энергия: 1.6 кВт/сутки Цена: 80 910 рублей Количество пользователей: 5 Производительность: 1 м?/сутки Потребляемая эл. энергия: 1.6 кВт/сутки Цена: 92 610 рублей Количество пользователей: 6 Производительность: 1,2 …

Активатор воды своими руками

Активатор воды своими руками: особенности, схема изготовления, правила эксплуатации

Такие аппараты как активатор известны с давних времен, вот только раньше вместо аккуратных покупных приспособлений делали их своими руками. Следуя историческим фактам, приборы приготовления мертвой и живой воды были еще во времена 70-х годов. Для создания двух видов воды и требуется данное приспособление «живой» и «мертвой».

Если посмотреть публикации журналов, которые выписывали наши бабушки, то обязательно найдется схема прибора своими руками. Активатор для воды делали самостоятельно потому, что по всему миру был дефицит товаров, а особенно разного рода приборов и оборудования. Давайте разберемся, из чего состоит прибор и как он работает с живой и мертвой водой.

Аналоги существуют лишь в качестве профессионального оборудования.

Конструкция и как работает активатор для воды своими руками

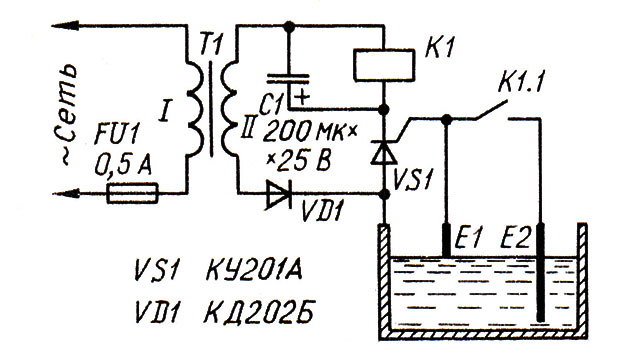
Активатор, выполненный своими руками, обрабатывает воду при помощи воздействия на нее постоянного тока. Возьмите специальную емкость, в которую будут погружаться электроды. Чтобы сделать воду живой, необходимо понять принцип действия устройства.

Мертвая вода собирается там, где установлен электрод анод. От живой воды мертвая отделяется при помощи полунепроницаемого стакана, его можно выполнить из куска ватмана, брезентовой ткани или из любого другого подходящего материала. От сети активатор воды получает напряжение в 220 вольт.

Напряжение выпрямляется и подается на электроды.

Преобразование происходит за счет образования диодного мостика. Катод выполняет свою работу от лампы, которая становится сигнальным устройством в системе прибора и предохранителем для электрода. Узнать о приготовлении живой воды можно по тускнеющей лампочке. Если вы исключите лампу накаливания параллельным выключателем, то процедура ускорится.

Готовая к приему вода не только становится живой, ее уровень щелочей и кислот существенно меняется, а определить его можно при помощи водородного показателя. Там, где катод, кислотность не превышает 9-10 единиц, где анод показатель менее трех. Значения определяйте при помощи специальных устройств или при помощи химических тестирований.

Соблюдайте безопасность

То, что описано выше представляет собой конструкцию, выполненную своими руками для активации воды. В любом случае есть некоторые моменты, когда существуют ограничения и требуется пристальное внимание:

Изобретатели самодельных активаторов предлагают использовать мощные диоды и сильный ток, исчисляемый от показателя 5A. Процессы будут проходить быстрее, а безопасность увеличится.

Когда сквозь воду проходит сильный ток, он может не только выполнить свою поставленную задачу, но и разогреть воду настолько, что она закипит. Однако не стоит думать о том, что при малых показателях, например при 0,1-0,5 A нужный вам результат не достигается.

Процесс, происходящий в этот момент, называется электролизом, он может разрушать электрод. Именно поэтому профессионалы, которые уже прошли через многое и выполнили не одно устройство, советуют брать только пищевую сталь. Пищевая сталь имеет малый магнитный фон, поэтому идеальна в данном случае.

Обычная нержавейка быстро разлагается, поэтому абсолютно не годится в данном случае. Для изготовления анода рекомендуется брать график высокого класса и чистоты.

Если в воде присутствует огромное количество примесей, то процесс обработки будет в разы ниже. Если вы берете воду из-под крана, то она, конечно же, хлорированная и должна отстояться 3-4 часа. Чтобы удалить железо прогоните через фильтры.

Функциональные самодельные приборы

Если вы еще не знаете о полезных свойствам активатора, то почитайте, сколько полезного они дают для здоровья, помогают при уходе за комнатными растениями, везде присутствует и живая и мертвая вода. Полезные свойства и целебность воды получается при обогащении воды ионами.

В различного рода сплавах используются присадки, которые не позволяют появиться коррозии на металлической поверхности, создают прочность и эстетику. Электролиз исключает попадание висмута, молибдена и других веществ в жидкость. Некоторые жидкости способны вызывать аллергию.

Если вещества накапливаются в организме, они становятся угрозой для здоровья и способны привести к онкологии.

Чтобы избежать опасений, лучше использовать магнитный активатор, который изготовлен на производстве. Современная техника содержит в своих устройствах электроды из немагнитной пищевой стали. Магнитный активатор разделяет жидкости при помощи керамической чаши. Изготовители отвечают за действие, безопасность и эксплуатационные сроки данного рода устройства. Негатив лучше всего исключать.

Зачастую можно услышать понятие «магнитный» активатор. Это такое устройство, которое способно изменить уровень солей кальция и магния, при нагреве появляется накипь. В промышленном производстве есть не менее важное устройство преобразователь. Магнитный активатор работает на высоких частотах и имеет генератор.

Техника выполнения устройств сложная и при копировании обязательно возникнут трудности.

Даже если вы не смастерите магнитный активатор, всегда можно выполнить простейший, изложенный выше. Активатор для дома необходим как воздух, особенно в нашем современном мире, где вода далеко не идеального качества. Магнитное поле не даст образовываться накипи.

Конструкции для изготовления активированной воды представляются исключительно для ознакомления. Каждый для себя изготавливает прибор активатор самостоятельно и полностью несет ответственность за безопасность жилища, здоровья и жизни при работе с «самоделкой».

После завершения работы с устройствами следует промыть все элементы, особенно те, где находилась мертвая вода. Живая вода легко справится с жирными пятнами, а мертвая имеет бактерицидное действие и может заменить перекись, особенно тогда, когда требуется большое количество жидкости.

После работы с мертвой водой тщательно промывайте руки, чтобы сбросить негативную энергию. Если бюджет не позволяет купить активатор, то самодельная работа просто идеальный вариант для вас.

Выбор остается за вами, но помните, что активированная вода просто необходима для нормальной жизнедеятельности.

Как сделать активатор воды своими руками?

Активатор воды своими руками: особенности, схема изготовления, правила эксплуатации

Аппараты с таким названием были распространены довольно широко. С их помощью можно было создавать «живую» и «мертвую» воду. Именно поэтому большинство вариантов конструкций – это публикации в специализированных журналах соответствующего периода.

Одной из его особенностей являлся дефицит товаров, поэтому многие вещи приходилось создавать самостоятельно.

Попробуем разобраться как сделать активатор воды своими руками, какие функции он выполняет и есть ли современные аналоги, способные более качественно решать поставленные перед ними задачи.

Обработка воды во всех установках такого типа производится постоянным током. Жидкость заливается в специальную емкость, куда и погружены электроды. Вокруг анода при прохождении тока собирается «мертвая» вода. Чтобы отделить ее от «живой», используются своеобразные полупроницаемые стаканы, которые создаются из ватмана, плотной ткани, иных материалов.

В стандартной электросети – переменное напряжение, 220 V. Его необходимо выпрямить и подать на анод и катод. Нужное преобразование производится с помощью диодного мостика, либо одиночного элемента. Катод подсоединяется к сети через лампочку и установленный параллельно выключатель.

Лампа накаливания в данном случае выполняет функции сигнального устройства, а также предохранителя для диодов. В ходе процесса яркость свечения нити уменьшается, что свидетельствует о наступлении заключительной стадии  обработки  жидкости.

Исключив лампу с помощью параллельного выключателя, можно ускорить выполнения рабочих процедур.

Готовность воды к употреблению подтверждает соответствующие изменения уровней щелочности и кислотности, которые определяются чаще всего специальным водородным показателем. В области катода уровень pH может превышать 9-10 единиц. Около анода – менее 3. Контроль значений можно производить с помощью специализированных измерительных приборов, либо, используя соответствующие химические тесты.

Описанная выше конструкция используется в разных вариантах исполнения активаторов воды, поэтому в каждом случае будут присутствовать дополнительные требования.

Приведем здесь универсальные ограничения и отметим особо те моменты, на которые следует обращать повышенное внимание:

  • При изготовлении и последующей эксплуатации аппарата следует помнить об использовании опасного для жизни человека напряжения бытовой электрической сети.
  • Включение собранного аппарата допустимо только при полном наполнении его жидкостью.
  • Следует исключить прикосновения к емкости во время выполнения рабочих операций.
  • Извлечение электродов необходимо производить только в выключенном состоянии.
  • Необходимо ограничить доступ к активатору детей, не оставлять его во включенном состоянии без присмотра.

Создатели большинства подобных конструкций предлагают установку мощных диодов, использование  сильных токов, от 5А и более того.

Это ускорит процессы, но вместе с тем снизит общий уровень безопасности. Пропускание через воду сильного тока может разогреть ее до закипания. Между тем, необходимый результат будет получен и при меньших значениях (0,1-0,5 А), только для этого понадобится пролить время обработки.

Данный процесс, электролиз, способен оказывать разрушительное влияние на электроды. Предпочтение следует отдавать пищевым сортам стали, тем, которые обладают минимальными магнитными свойствами. Если применять обычную нержавеющую сталь, то его разложение будет слишком быстрым. Анод лучше изготавливать из графита высокой чистоты.

Наличие в используемой воде примесей ухудшит показатели процесса обработки. Хлорированная водопроводная вода отстаивается в течение нескольких часов. Железо, иные вещества и их соединения предварительно удаляются с помощью специальных фильтров.

О действительных полезных свойствах полученных продуктов можно узнать в соответствующих материалах, посвященных здоровью, уходу за комнатными растениями с использованием «живой» и «мертвой» воды. Отметим лишь то, что отмечаются особые целебные свойства, полученные за счет обогащения жидкости ионами.

Любому экспериментатору надо помнить о том, что помимо отмеченных выше сложностей, будут присутствовать и другие неприятности, риски. Так, например, большинство современных сплавов создается с добавлением различных присадок, которые обеспечивают необходимую устойчивость к коррозии, прочность, наличие иных эстетических и технических параметром.

В процессе электролиза при разложении электродов нельзя исключить вероятность попадания в воду молибдена, висмута, хрома, ванадия и других веществ. Некоторые из них способны вызвать аллергические реакции. Другие при постепенном накоплении в организме способны стать причиной возникновения опасных, в том числе и онкологических заболеваний.

   

Чтобы устранить все опасения, лучше всего использовать магнитные активаторы, созданные фабричным способом. В современных моделях техники такого типа монтируются электроды из специальных сортов немагнитной пищевой стали, титана, особые покрытия.

Разделение жидкостей в них производится с помощью керамических емкостей. Изготовители обеспечивают высокий уровень безопасности своих изделий в процессе эксплуатации. Очевидно, что в данном случае лучше исключить все возможные негативные факторы.

Некоторые неправильные определения и правильные ответы на дополнительные вопросы

В некоторых источниках встречается словосочетание «магнитный активатор». Такое определение дается приборам, которые осуществляют изменение начальных параметров солей кальция и магния, их способность при нагреве соединяться в виде накипи. Более точным будет следующее название, преобразователь. Оно правильно характеризует сам процесс и полученный итог.

Эти аппараты создаются в условиях промышленного производства. Они оснащаются генераторами, работающими по особому алгоритму на высоких частотах. Такая техника изготавливается с использованием современное электронной базы, и даже простое копирование ее вызовет затруднения даже у специалистов, радиоинженеров.

Самостоятельное качественное производство подобных устройств невозможно, либо будет сопряжено с большими трудностями. Для этого понадобятся:

  • Электронные схемы и специализированное программное обеспечение.
  • Надежные компоненты, способные без регулировок и обслуживания выдержать длительный, более 20-ти лет, срок непрерывной эксплуатации.
  • Технологическое, лабораторное, диагностическое оборудование и специальная оснастка.
  • Опыт разработки и создания сложных электронных устройств.

Добротный современный магнитный преобразователь воды МПВ MWS, пригодится, если вы решите использовать дома сделанную на профильном производстве установку-активатор. Как видно из описания принципов ее работы, она будет работать хорошо только при наличии хорошей предварительно очистки. Предварительная обработка магнитным полем предотвратит образование накипи при нагреве  жесткой воды.

Дополнительным преимуществом является универсальность и многофункциональность магнитных и электромагнитных преобразователей.

Даже самые недорогие бытовые модели магнитных активаторов действуют на расстоянии 600 и более метров от места установки по длине трубопровода. Они способны защитить всю технику в доме. Более дорогие приборы, серии Pro, оснащены мощными генераторами.

Их возможности гораздо шире. Помимо предотвращения накипи, они уничтожают микроорганизмы при прохождении потока воды через область магнитной обработки.

Как сделать магнитный активатор воды своими руками?

Активатор воды своими руками: особенности, схема изготовления, правила эксплуатации

Сегодня уже никого не удивляет тот факт, что питьевая вода, поставляемая в каждую квартиру и каждый дом, достаточно жесткая и содержит огромное количество разнообразных примесей. Особенно это видно по количеству накипи в чайнике, на ТЭНах водонагревателей, стиральных и посудомоечных машин.

Эффективным способом смягчить воду и предотвратить появление накипи является применение специальных магнитных активаторов, созданных на основе мощных неодимовых магнитов.

Эти изделия стоят не очень дорого, но даже и на них можно сэкономить, собрав магнитный активатор самостоятельно из подручных материалов.

Особенности конструкции магнитного активатора воды

Магнитный активатор воды может быть двух типов:

Первый тип внешне представляет собой отрезок трубы с резьбой на концах, устанавливается непосредственно в водопровод в точке, которая ближе всего к крану или оборудованию. Второй тип напоминает браслет и надевается на водопроводную трубу. Внутри активатора расположены неодимовые магниты, генерирующие мощнейшее магнитное поле.

Что нужно для сборки собственного магнитного активатора

Для создания самого простого домашнего магнитного активатора вам потребуется следующее:

  • Прямоугольные неодимовые магниты – 4-10 штук;
  • Нож для бумаги;
  • Пластиковые хомуты или проволока;
  • Изолента.

Сам процесс сборки выглядит следующим образом: на водопроводной трубе располагают неодимовые магниты в точности друг напротив друга, закрепляют хомутами или проволокой, обрезают торчащие концы и заматывают изолентой.

Важно чтобы неодимовые магниты были абсолютно одинаковыми, только так будет обеспечиваться равномерное магнитное поле по всей площади водопроводной трубы. Второй популярный вариант домашнего магнитного активатора связан с использованием пластиковой бутылки.

В этом случае магниты закрепляются внутри бутылки, а сама бутылка (без дна) надевается на трубу.

Где можно приобрести магниты для сборки домашнего магнитного активатора воды

Если вы загорелись желанием собрать свой собственный магнитный активатор, то в нашем интернет-магазине вы найдете огромный выбор высококачественных неодимовых магнитов всех возможных форм и размеров:

  • Цилиндрические;
  • Прямоугольные;
  • Кольцеобразные.

Мы предлагаем к продаже продукцию лучших производителей, каждый магнит, имеющийся на нашем складе, успешно прошел проверку на соответствие заявленным характеристикам. Также в нашем ассортименте вы найдете и уже готовые магнитные активаторы воды по самым доступным ценам. Доставка магнитов производится по всей территории России и занимает минимальное количество времени.

28.10.2016, 821 просмотр.

Изготовление живой воды для рассады

Активатор воды своими руками: особенности, схема изготовления, правила эксплуатации

Казалось бы, нет ничего привычнее, чем вода, — и все же нет ничего более загадочного, чем она.

Вспомним: от родника до океана — формы ее существования в жидком состоянии; струйка пара из чайника и облака в небе — она же в газообразном; пушистый снег и твердый лед — все та же вода; а физики знают еще так называемую тяжелую воду, обещающую весомую добавку в энергетику будущего.

Всегда было известно, что замерзающая вода разрывает трубы и сосуды. И вдруг загадки; в капиллярах тоньше волоса она и на морозе остается жидкой. Сколько еще тайн в ней?

В последние годы — очередная загадка и новые столкновения мнений вокруг необычных свойств все той же обыкновенной воды, но уже подвергнутой воздействию током. Т.е. так называемой живой воды.

Эффект влияние электричества на воду наблюдался и раньше, при электролизе: вокруг анода образовывалась кислотная среда, а возле катода — щелочная. А после выключения тока жидкость снова становилась равномерно нейтральной.

Введение между электродами плотной полупроницаемой перегородки позволило, не нарушая эффекта, предотвратить обратное смешивание образующихся под током сред, получить две разные жидкости — анолит и католит. Их исследование и привело к открытию новых активных свойств необычной воды: у анолита они окислительные, у католита — восстановительные.

Изучение их отраслевыми институтами и лабораториями Ташкента, Казани, Москвы, Киева, Ленинграда и некоторых других городов показало широкий диапазон возможного практического применения этих свойств — от производственных до бытовых.

Работников пищевых отраслей, например, заинтересовало, что кислотная вода способна увеличить сроки хранения скоропортящихся продуктов, медиков — что она останавливает воспалительные процессы и пригодна поэтому для обработки царапин и ран, а протирание их затем щелочной водой ускоряет заживление.

Любопытные результаты дали опыты с растениями. Одну группу поливали простой водой, другую — щелочной (католитом), третью — кислотной (анолитом). По сравнению с первой растения второй группы развивались заметно быстрее, а у третьей всходов вообще не было. Но когда этот третий участок затем стали поливать щелочной водой — растения не только проросли, но и быстро обогнали обе первые группы.

Для тех, кто хотел бы испытать свойства активированной воды при выращивании или “лечении” комнатных растений, проращивании семян или заготовке рассады огородных культур, предлагаем описание простейшего аппарата, изготовленного изобретателем В. Хахалиным, для получения живой воды.

Рис. 1. Активатор и его основные детали:

1 — канистра, 2 — поддон. 3 — стакан, 4 — обечайка (ватман), 5 — нитки, 6 — стойка ручки, 7 — проволочная подвеска, 8 — вилка разъема, 9 — электроды, 10 — штырьки-ограничители.

Изготовление самодельных электролизеров для получения активированной воды ведется в основном по следующей схеме: стеклянная банка с водой, в нее опущен также наполненный водой брезентовый мешочек, а в обе эти емкости введены электроды из листовой нержавеющей стали, один из которых включается в сеть напрямую, а другой – через диод на 5—10 А (например, типа Д242).

Процесс активизации длится несколько минут (при затягивании его вода может закипеть).

Такие приборы небезопасны и не лишены недостатков. И прежде всего изготовители подобных активаторов забыли первый закон Фарадея, по которому вовсе не надо стремиться применять “большие амперы”: с тем же успехом можно обойтись и миллиамперами, соответственно удлинив сеанс воздействия — при малых токах это перегревом не грозит.

Не потребуется и мощный дорогой диод — его заменит более простой, копеечной стоимости, рассчитанный на максимум выпрямленного тока порядка 0,3 А (например, типа Д7Ж или с любой другой буквой на конце). Ради большей надежности можно включить в цепь параллельно два таких диода.

Активатор с режимом работы на миллиамперах намного безопаснее: прибор может долго оставаться включенным, а вода в нем, чуть потеплев вначале, дальше не греется, поскольку по мере активации ток становится меньше начальных его значений в 2—4 раза.

Конечные же результаты активации будут совершенно равноценными режиму с “большими” амперами: ведь они одинаковы, пойдет ли через прибор ток в 5 А в течение 5 мин (300 с) или 0,05 А за 500 мин (30000 с):

5 x 300 = 0,05 x 30000 = 1500 Кулон

Итоговое число — это количество единиц электрического заряда (кулонов), пропущенных через воду в обоих режимах активации.

Устройство активатора на малых токах понятно из рисунка. В небольшую пластмассовую канистру с отрезанным верхом устанавливаются два обычных тонких стакана, стенки которых наращены обечайками из ватмана. Все три эти емкости заполняются водой, в стаканы опускаются электроды — прибор готов к подключению. Вода в канистре будет передаточной средой для тока, а анолит и католит получим в стаканах.

Чтобы стаканы было удобнее вынимать по окончании процесса, из листового полистирола изготовлен простой поддон со стойками и перемычкой-ручкой, на которой крепятся вилочный разъем и проволочные крючки для подвешивания электродов (как это принято в гальванотехнике).

Обечайки для наращивания стаканов вырезаются из листа ватмана 110х500 мм, предварительно прокипяченного для удаления из бумаги технологического клея. Полученные заготовки туго наматываются на края стаканов и закрепляются нитками.

На схеме электропитания активатора (см. выше) изображена лампа на 220 В мощностью 40 Вт. Простой переключатель позволяет закоротить ее, когда желательно ускорить процесс. Лампа выполняет роль предохранителя для диода. Кроме того, по изменению степени накала ее нити можно судить о стадии активации: в конце процесса она горит тусклее.

Форма, размеры и взаиморасположение электродов мало значат, другое дело — выбор самого материала. Даже устойчивая к коррозии нержавеющая сталь в ходе электролиза хоть и в мизерных количествах, но растворяется в анолите, причем больше те сорта, которые чувствительнее к магниту.

Поэтому притягивающийся к магниту материал не годится: электрод из него после недолгого употребления становится шершавым, вес его уменьшается — идет активное растворение. Хорошие электроды получаются из столовых приборов с надписью “Нерж.”, а также из шампуров (без какого-либо изменения формы).

Поскольку в водопроводной воде всегда есть примеси хлора, фтора, железа и разных солей, на бумаге обечаек образуются пятна, а на электродах (особенно катоде) — матовый налет. Последний легко снимается ватным тампоном, смоченным уксусом; можно также поменять электроды местами — налет исчезнет. А обечайки следует иногда обновлять.

Подготовка прибора к работе начинается с заполнения его (начиная со стаканов, чтобы не всплывали) водой до одинакового уровня, на 15—20 мм ниже кромок обечаек. Затем опускаются в стаканы и подвешиваются на крючки электроды, к вилке разъема подсоединяется шнур, и прибор включается в сеть.

Об успешном ходе активации будет свидетельствовать один интересный признак: возникновение заметной разности уровней воды во всех трех емкостях за счет так называемого осмоса. Кислотная вода (в стакане, электрод которого подключен через диод) понизит свой уровень относительно нейтральной воды в канистре, а щелочная, наоборот, повысит его на туже величину (около 3—6 мм).

Степень кислотности и щелочности обычно оценивается так называемым водородным показателем “рН”, измеряемым практически недоступным в быту прибором “Иономер”. По его показаниям у простой воды “рН”=7, у католита поднимается до 10 и более, у анолита — 2,5 и менее.

От каких заболеваний помогает живая вода и еще один способ ее получения описаны в этой статье.

В домашних условиях полученные жидкости могут быть проверены лакмусовой бумажкой. Однако общедоступнее проба фенолфталеином, который продается в аптеках (иногда под названием “Пурген”).

Растворите его таблетку в столовой ложке воды, а в другую зачерпните католит и капните в него фенолфталеином: католит немедленно станет красным (после двухнедельного хранения краснеет медленнее).

Если теперь окрашенный католит капнуть в пробу анолита — произойдет обесцвечивание, что свидетельствует о достаточной активности анолита.

В заключение о длительности сохранения свойств активированной воды.

По моим наблюдениям, анолит остается активным и месяц, и два (возможно, что сохраняется и дольше). Католит же уже через неделю утрачивает не менее четверти своей первоначальной крепости,слабеет.

Как сделать ионизатор воды своими руками в домашних условиях: схема, необходимые детали и пошаговая инструкция

Активатор воды своими руками: особенности, схема изготовления, правила эксплуатации

Вода является самой ценной жидкостью, она наполняет наш организм, без нее не выживет ни одно существо. Безопасность и качество воды формирует здоровье человека. Методов ее доочистки придумано немало.

Одним по душе отстаивание жидкости, другим – ее фильтрование. Многие люди покупают целые системы для фильтрации питьевой воды. Необязательно тратить значительные средства на дорогие установки.

Ионизатор не так уж и сложно сделать своими руками, это не требует дорогих материалов и деталей.

Прибор для ионизации воды

Гидроионизатор вырабатывает щелочную и кислотную разновидности воды. Это происходит за счет процесса электролиза жидкой среды.

Популярность ионизации как метода обработки воды связана с тем, что ионизованной жидкости приписывают целебные свойства. Считается, что такая вода замедляет процессы старения в организме человека.

Чтобы получить воду с позитивным и негативным зарядом, для начала ее необходимо тщательно очистить от посторонних примесей. Это происходит при помощи фильтрования. Отрицательно зараженный электрод собирает вещества со щелочной реакцией, а положительный электрод притягивает соединения кислотной природы. Так и получается две разновидности воды.

Ионизатор, прибор для выработки щелочной и кислотной жидкости.

Щелочная вода обладает отрицательным зарядом. Она имеет такие особенности:

  • Стабилизирует артериальное давление.
  • Приводит в нормальное состояние обмен веществ.
  • Борется с вирусами в организме.
  • Усиливает иммунитет.
  • Способствует заживлению тканей.
  • Является сильным антиоксидантом.

Кислотная вода обладает положительным зарядом. Она имеет такие особенности:

  • Является сильным дезинфицирующим веществом.
  • Устраняет аллергию.
  • Борется с воспалениями.
  • Уничтожает грибки, бактерии, вирусы.
  • Придает здоровый вид локонам, ухаживает за кожей.
  • Помогает ухаживать за зубами и полостью рта.

Гидроионизаторы бывают двух разновидностей:

  • Работают за счет использования драгоценных металлов (в первую очередь, серебра), а также полудрагоценных камней (коралл, турмалин).
  • Обеспечивают ионизацию за счет электрического тока. Во время функционирования прибора происходит дезинфекция воды и ее обогащение.
  • Схема подробно описывает принцип действия ионизатора

    Получение живой воды при помощи ионизатора

    Прибор Аквалайф, создавая в жидкости невидимые частички, обеспечивает движение тока. Электрод с отрицательным зарядом отталкивает электроны. Они начинают двигаться в сторону анода. Этот процесс напоминает принцип работы электрической лампы. Средой, в которой происходит реакция, выступает вода.

    Каждая молекула воды состоит из трех атомов: одной части кислорода и двух частей водорода. Только два иона являются устойчивыми. Это водород, а также гидроксильная группа. При отделении атома от молекулы он получает положительный заряд, теперь он – кислотный фактор.

    Возле отрицательного электрода он получает другую элементарную частицу, из-за этого становится нейтральным. В природе в естественном состоянии отдельные атомы водорода не встречаются, они в таком виде не могут существовать.

    Атомы объединяются в молекулы водорода в газообразном состоянии.

    Если зарядить воду избыточным количеством электронов, она становится живой, способной излечить от многих болезней. Можно ли приготовить такую заряженную воду дома? Можно, в этом нет ничего сложного.

    Живая вода своими руками

    Получить дома воду со щелочными или кислотными свойствами, которая обладает лечебным воздействием на организм, несложно. Ионизатор воды сделать своими руками не так уж и сложно. Для его сборки понадобятся:

  • Электроды (2 шт.). Их можно заменить обычными пластинами из металла, он должен быть нержавеющим. Подойдут также стержни из графита.
  • Кусок пожарного шланга. Он выступит в роли проводника тока. Воду он не пропускает, таким образом, будет отделять “живую” и “мертвую” воду.
  • Банка из стекла и крышка к ней.
  • Электрический шнур с вилкой.
  • Самодельный прибор для ионизации воды

    Чтобы сделать ионизатор для воды в домашних условиях, необходимо для начала зашить один край шланга. Его нужно поместить внутрь банки. В каждый из сосудов следует налить воды примерно на 2/3 их объема. Шнур необходимо соединить с электродами. Если банка имеет объем в 0,5 литра, то длина электродов должна составлять порядка 10 сантиметров.

    Чтобы самодельный ионизатор для воды получился с параллельными электродами, один из них (отрицательный) располагают внутри пожарного шланга. Другой электрод с положительным зарядом располагают с наружи мешка. Чтобы не перепутать электроды, лучше всего сделать на них соответствующие пометки “+” и “-“.

    После всей проделанной работы следует включить прибор в электросеть. Спустя 10 минут произойдет разделение воды на два вида. “Живая” вода – слегка беловатого цвета, она мутная. “Мертвая” вода – прозрачная, имеет зеленоватый цвет.

    Вода до и после ионизации

    Разновидности обогащенной жидкости

    Как в случае многих изобретений, существуют различные мнения о пользе ионизированной воды и ее воздействии на организм.

    Изготовители и распространители приборов настаивают на ее исключительных свойствах и рекомендуют использовать в быту.

    Особые лечебные свойства приписывают емкостям из серебра, они обогащают воду ионами этого драгоценного металла. В результате получается очень чистая и прозрачная жидкость.

    Известным является тот факт, что серебро относится к группе тяжелых металлов. Почитатели серебряной воды хорошо об этом знают, поэтому акцентируют внимание на том, что концентрация ионов серебра не должна быть слишком высокой. Иначе такая вода принесет больше вреда, чем пользы.

    Воду разделяют на три категории по дозировке серебра:

  • Питьевая вода. Она содержит 30-40 мкг/л серебра. Ее следует употреблять для питья, приготовления различных блюд и напитков, домашнего консервирования. Подойдет такая серебряная жидкость и для бытовых целей, купания.
  • Вода с дозировкой драгоценного металла в 300-500 мкг/л. Она хорошо подходит для обработки семян перед проращиванием и посадкой. Ею благоприятно поливать цветы, мыть фрукты и овощи. Она способна дезинфицировать детские игрушки, посуду, любые поверхности, предметы домашнего обихода.
  • Концентрат. В этой разновидности жидкости дозировка серебра может составлять 10 тысяч мкг/л. Она предназначена исключительно для внешнего использования. Подойдет для выполаскивания горла или умывания по утрам, можно также проводить ею ингаляции.
  • Как сделать гидроионизатор на серебре

    Регулярное употребление воды, дополнительно обогащенной ионами серебра, убивает болезнетворные бактерии. В инструкции подробно описаны все этапы изготовления домашнего ионизатора. Нужно всего лишь подключить любой предмет, изготовленный из серебра, к плюсу. Минус следует подключить к источнику питания.

    Любой предмет из серебра способен очистить воду от болезнетворных бактерий.

    Чтобы вода обогатилась серебром до состояния питьевой, достаточно всего 3 минуты воздействия. Чтобы получить более концентрированный вариант, следует проводить процесс ионизации 7 минут. Затем гидроионизатор выключают, жидкость тщательно перемешивают и выдерживают 4 часа в затемненном месте. По истечении этого времени серебряную воду разрешается использовать для лечебных или бытовых целей.

    Нельзя хранить серебряную воду под воздействием света, это приведет к выпадению серебра в виде хлопьев на дно емкости.

    Каждый выбирает сам, что для него удобнее: купить готовый прибор или смастерить его собственными руками в домашних условиях. Главное, что такой ионизатор позволяет получить “живую”, а также “мертвую” воду и позаботиться о себе и своих близких.

    Как изготовить устройство для получения живой и мертвой воды

    Активатор воды своими руками: особенности, схема изготовления, правила эксплуатации

    История создания прибора для получения живой и мертвой воды берет свое начало с конца 70 годов. С того самого момента когда один из изобретателей рационализаторов решил поэкспериментировать с заживлением  загноившейся раны.

    Выбор был не богат мазь «Вишневского», которой, проводили лечение воспаленной раны, в течение несколько недель, но она не помогала. Или  попробовать использовать активированные растворы   католит и анолит ( мертвую и живую воду).

      И как это не странно сейчас звучит и напоминает сказку, помогло. Самовнушение или реально вода обладала противовоспалительными свойствами. Новость  по сарафанному радио распространилась почти моментально. И уже в 80 годах появились методики лечения различных заболеваний.

    Особенно она стала популярна после публикации в журнале Юный техник в 1983 году.

    Но наша промышленность не успевала за прогрессом. Не хотела так сказать  или не смогла запустить в производство  устройства для активации воды. В результате десятки тысяч инженеров, токарей, электриков, слесарей,  специалистов радиоэлектронной промышленности сделали это за государство.

    Благо на заводах хватало не обходимого материала. А если на данном заводе не возможно было что-то найти,  вступал натуральный обмен ну и в исключительном случае  «пол литровая валюта». За неё бесценную,  можно было достать все что угодно. В результате родители активно пользовались прибором.

    Лечили по переписанным методикам многие заболевания. Ну, а детям оставалась наблюдать за процессом, в котором, конечно же они  ничего не понимали. Прошли годы. Дети повзрослели и уже у них стали проявляться болячки, которые когда то лечили их родители в далеких 80 годах.

    И почему бы не попробовать  живую и мертвую воду.

    Появился интернет.

    Методики лечения можно скачать на многих сайтах. Выпускается много различных приборов для получения живой и мертвой воды. Цена начинаются от 1500 руб.

    Но есть экземпляры  на порядок дороже. В них кроме самого активатора, установлен осеребритель и фильтр для воды.

    Зачем, не понятно!!!  Ведь какой-то прибор, который используют дорогие устройства, обязательно есть у нас в квартире. Все теперь зависит не от бутылки, а от толщины кошельков.

    Ну а если нет денег, но есть желание, а руки на месте. Не беда прибор для получения живой и мертвой воды можно собрать свои руками.

    Активатор своими руками

    Для этого понадобиться:

  • Диэлектрическая пластина размер 150*150 мм.
  • Диод высокой мощности типа Д231 или Д232 или их зарубежный аналог -1 шт.  
  • Провод с розеткой длинною 1,0-1,5 м.
  • Литровая банка  1 шт.
  • Кусок брезента 160*120 мм
  • Две полоски из пищевой нержавеющей стали марки  AISI 304 и AISI 316 способных противостоять коррозии и кислотам   размер  180*40 мм.
  • Два болта с гайками 6 мм.
  • В диэлектрической пластине сверлим три отверстия диаметром 6 мм. Как показано на рисунке 2. Расстояние между двумя отверстиями, находящимся посредине  составляют 60 мм. Крайнее отверстие используется для закрепления сетевого шнура и должно находиться от края на расстоянии 10*10 мм. Где не имеет значения.

    Берем пластину из пищевой нержавеющей  стали. Размечаем отверстие 20мм по ширине пластины и 10 мм по длине пластины. Сверлим отверстие диаметром 6мм.  Отступаем 20 мм по длине пластины и загибаем под углом 90 градусов. То же самое делаем со второй пластиной.

    С помощью болтов прикручиваем стальные заготовки  к диэлектрической пластине. К одной прикрепляем диод. Пропускаем провод через отверстие с краю и один конец провода припаиваем к другому концу диода, а второй конец к другой пластине. Все открытые части хорошо изолируем. Можно использовать изоляционную ленту.

    Аккуратно чуть больше чем ширина полоски из стали сшиваем из куска брезента, мешочек. Наливаем в банку воду  на одну из пластин, с подключенным диодам надеваем мешочек. Опускаем прибор  пластинами  в банку.

      Прибор готов к работе смотрите рисунок 1.  Для получения активированных растворов включаем в вилку в розетку и ждем от 3-10 минут. Более подробно о методиках лечения различных заболеваний можно прочитать ТУТ.

    Ну а если семейный бюджет позволяет истратить небольшую сумму денег, то лучше не начинайте, купите готовое устройство.

    Например, не дорогой  прибор для получения католита и анолита, или  Живой и Мертвой воды ЖИВИЦА  подробности  ТУТ.

    Прибор живица отличается от других аналогов: ценой, таймером на отключении,  и отключением от электрической сети при аварийном открывании крышки от емкости с водой.

    Впрочем,  выбирать Вам!!! Можно поискать в интернете  и найти, другие приборы и устройства для получения активированной воды.  Сейчас их  достаточно много на рынке. Все зависит от Вашего желания и возможностей.

    Прибор живая и мертвая вода своими руками

    Активатор воды своими руками: особенности, схема изготовления, правила эксплуатации

    В данной статье описывается как сделать прибор “живая” и “мертвая” вода своими руками, так же его еще называют активатор воды.

     Известно, если поместить два электрода в воду и подать на них постоянное напряжение, то обычная питьевая вода делается активированной.

    Вода в процессе активации разделяется на положительные и отрицательные ионы и полученные таким образом растворы имеют особые лечебные свойства.

    Вода с отрицательными ионами именуется католит или как ее называю в народе “Живая”, вода же с положительными ионами называется анолит или “Мертвая”. Для того чтобы вода двух видов не смешивалась, между электродами необходимо поместить ионообменную перегородку.

    Особенности “живой воды”: обладает щелочной средой и имеет свойство сильного биостимулятора. В основном, она применяется в медицине для лечения различных язв и ран. Можно использовать в хозяйстве для улучшения роста цветов и рассады, для купания животных, подготовки кормов для животных, а также обработки овощей и фруктов для длительного хранения.

    Особенности “мертвой воды”: обладает  кислой средой и создает сильное стерилизующее и дезинфицирующее воздействие. В связи с этим  ее применяют для лечения различных кожных заболеваниях, а так же используют в домашнем хозяйстве  для дезинфекции помещений, обеззараживания питьевой воды, обработки посуды.

    Описание прибора для получения “живой” и “мертвой” воды

    Устройство прибора для приготовления живой и мертвой воды можно изготовить своими руками. Для этого нужно всего лишь диодный мост, электроды из нержавеющей стали и кусок брезента в качестве разделительной мембраны.

    Сетевое напряжение, пройдя через диодный мост в виде постоянного напряжения, подается на электроды, которые помещены в банку с водой.Причем один из электродов (плюсовой электрод) необходимо поместить в мешочек из брезента, в котором так же должна быть налита вода.

    Впоследствии в нем будет образовываться “мертвая” вода, а в остальной банке «живая». Брезентовый мешочек можно сшить своими руками. Его размеры могут быть произвольными, лишь бы в него свободно входил электрод. Размеры можно взять такими: диаметр 7см, а высота около 20 см.

    банку можно использовать 800 мл или на 1л.

    Необходимо уделить внимание на материал  из которого изготовлены электроды.   Как  правило, используется нержавеющая сталь. Но необходимо для этих целей использовать пищевую нержавейку. Поскольку в технической нержавеющей стали присутствуют примеси тяжелых металлов, и в процессе работы прибора они могут высвобождаться в воду, что не есть хорошо.

    Электроды изготовлены из листа толщиной 0,6…1,0мм  имеют размеры около 40х160 мм. Их необходимо закрепить на куске пластика размерами чуть больше горловины банки.

    Расстояние между электродами в среднем должно быть около 4 см. На нем же нужно установить диодный мост и выключатель. Для электробезопасности сверху все закрыть подходящей крышкой.

    Для удобства схему прибора можно дополнить простым таймером на микроконтроллере или же таймером на ne555.

    Порядок работы с прибором

    В пустую банку ставим брезентовый мешочек, заливаем воду в него и в банку. Далее помещаем электроды в банку, учитывая, что плюсовой электрод необходимо вставить в брезентовый мешок. Включаем прибор в сеть и ждем от 3 до 15 минут, в зависимости от того какой концентрации нам нужен раствор.

    По истечении времени  электролиза сперва ОТКЛЮЧИТЕ ПРИБОР ОТ СЕТИ!

    Далее быстро извлеките мешочек с “мертвой” водой из банки и перелейте в какую либо емкость. Если это не сделать сразу, то по истечении небольшого промежутка времени оба раствора смешаются и особые свойства пропадут.

    После электролиза хранить “живую” и “мертвую” воду необходимо в темной посуде с плотной крышкой. “Живая” вода может храниться около месяца, а вот “мертвая” не более 2 часов. Поэтому лучше употребить растворы сразу после изготовления и не хранить их долгое время.

    Внимание! Так как элементы схемы находятся под напряжением электросети, то следует соблюдать меры электробезопасности при работе с прибором.

    Активатор (ионизатор воды). Принцип работы

    Активатор воды своими руками: особенности, схема изготовления, правила эксплуатации

    Активаторы воды или как их еще называют ионизаторы воды – приборы предназначенные для получения живой(щелочной) воды и мертвой(кислотной воды). У всех ионизаторов воды одинаковый принцип работы, основанный на электролизе. Давайте посмотрим как это выглядит:

    Для этого используется два электрода — отрицательный катод и положительный анод

    Пропуская через воду ток, молекула воды расщепляется на ионы водорода H+, который образует кислоту и на ионы гидроксила OH-, образующие щелочь.

    H2O-> H+ + OH—

    К катоду (OH-)  притягиваются ионы щелочных металлов: кальция, калия, магния, натрия и тд.– это живая (щелочная ) вода.

    К аноду(H+ )  притягиваются ионы кислотных металлов: хлор, сера, фосфор и тд. – это мертвая (кислотная) вода.

    Чтобы вода не смешивалась в активаторах (ионизаторах) воды используется перегородка. В разных активаторах используется разный материал, но подобран он так, чтобы ионы проходили через него.

    В серии активаторов воды АП – используется керамический стакан ,в  активаторе воды мелеста – брезент, в  серии активаторов воды ива перегородкой служат мембраны(калька) или пищевой картон(на выбор), в ионизаторе воды аквалайф так же используются мембраны(калька). Так же существует и другие отличия, о которых мы поговорим с Вами непосредственно в описаниях к каждому прибору.

    Обратите внимание- если у Вас не идет процесс электролиза, скорее всего Вы:

    • Наливаете воду из под фильтра – осмоса. Осмос убирает все соли металлов, поэтому попробуйте налить воду из под крана или фильтра кувшинного типа.
    • Образовался белый налет на катоде— протрите его уксусом или мертвой водой. Так же существует и другие отличия, о которых мы поговорим с Вами непосредственно в описаниях к каждому прибору. Не протирайте анод (черный электрод)!

     Прибор живой и мертвой воды своими руками

    Интернет пестрит статьями о том, как сделать  прибор живой и мертвой воды своими руками в домашних условиях. И вправду начинающему электрику сделать его не составит особого труда, конструкция не замысловатая. Но все они совершают большую ошибку, так как ставят на электроды одинаковые материалы — нержавейку.

    Нержавеющая сталь может стоять только на катоде! Так как ток идет из плюса к минусу, анод должен быть изготовлен из инертного металла, для того чтобы в процессе электролиза не растворяться в воде. При использовании нержавейки в качестве анода(металл будет растворяться) – вы обеспечите себе попадания токсичных ионов в воду, а затем и в Ваш организм.

    Поэтому не рекомендуем заниматься «кустарными» методами.

    Как сделать аппарат для живой воды

    Активатор воды своими руками: особенности, схема изготовления, правила эксплуатации

    Вам понадобится

    • Две пластины из пищевой нержавеющей стали шириной 5 см, длиной 15 см.
    • Полупроводниковый диод.
    • Пластиковый корпус со съемной крышкой длинной 20 см.
    • Провод с вилкой.
    • Две банки воды.
    • Провода.
    • Шурупы.

    Инструкция

    Прикрепите две пластины из нержавеющей стали к пластиковому корпусу. Для этого прорежьте в днище две параллельные щели, в которые смогут пройти пластины. Щели должны находиться в противоположных концах пластикового корпуса. После этого вставьте пластины в щели и закрепите их с помощью шурупов.

    https://www.youtube.com/watch?v=aoQZcdeYpec

    Поместите в пластиковый корпус полупроводниковый диод и подключите его к пластинам из нержавеющей стали с помощью проводов. Отметьте на пластинах с внешней стороны, где «минус» и где «плюс».Сделайте в пластиковом корпусе отверстие для провода с розеткой. Вставьте в него провод и прикрепите его к полупроводниковому диоду.

    Закройте корпус крышкой.Наполните 2 банки водой. Поставьте их рядом. Окуните аппарат для приготовления живой и мертвой воды в банки таким образом, чтобы каждый из электродов (пластин) находился в отдельной банке. Включите прибор в сеть и оставьте на 10 минут.Выключите прибор из сети. Выньте его из банок.

    Вылейте «мертвую» воду, пейте «живую».

    Обратите внимание

    Ни в коем случае не беритесь за электроды, если аппарат включен, не погружайте пальцы в воду во время его работы и держите прибор вне досягаемости детей.

    Полезный совет

    Электроды можно сделать угольные или угольно-кремнивые. Угольно-кремнивые электроды дополнительно обогащают воду кремнием.

    • Мастер-класс по созданию аппарата для приготовления живой воды
    • как зделать аппарат живая мертвая вода

    О целебных свойствах живой и мертвой воды стало известно с давних времен. Такая вода помогает при лечении некоторых заболеваний и улучшает состояние человеческого организма в целом. Для получения живой и мертвой воды современные люди используют специальный самодельный аппарат.

    В настоящее время для получения целебной воды вовсе необязательно искать какие-то горные источники и водоемы. Ее вполне можно получить при помощи электролиза обыкновенной водопроводной воды в домашних условиях.

    С химической точки зрения, живая вода обладает щелочными свойствами и поэтому она превосходно заживляет раны. А мертвая вода является уникальным дезинфицирующим средством, так как содержит кислоты.

    При прохождении через обычную воду электрический ток полностью изменяет ее структуру.

    Соответственно, после обработки током вода разделяется на две фракции. Каждая обладает определенными целебными свойствами. Обычно рекомендуется использовать живую и мертвую воду в сочетании для достижение максимального результата. В продаже без труда можно найти специальные аппараты для получения активированной воды.

    Но такой прибор можно изготовить и самостоятельно. Для этого нужно взять обычную стеклянную банку с крышкой и закрепить на ней электроды при помощи гаек и винтов. Один из электродов будет катодом, а другой анодом. На положительном электроде произойдет выделение мертвой воды. Это значит, что на аноде нужно закрепить мешочек из плотной ткани.

    Для таких целей идеально подходит бязь. Главное, чтобы через ткань нормально проходил воздух.

    Длина электродов для пол-литровой банки не должна превышать 100 мм. В качестве электродов можно использовать листовую нержавейку. Некоторые даже используют алюминиевые электроды для получения заряженной воды.

    Они должны быть закреплены на крышке с использованием специальной изолирующей прокладки.

    Для приготовления активированной воды потребуется залить жидкость в матерчатый мешочек и укрепить его на положительном электроде. Затем он вставляется в банку с водой. Нужно учитывать, что вода в банке не должна доходить до края. Обычно на приготовление живой воды уходит не более десяти минут.

    Затем из банки вытаскиваются электроды и в отдельную емкость выливается мертвая вода из специального мешочка Разливать воду следует очень аккуратно, чтобы не смешать полученные фракции. Для получения активированной воды можно использовать и конструкцию без матерчатого мешочка. Тогда потребуется две отдельные емкости с отдельными краями.

    Обеспечить электрический контакт между двумя емкостями можно будет при использовании ватного жгута, замотанного в марлю.

    • Как изготовить активированную воду на самодельном аппарате

    Человек на 80 процентов состоит из воды. Вода необходима нам, чтобы жить. Но давно известно, что далеко не всякая вода полезна. В последнее время мало кто пьет воду из-под крана. Люди пользуются разнообразными фильтрами. Однако очищенная с их помощью жидкость в лучшем случае не нанесет вреда. Пользу может принести так называемая “живая вода”. ее можно сделать в домашних условиях.

    Вам понадобится

    • Вода, черный кремний, марля, емкость из пластика или ударопрочного стекла.

    Инструкция

    Самый простой способ улучшить свойства воды таков. Для начала вскипятите необходимое количество воды. Затем охладите готовую воду и заморозьте ее.Сделать это можно, перелив воду в пластиковую бутылку или емкость из ударопрочного стекла и поместив в морозильную камеру холодильника. Зимой заморозку воды можно осуществить, выставив бутылку на балкон.

    Затем выньте из холодного места емкость с получившимся льдом. Когда он растает и снова превратиться в воду, структура такой воды будет улучшенной.

    Самый лучший метод получения “живой воды” основан на использовании черного кремния. Этот минерал продается в аптеках. Возьмите три литра воды, положите в нее 305 камушков кремния. Затем накройте емкость чистой марлей и настаивайте воду в течение двух суток.

    После того, как вода настоится, осторожно перелейте ее в другой сосуд. Надо оставить в прежней емкости нижний слой – примерно 2-3 см. Дело в том, что в нем осели все вредные вещества, они нам не нужны.

    Настоящая “живая вода” еще не готова. Теперь ее нужно слегка подморозить. Когда на поверхности образуется небольшой лед, в нем надо проделать отверстие. Через это отверстие следует вылить воду в подготовленную емкость. Лед можно выбросить, в нем собрались изотопы водорода.

    Теперь надо снова заморозить оставшуюся воду. На этот раз она должна замерзнуть примерно на 2/3. На этом этапе приготовления “живой воды” нужно вылить, наоборот, незамерзшую воду. Из льда, который в результате остался, и получается при таянии “живая вода”. Пить ее очень полезно для организма.

    Обратите внимание

    Хранить “живую воду” можно не больше 6-7 часов, затем она потеряет свои чудодейственные свойства.

    • как самому сделать живую воду

    Понравилась статья? Поделиться с друзьями:
    Все о сантехнике
    1 / 13
    2 / 13
    3 / 13
    4 / 13
    5 / 13
    6 / 13
    7 / 13
    8 / 13
    9 / 13
    10 / 13
    11 / 13
    12 / 13
    13 / 13